5141后装压缩式垃圾车的总体设计 包含CAD图纸和说明文档参考(ID:1080720)
# | 文件名称 | 文件大小 |
---|---|---|
1 | 17100617935804.zip | 1.12M |
2 | QQ截图20181222190638.jpg | 46.52K |
3 | QQ截图20181222190650.jpg | 98.39K |
4 | QQ截图20181222190655.jpg | 57.27K |
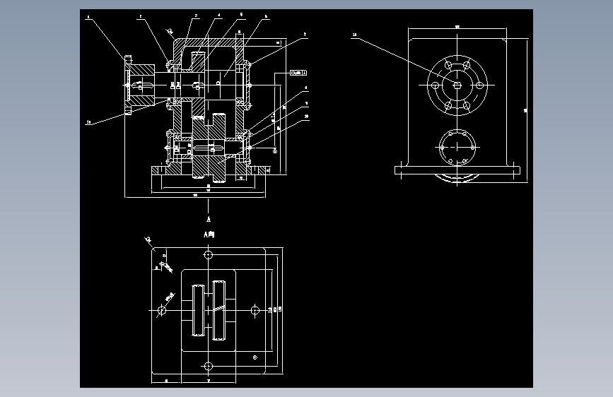
5 | A0-垃圾车总装图.dwg | 109.75K |
6 | A0-车身组合件.dwg | 86.31K |
7 | A1-取力器装配图.dwg | 111.22K |
8 | A1-液压缸装配图.dwg | 126.19K |
9 | A1-车架.dwg | 74.13K |
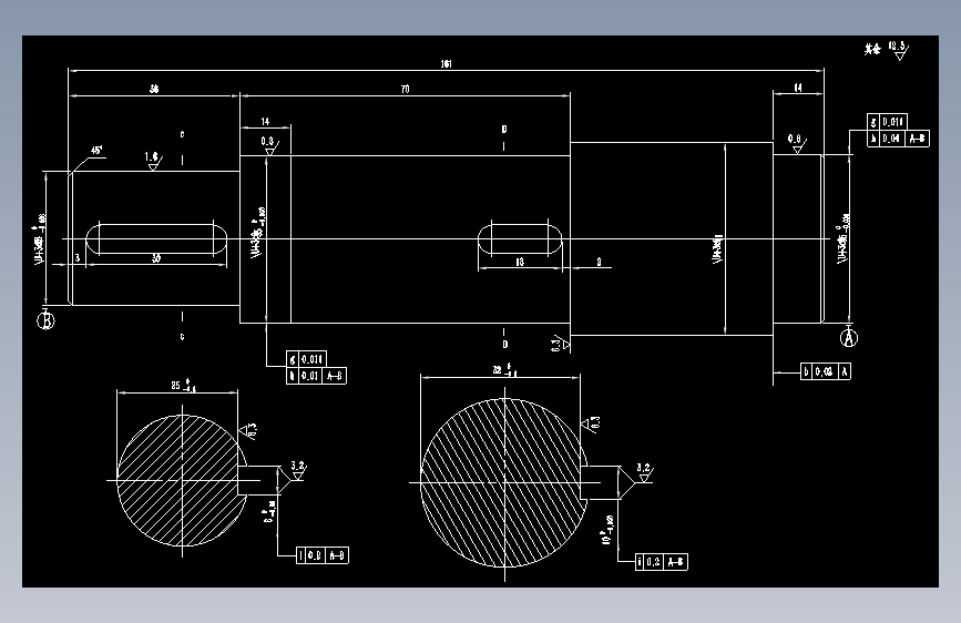
10 | A3-双联齿轮.dwg | 74.63K |
11 | A3-液压控制系统图.dwg | 75.59K |
12 | A3-输入齿轮轴.dwg | 69.88K |
13 | A3-输出齿轮轴.dwg | 78.59K |
14 | A4-半联轴器.dwg | 65.88K |
15 | A4-轴承端盖.dwg | 67.13K |
16 | 实习报告(4页).doc | 32.00K |
17 | 摘要(2页).doc | 23.50K |
18 | 英文翻译(9页).doc | 59.00K |
19 | 设计任务书(4页).doc | 64.50K |
20 | 设计说明书(34页).doc | 859.50K |
此图纸下载需要245金币
立即下载
发布者
代做设计 机械类毕业设计
创作: 70356
粉丝: 543
加入时间:2024-03-01

模型信息
图纸格式:dwg
文件大小:1.14M
所需金币:245
上传时间:2024-03-10 17:09:53
是否可编辑:可修改,包括参数
版本:AutoCAD 2007
标签
图纸简介
版权说明
用户在本站上传的作品如侵犯到您的权益,请与本站管理员联系删除。用户在本站下载的原创作品,只拥有作品的使用权,著作权归原作者所有,未经合法授权,用户不得以任何形式发布、传播、复制、转售该作品。