5A186--四层楼电梯自动控制系统的设计(ID:1196980)
查找相似图纸
截图
AI截图渲染
✨AI图片渲染
| # | 文件名称 | 文件大小 |
|---|---|---|
| 1 | 17114510511540.zip | 340.85K |
| 2 | FMS.doc | 42.50K |
| 3 | 中英对照.doc | 54.50K |
| 4 | 柔性制造系统.doc | 35.00K |
| 5 | 毕业设计任务书.doc | 33.50K |
| 6 | 毕业设计说明书.doc | 380.00K |
| 7 | 毕业设计说明书封面.doc | 28.00K |
| 8 | Drawing1.dwg | 29.63K |
| 9 | Drawing16.dwg | 30.08K |
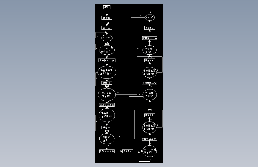
| 10 | 主程序流程图.dwg | 39.85K |
| 11 | 定时器T1中断程序流程.dwg | 30.24K |
| 12 | 电气原理图.dwg | 72.22K |
此图纸下载需要125金币
立即下载
发布者
设计QQ:529358737
创作: 6877
粉丝: 89
加入时间:2023-12-13
模型信息
图纸ID:1196980
图纸格式:dwg
文件大小:349.04KB
所需金币:125
上传时间:2024-03-26 19:04:12
是否可编辑:可修改,包括参数
软件版本:AutoCAD 2004
标签
图纸简介
版权说明
用户在本站上传的作品如侵犯到您的权益,请与本站管理员联系删除。用户在本站下载的原创作品,只拥有作品的使用权,著作权归原作者所有,未经合法授权,用户不得以任何形式发布、传播、复制、转售该作品。
作者其它图纸 查看更多
马铃薯去皮结构设计-土豆去皮机三维SW+14张CAD+说明书
ca6140机床拨叉(831003)工艺及钻φ22花键底孔夹具设计【含三维】
ca6140机床后托架(831001)工艺及钻φ6孔和M6夹具设计【含三维solidworks】
带式红枣分级设备设计-分选机分级机分拣机三维SW模型CAD图纸说明
气门摇臂轴支座加工工艺及单独钻18孔夹具设计【含三维】
等臂杠杆加工工艺及钻φ25孔夹具设计【含三维solidworks+CAD图纸+文档】
KCSJ-14曲柄加工工艺及铣A面夹具设计【含三维+二维+文档】
自动墙壁清洗机的设计壁面清洁机器人三维Creo模型8张CAD图纸说明
AI渲染-将平面图渲染为真实效果图
原图
渲染图
正在渲染中,请稍候...

0.png)
0.png)
0.png)
0.png)
0.png)