气门摇杆轴支座加工工艺及铣底面夹具设计【方案2】(ID:1241902)
# | 文件名称 | 文件大小 |
---|---|---|
1 | 17128008376906.zip | 901.28K |
2 | 工序卡1.doc | 80.00K |
3 | 工序卡2.doc | 82.00K |
4 | 工序卡3.doc | 81.50K |
5 | 工序卡4.doc | 80.00K |
6 | 工序卡5.doc | 90.50K |
7 | 工序卡6.doc | 89.00K |
8 | 工艺过程.doc | 62.50K |
9 | 毛坯图——A4.dwg | 72.28K |
10 | 气门摇轴支座.dwg | 75.03K |
11 | 设计说明书.doc | 880.00K |
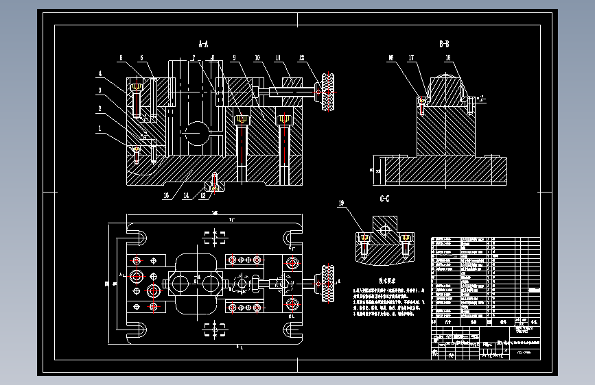
12 | 铣夹具体——A2.dwg | 79.94K |
13 | 铣装配图——A1.dwg | 158.20K |
此图纸下载需要75金币
立即下载
发布者
拼搏的高山
创作: 6430
粉丝: 78
加入时间:2023-12-13

模型信息
图纸格式:dwg
文件大小:922.91KB
所需金币:75
上传时间:2024-04-11 10:00:38
是否可编辑:可修改,包括参数
版本:AutoCAD 2004
标签
图纸简介
版权说明
用户在本站上传的作品如侵犯到您的权益,请与本站管理员联系删除。用户在本站下载的原创作品,只拥有作品的使用权,著作权归原作者所有,未经合法授权,用户不得以任何形式发布、传播、复制、转售该作品。
作者其它图纸 查看更多