K242--轴承座加工工艺及铣两侧面夹具设计【刀架】(ID:1466445)
# | 文件名称 | 文件大小 |
---|---|---|
1 | 17191196504276.zip | 1.09M |
2 | 夹具体.dwg | 39.69K |
3 | 机械加工工艺过程卡片.doc | 60.00K |
4 | 毛坯图.dwg | 79.06K |
5 | 目录.doc | 21.50K |
6 | 装配图.dwg | 214.21K |
7 | 说明书.doc | 629.50K |
8 | 零件图.dwg | 62.38K |
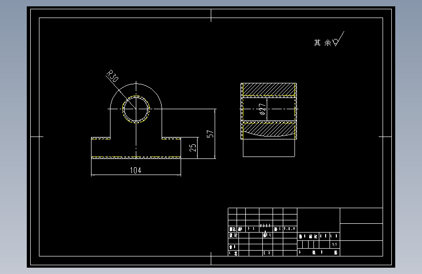
9 | 0工件尺寸.png | 341.56K |
10 | 工序卡片1.doc | 76.50K |
11 | 工序卡片2.doc | 75.50K |
12 | 工序卡片3.doc | 81.00K |
13 | 工序卡片4.doc | 75.00K |
14 | 工序卡片5.doc | 75.00K |
15 | 工序卡片6.doc | 99.00K |
16 | 工序卡片7.doc | 83.00K |
17 | 工序卡片8.doc | 81.00K |
此图纸下载需要200金币
立即下载
发布者
愉快的咖啡豆
创作: 24612
粉丝: 677
加入时间:2023-06-16

模型信息
图纸格式:dwg
文件大小:1.11M
所需金币:200
上传时间:2024-06-23 13:14:10
是否可编辑:可修改,包括参数
版本:AutoCAD 2004
标签
图纸简介
版权说明
用户在本站上传的作品如侵犯到您的权益,请与本站管理员联系删除。用户在本站下载的原创作品,只拥有作品的使用权,著作权归原作者所有,未经合法授权,用户不得以任何形式发布、传播、复制、转售该作品。
作者其它图纸 查看更多
猜你喜欢