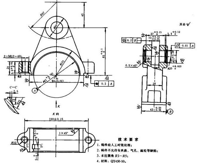
1885--连杆盖的工艺规程及钻2-M12孔夹具设计(ID:1466998)
# | 文件名称 | 文件大小 |
---|---|---|
1 | 17191277888514.zip | 1.81M |
2 | 1885--连杆盖.jpg | 64.24K |
3 | 任务与规范2017.doc | 458.50K |
4 | 夹具体.dwg | 84.67K |
5 | 工序卡片.docx | 26.87K |
6 | 机械制造工艺学课程设计说明.pdf | 1.09M |
7 | 机械加工工艺过程卡.docx | 16.63K |
8 | 毛坯图.dwg | 82.27K |
9 | 装配图.dwg | 176.45K |
10 | 连杆盖.dwg | 108.70K |
11 | 连杆盖.jpg | 64.24K |
12 | 钻说明书.doc | 225.50K |
此图纸下载需要200金币
立即下载
发布者
愉快的咖啡豆
创作: 24692
粉丝: 683
加入时间:2023-06-16

模型信息
图纸格式:dwg,pdf
文件大小:1.86M
所需金币:200
上传时间:2024-06-23 15:29:49
是否可编辑:可修改,包括参数
版本:AutoCAD 2004
标签
图纸简介
版权说明
用户在本站上传的作品如侵犯到您的权益,请与本站管理员联系删除。用户在本站下载的原创作品,只拥有作品的使用权,著作权归原作者所有,未经合法授权,用户不得以任何形式发布、传播、复制、转售该作品。