履带喷雾机CAD(ID:1531813)
# | 文件名称 | 文件大小 |
---|---|---|
1 | 1724332729814.rar | 1.63M |
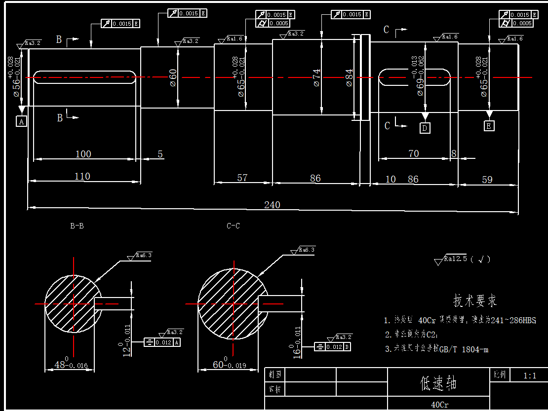
2 | 总配体A0.dwg | 1.98M |
3 | 轴A4.dwg | 211.56K |
4 | 齿轮A4.dwg | 334.25K |
此图纸下载需要200金币
立即下载
发布者
战斗机(代做私信)
创作: 3244
粉丝: 73
加入时间:2021-02-23

模型信息
图纸格式:dwg
文件大小:1.67M
所需金币:200
上传时间:2024-08-22 21:18:50
是否可编辑:可修改,包括参数
版本:AutoCAD 2004
标签
图纸简介
此图纸是果园轴流式多通道喷雾机设计,底部是履带行走机构,采用发动机进行动力提供,上部采用塔型架进行多通道喷雾设计,能够满足果林机械作业农艺要求,实现喷雾,要求设计合理、结构简单、操作方便、在提高提高农药的利用率的情况下,又能够达到环保的要求,工作效率高效,真正实现了高效、经济、节能、环保的要求。
版权说明
用户在本站上传的作品如侵犯到您的权益,请与本站管理员联系删除。用户在本站下载的原创作品,只拥有作品的使用权,著作权归原作者所有,未经合法授权,用户不得以任何形式发布、传播、复制、转售该作品。