棉花打顶机打顶高度自动控制装置的设计含12张CAD图(ID:1559848)
# | 文件名称 | 文件大小 |
---|---|---|
1 | 17257875767935.zip | 2.27M |
2 | C4010简介-棉花打顶机打顶高度自动控制装置的设计含12张CAD图.pdf | 632.75K |
3 | proteus电路图.zip | 58.73K |
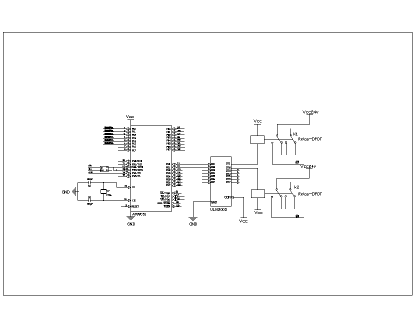
4 | 单片机外围电路.dwg | 71.02K |
5 | 字数.JPG | 76.35K |
6 | 封面.doc | 11.50K |
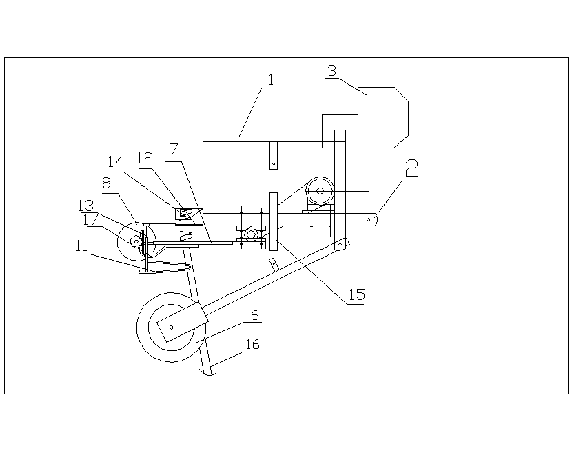
7 | 打顶刀具高度示意图.dwg | 42.50K |
8 | 棉花打顶控制系统硬件示意图.dwg | 38.71K |
9 | 棉花打顶机.dwg | 51.34K |
10 | 液压控制思路.dwg | 38.28K |
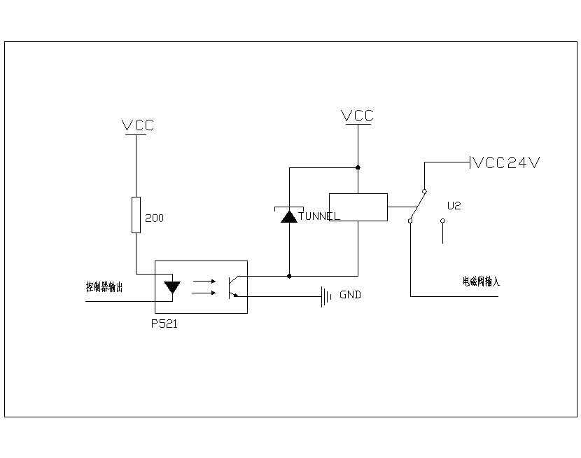
11 | 电磁换向阀控制电路.dwg | 48.32K |
12 | 系统控制图原理图.dwg | 37.41K |
13 | 系统控制示意图.dwg | 41.72K |
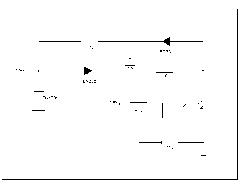
14 | 红外光发射电路.dwg | 49.79K |
15 | 红外光接收电路.dwg | 53.14K |
16 | 编码器输出波形相位图.dwg | 37.97K |
17 | 说明书-棉花打顶机打顶高度自动控制装置的设计.doc | 1023.32K |
18 | 鉴相计数.dwg | 38.96K |
19 | 1字数.JPG | 76.35K |
20 | 2摘要.JPG | 126.58K |
21 | 3设计所包含文件.JPG | 175.72K |
22 | 4目录.JPG | 185.79K |
23 | 单片机外围电路.gif | 7.77K |
24 | 打顶刀具高度示意图.gif | 5.53K |
25 | 棉花打顶控制系统硬件示意图.gif | 6.28K |
26 | 棉花打顶机.gif | 8.88K |
27 | 液压控制思路.gif | 9.92K |
28 | 电磁换向阀控制电路.gif | 6.47K |
29 | 系统控制图原理图.gif | 7.13K |
30 | 系统控制示意图.gif | 7.95K |
31 | 红外光发射电路.gif | 5.67K |
32 | 红外光接收电路.gif | 6.45K |
33 | 编码器输出波形相位图.gif | 7.39K |
34 | 鉴相计数.gif | 5.25K |
35 | PLC硬件连接电路.DSN | 87.01K |
36 | 控制器外围电路.DSN | 121.75K |
37 | 红外发射电路.DSN | 67.02K |
38 | 红外接收电路.DSN | 67.84K |
此图纸下载需要200金币
立即下载
发布者
设计吧
创作: 5032
粉丝: 44
加入时间:2024-02-20

模型信息
图纸格式:pdf,dwg
文件大小:2.33M
所需金币:200
上传时间:2024-09-08 17:26:17
是否可编辑:可修改,包括参数
版本:AutoCAD 2004
标签
图纸简介
版权说明
用户在本站上传的作品如侵犯到您的权益,请与本站管理员联系删除。用户在本站下载的原创作品,只拥有作品的使用权,著作权归原作者所有,未经合法授权,用户不得以任何形式发布、传播、复制、转售该作品。
作者其它图纸 查看更多