M3812-苯-乙苯筛板式连续精馏塔流程图与装配图(ID:1564443)
# | 文件名称 | 文件大小 |
---|---|---|
1 | 17259487499580.zip | 5.99M |
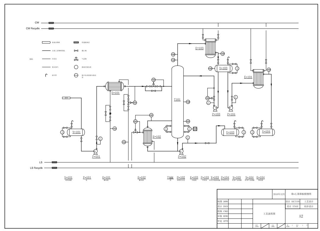
2 | 精馏塔流程图.png | 118.47K |
3 | 精馏塔装配图.png | 236.17K |
4 | 说明书目录.png | 144.48K |
5 | 精馏塔流程图1.dwg | 791.68K |
6 | 精馏塔装配图2.dwg | 643.24K |
7 | 说明书.doc | 24.22M |
此图纸下载需要9金币
立即下载
发布者
活力的皮带
创作: 91222
粉丝: 78
加入时间:2023-07-26

模型信息
图纸格式:dwg
文件大小:6.13M
所需金币:9
上传时间:2024-09-10 14:12:30
是否可编辑:可修改,包括参数
版本:AutoCAD
标签
图纸简介
版权说明
用户在本站上传的作品如侵犯到您的权益,请与本站管理员联系删除。用户在本站下载的原创作品,只拥有作品的使用权,著作权归原作者所有,未经合法授权,用户不得以任何形式发布、传播、复制、转售该作品。
猜你喜欢