M0627-年产10万吨甲醇精制工艺设计CAD+说明(ID:1584023)
# | 文件名称 | 文件大小 |
---|---|---|
1 | 17264676508977.zip | 1.26M |
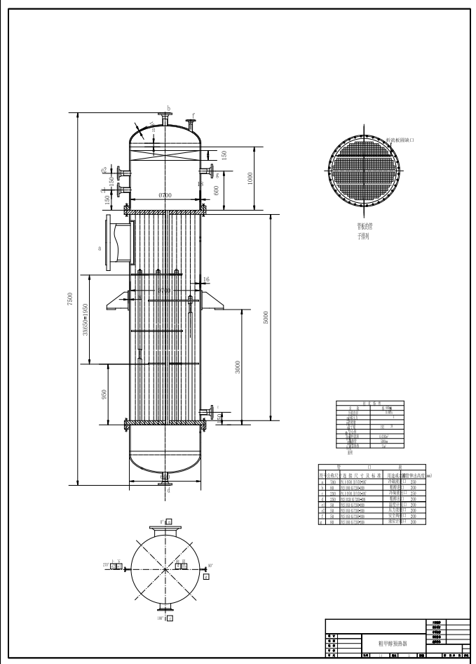
2 | 00A-粗甲醇预热器.png | 84.46K |
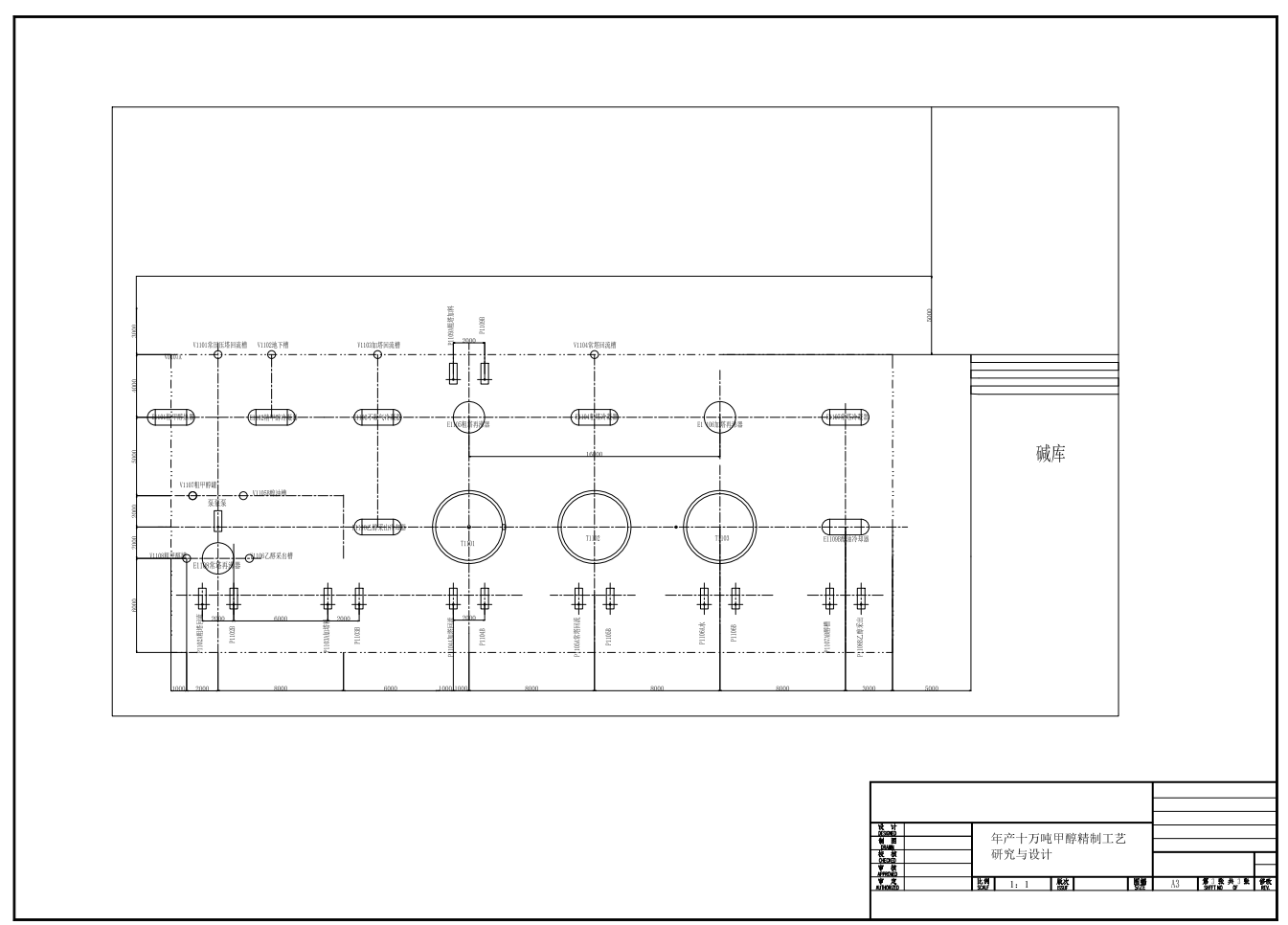
3 | 0A-平面布置图.png | 86.65K |
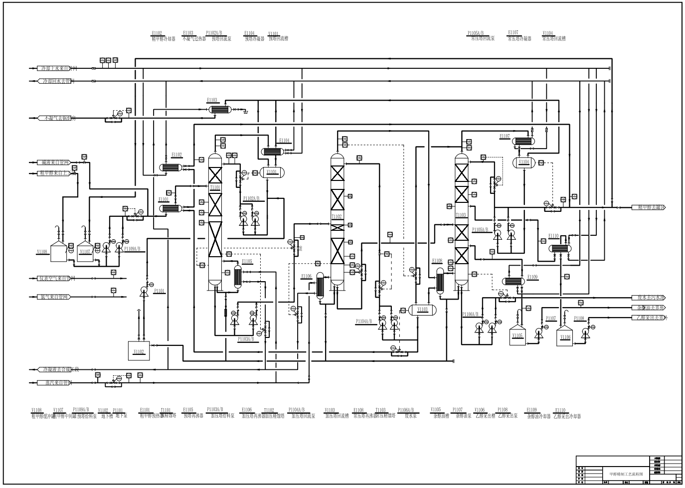
4 | 0A-甲醇精馏工艺流程图.png | 179.24K |
5 | 0微信截图_20230728211754.png | 12.01K |
6 | 0说明书目录.png | 184.99K |
7 | 平面布置图.dwg | 387.21K |
8 | 新建文本文档.txt | 707B |
9 | 甲醇精馏工艺流程图.dwg | 562.19K |
10 | 粗甲醇预热器.dwg | 477.40K |
11 | 说明书.doc | 1.55M |
此图纸下载需要49金币
立即下载
发布者
活力的皮带
创作: 91222
粉丝: 75
加入时间:2023-07-26

模型信息
图纸格式:dwg
文件大小:1.29M
所需金币:49
上传时间:2024-09-16 14:20:51
是否可编辑:可修改,包括参数
版本:AutoCAD
标签
图纸简介
版权说明
用户在本站上传的作品如侵犯到您的权益,请与本站管理员联系删除。用户在本站下载的原创作品,只拥有作品的使用权,著作权归原作者所有,未经合法授权,用户不得以任何形式发布、传播、复制、转售该作品。
作者其它图纸 查看更多