M0530-颗粒包装机横封切断装置三维SW2010带参+CAD+说明(ID:1584369)
查找相似图纸
截图
AI截图渲染
✨AI图片渲染
| # | 文件名称 | 文件大小 |
|---|---|---|
| 1 | 17264790408248.zip | 12.58M |
| 2 | 00前面.png | 46.63K |
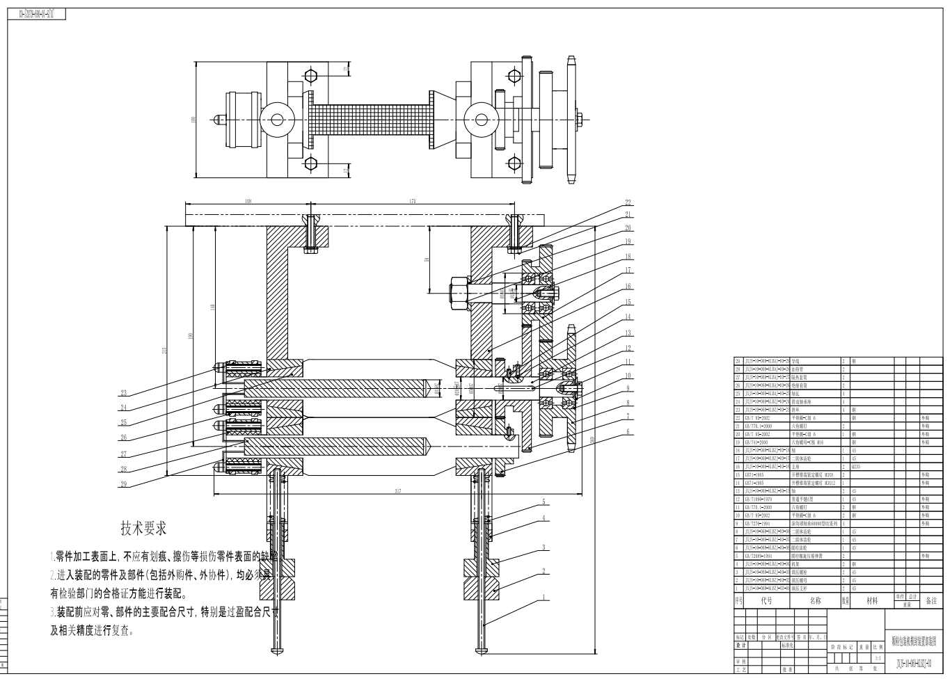
| 3 | 0A-切断装置.png | 173.18K |
| 4 | 0A-总装图.png | 241.84K |
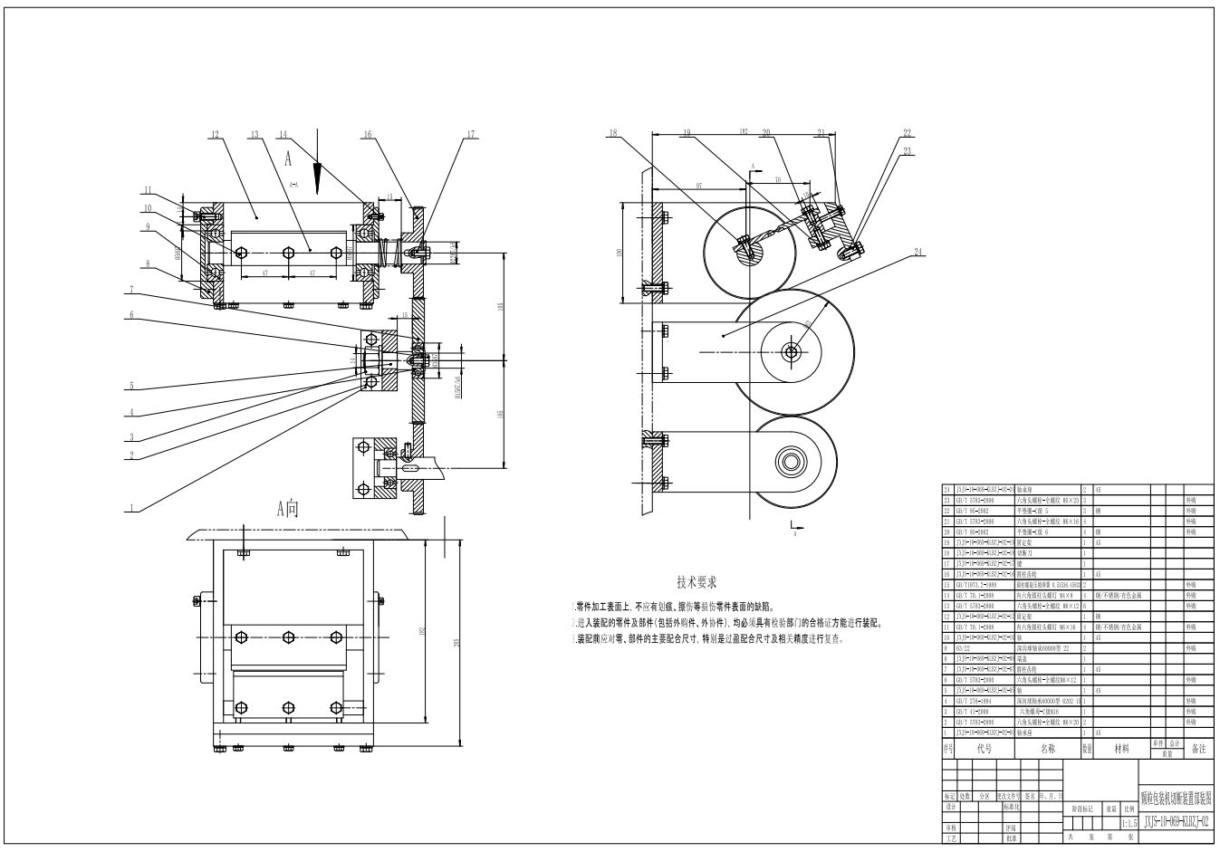
| 5 | 0A-横封装置部装图.png | 206.99K |
| 6 | 0微信截图_20230724075103.png | 21.51K |
| 7 | 0微信截图_20230724075113.png | 34.97K |
| 8 | 0说明书目录.png | 231.95K |
| 9 | 主轴部分.dwg | 327.46K |
| 10 | 主轴零件图.dwg | 305.50K |
| 11 | 传动部分.dwg | 380.32K |
| 12 | 切断装置.dwg | 474.52K |
| 13 | 小带轮.dwg | 225.16K |
| 14 | 总装图.dwg | 840.97K |
| 15 | 支座.dwg | 215.03K |
| 16 | 横封装置部装图.dwg | 430.44K |
| 17 | 端盖零件图.dwg | 202.78K |
| 18 | 说明书.doc | 4.23M |
| 19 | zou支座.SLDPRT | 132.00K |
| 20 | 刀.SLDPRT | 81.00K |
| 21 | 刀座.SLDPRT | 193.00K |
| 22 | 刀轴.SLDPRT | 132.50K |
| 23 | 圆柱齿轮30×3.SLDPRT | 460.00K |
| 24 | 圆柱齿轮30×3带定位销.SLDPRT | 371.00K |
| 25 | 圆柱齿轮42×3.SLDPRT | 393.50K |
| 26 | 支座.SLDPRT | 113.00K |
| 27 | 支撑板.SLDPRT | 74.50K |
| 28 | 深沟球轴承6006-2RZ[GB/T276-94]55.SLDPRT | 705.50K |
| 29 | 深沟球轴承6202-2Z[GB/T276-94]中间的.SLDPRT | 701.00K |
| 30 | 深沟球轴承6203-2Z[GB/T276-94]轴下的.SLDPRT | 701.00K |
| 31 | 深沟球轴承6304[GB/T276-94]上.SLDPRT | 561.00K |
| 32 | 装配体4.SLDASM | 1.13M |
| 33 | 轴下.SLDPRT | 154.00K |
| 34 | 零件16.SLDPRT | 107.50K |
| 35 | zongzhuangtu.stp | 3.92M |
| 36 | 主动链轮.SLDPRT | 649.00K |
| 37 | 加热器.SLDPRT | 114.50K |
| 38 | 圆柱齿轮17×3.SLDPRT | 256.50K |
| 39 | 圆柱齿轮19×3小孔.SLDPRT | 270.00K |
| 40 | 圆柱齿轮27×3.SLDPRT | 334.00K |
| 41 | 圆柱齿轮27×3带轴承的.SLDPRT | 344.00K |
| 42 | 圆柱齿轮36×3.SLDPRT | 325.00K |
| 43 | 小轴.SLDPRT | 126.00K |
| 44 | 总装图(低版本).SLDASM | 939.50K |
| 45 | 支座.SLDPRT | 241.00K |
| 46 | 支座右.SLDPRT | 152.00K |
| 47 | 深沟球轴承6202-2Z[GB/T276-94].SLDPRT | 701.00K |
| 48 | 短轴.SLDPRT | 299.00K |
| 49 | 装配体1.SLDASM | 939.50K |
| 50 | 轴.SLDPRT | 175.00K |
| 51 | 轴套.SLDPRT | 122.00K |
| 52 | 零件1.SLDPRT | 117.00K |
此图纸下载需要49金币
立即下载
发布者
活力的皮带
创作: 97639
粉丝: 113
加入时间:2023-07-26
模型信息
图纸ID:1584369
图纸格式:dwg,sldprt,sldasm,stp
文件大小:12.88M
所需金币:49
上传时间:2024-09-16 17:30:45
是否可编辑:可修改,包括参数
软件版本:STEP
标签
图纸简介
版权说明
用户在本站上传的作品如侵犯到您的权益,请与本站管理员联系删除。用户在本站下载的原创作品,只拥有作品的使用权,著作权归原作者所有,未经合法授权,用户不得以任何形式发布、传播、复制、转售该作品。
作者其它图纸 查看更多
AI渲染-将平面图渲染为真实效果图
原图
渲染图
正在渲染中,请稍候...


0.png)



1.png)
2.png)
3.png)
4.png)


