越野车液压主动悬架系统设计【5张CAD图纸】(ID:1615814)
# | 文件名称 | 文件大小 |
---|---|---|
1 | 17286427951752.zip | 1.01M |
2 | A0-悬架车高调节机构.gif | 12.62K |
3 | A0-悬架阻尼调节机构.gif | 10.46K |
4 | A0-液压缸.gif | 11.04K |
5 | A1-压电式开关阀.gif | 14.62K |
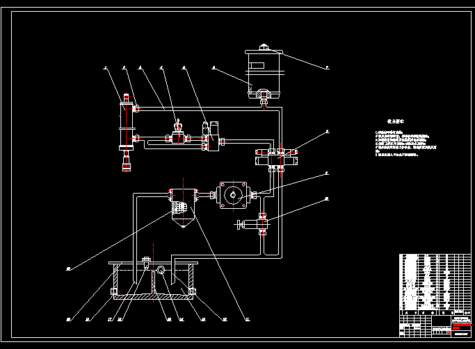
6 | A1-液压系统图.gif | 11.71K |
7 | 中期检查表.doc | 110.50K |
8 | 任务书.doc | 118.00K |
9 | 全部CAD图纸-5张.dwg | 528.92K |
10 | 全部CAD图纸-5张.png | 23.73K |
11 | 封面.doc | 15.00K |
12 | 开题报告.doc | 210.38K |
13 | 摘要.doc | 17.50K |
14 | 目录.doc | 40.15K |
15 | 说明书正文.doc | 750.36K |
16 | 过程管理材料.doc | 162.00K |
此图纸下载需要150金币
立即下载
发布者
愉快的咖啡豆
创作: 24615
粉丝: 680
加入时间:2023-06-16

模型信息
图纸格式:dwg
文件大小:1.03M
所需金币:150
上传时间:2024-10-11 18:33:15
是否可编辑:可修改,包括参数
版本:AutoCAD 2004
标签
图纸简介
版权说明
用户在本站上传的作品如侵犯到您的权益,请与本站管理员联系删除。用户在本站下载的原创作品,只拥有作品的使用权,著作权归原作者所有,未经合法授权,用户不得以任何形式发布、传播、复制、转售该作品。
作者其它图纸 查看更多