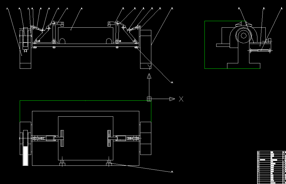
发动机翻转夹具设计(ID:2012006)
截图
AI截图渲染
✨AI图片渲染
| # | 文件名称 | 文件大小 |
|---|---|---|
| 1 | 17443767086925.rar | 625.96K |
| 2 | 0度.bmp | 388.24K |
| 3 | 120度以后.bmp | 317.72K |
| 4 | QQ截图20130106115516.gif | 12.57K |
| 5 | 发动机翻转夹具设计-副本.doc | 84.50K |
| 6 | 发动机翻转夹具设计.doc | 462.00K |
| 7 | 夹具小装配.dwg | 63.69K |
| 8 | 夹具小装配.exb | 107.00K |
| 9 | 夹紧机械.JPG | 8.93K |
| 10 | 液压图.dwg | 43.87K |
| 11 | 液压图.exb | 94.00K |
| 12 | 装配图.dwg | 110.59K |
| 13 | 装配图.exb | 144.00K |
| 14 | (00主要图纸预览.doc | 109.00K |
| 15 | jietu20210316214847.png | 11.49K |
| 16 | jietu20210316214916.png | 19.58K |
| 17 | jietu20210316214923.png | 11.89K |
| 18 | jietu20210316214930.png | 13.57K |
| 19 | jietu20210316214946.png | 10.16K |
| 20 | jietu20210316214959.png | 7.66K |
| 21 | jietu20210316215005.png | 9.40K |
| 22 | jietu20210316215012.png | 11.60K |
此图纸下载需要180金币
立即下载
发布者
图纸修改代做18067474399
创作: 1285
粉丝: 11
加入时间:2025-04-11
模型信息
图纸格式:dwg
文件大小:640.98KB
所需金币:180
上传时间:2025-04-11 21:05:08
是否可编辑:可修改,包括参数
版本:AutoCAD 2004
标签
图纸简介
版权说明
用户在本站上传的作品如侵犯到您的权益,请与本站管理员联系删除。用户在本站下载的原创作品,只拥有作品的使用权,著作权归原作者所有,未经合法授权,用户不得以任何形式发布、传播、复制、转售该作品。
作者其它图纸 查看更多
AI渲染-将平面图渲染为真实效果图
原图
渲染图
正在渲染中,请稍候...

0.png)








0.png)
0.png)


