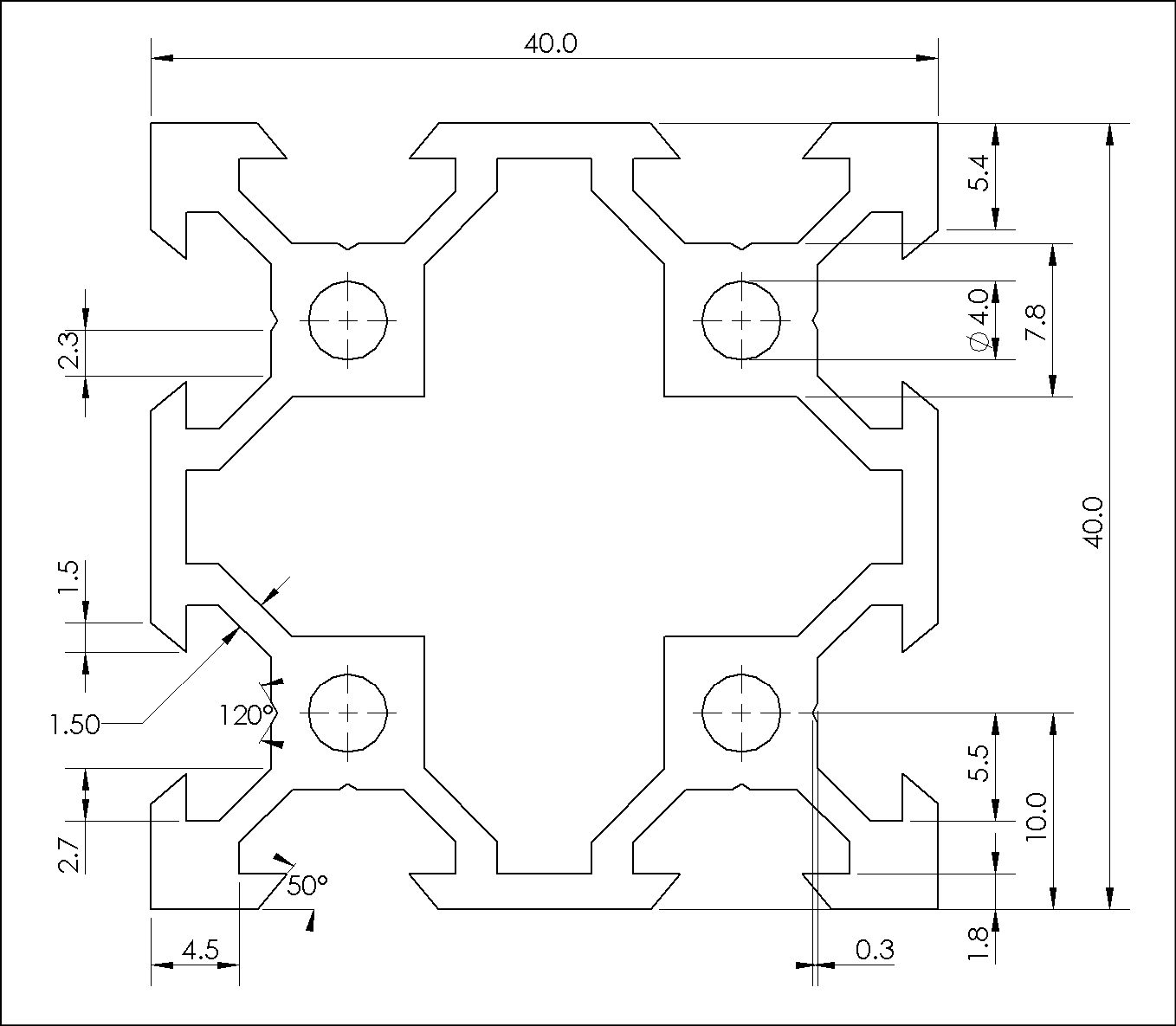
40 x 40 铝型材(ID:2506053)
# | 文件名称 | 文件大小 |
---|---|---|
1 | 17547275673633.zip | 1.42M |
2 | 4040Aluminiumprofile.JPG | 890.09K |
3 | 4040Aluminiumprofile.SLDPRT | 195.00K |
4 | 4040Aluminiumprofile.STEP | 338.20K |
5 | 4040Aluminiumprofiledimensions.png | 25.69K |
此图纸下载需要20金币
立即下载
发布者
任性的百合
创作: 183544
粉丝: 175
加入时间:2024-09-01

模型信息
图纸格式:sldprt,step
文件大小:1.45M
所需金币:20
上传时间:2025-08-09 16:19:29
是否可编辑:可修改,包括参数
版本:SOLIDWORKS 2023
标签
图纸简介
版权说明
用户在本站上传的作品如侵犯到您的权益,请与本站管理员联系删除。用户在本站下载的原创作品,只拥有作品的使用权,著作权归原作者所有,未经合法授权,用户不得以任何形式发布、传播、复制、转售该作品。
猜你喜欢