8万吨年1,3-丙二醇生产项目初步设计(ID:2690540)
# | 文件名称 | 文件大小 |
---|---|---|
1 | 17592358023971.zip | 510.11M |
2 | 0-文档得分索引表.docx | 256.39K |
3 | 1-可行性报告.docx | 1.91M |
4 | 10.1-E0609换热器计算说明书.docx | 2.44M |
5 | 10.2-T0304塔设备计算说明书.docx | 1.69M |
6 | 10.3-R0501反应器计算说明书.docx | 1.93M |
7 | 10.4-V0501气液分离器.docx | 346.15K |
8 | 11-能量衡算书.docx | 445.35K |
9 | 12-物料衡算书.docx | 669.76K |
10 | 2-初步设计说明书.docx | 3.85M |
11 | 3-创新性设计说明书.docx | 1.77M |
12 | 4-安全预评价报告.docx | 1.20M |
13 | 5-环境影响评价报告.docx | 379.89K |
14 | 6-能量集成与换热网络设计.docx | 1.38M |
15 | 7-MSDS一览表.docx | 379.03K |
16 | 8-绿色发展2025指标说明书.docx | 472.50K |
17 | 9-设备选型一览表.docx | 344.59K |
18 | 附录1-公用工程供应协议及方案.docx | 75.72K |
19 | 附录2-HAZOP分析报告.docx | 116.60K |
20 | 1.全流程模拟不含节能与换热.bkp | 2.41M |
21 | 2.全流程模拟含节能不含换热.bkp | 2.63M |
22 | 3.全流程模拟含节能含换热网络.bkp | 2.86M |
23 | Aspen流程运行情况说明.txt | 721B |
24 | 全流程有节能有换热运行无错误无警告.mp4 | 2.51M |
25 | 丙烯泄漏爆炸区模拟.alo | 4.73K |
26 | 丙烯泄露爆炸区模拟.jpg | 206.68K |
27 | 丙烯的毒性模拟.alo | 4.73K |
28 | 丙烯的毒性模拟.jpg | 192.17K |
29 | 丙烯的泄露可燃区模拟.alo | 4.73K |
30 | 丙烯的泄露可燃区模拟.jpg | 205.74K |
31 | 丙烯酸毒性模拟.alo | 4.73K |
32 | 丙烯酸毒性模拟.png | 191.09K |
33 | 丙烯酸泄露可燃区模拟.alo | 4.73K |
34 | 丙烯酸泄露可燃区模拟.png | 245.55K |
35 | 氢气池火模拟.alo | 4.73K |
36 | 氢气池火模拟.jpg | 202.11K |
37 | 01-噪声背景图.BIF | 164B |
38 | 02-噪声分析.ein | 24.19K |
39 | 03-噪声分析.xlsx | 27.85K |
40 | 04-噪声分布图.JPG | 525.00K |
41 | 05-总厂平面图.jpg | 1.54M |
42 | 中空纤维膜分离器故障.ffta | 13.46K |
43 | 中空纤维膜分离器故障.jpg | 67.18K |
44 | 储罐泄漏.ffta | 9.19K |
45 | 储罐泄漏.jpg | 33.36K |
46 | 化学品中毒.ffta | 6.28K |
47 | 化学品中毒.jpg | 16.37K |
48 | 反应器爆炸.ffta | 8.92K |
49 | 反应器爆炸.jpg | 31.43K |
50 | 管道泄漏.jpg | 40.20K |
51 | 管道泄露.ffta | 9.95K |
52 | 罐区爆炸.ffta | 12.18K |
53 | 罐区爆炸.jpg | 56.31K |
54 | T0304-V14CaseDecrease10.dynf | 622.09K |
55 | T0304-V14CaseIncrease10.dynf | 617.66K |
56 | T0304.bkp | 194.58K |
57 | T0304动态模拟说明书.docx | 2.09M |
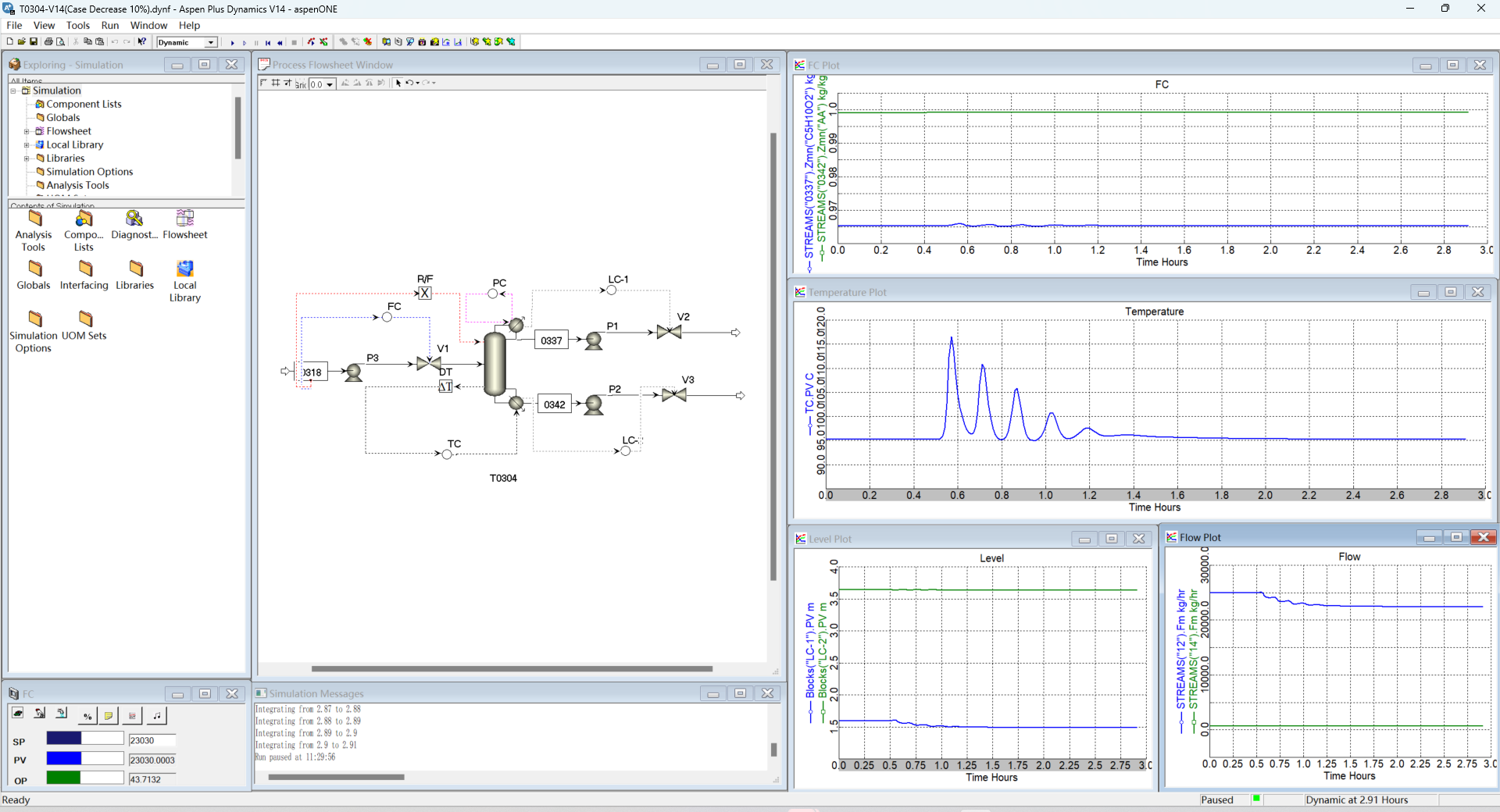
58 | 温度控制器的整定.png | 181.07K |
59 | 进料干扰减少10.mp4 | 7.38M |
60 | 进料干扰减少10塔顶回流罐和塔釜液槽液位变化情况.png | 53.50K |
61 | 进料干扰减少10塔顶塔底流股关键组分纯度(w)变化情况.png | 71.74K |
62 | 进料干扰减少10塔顶塔釜馏出物质量流量变化情况.png | 63.86K |
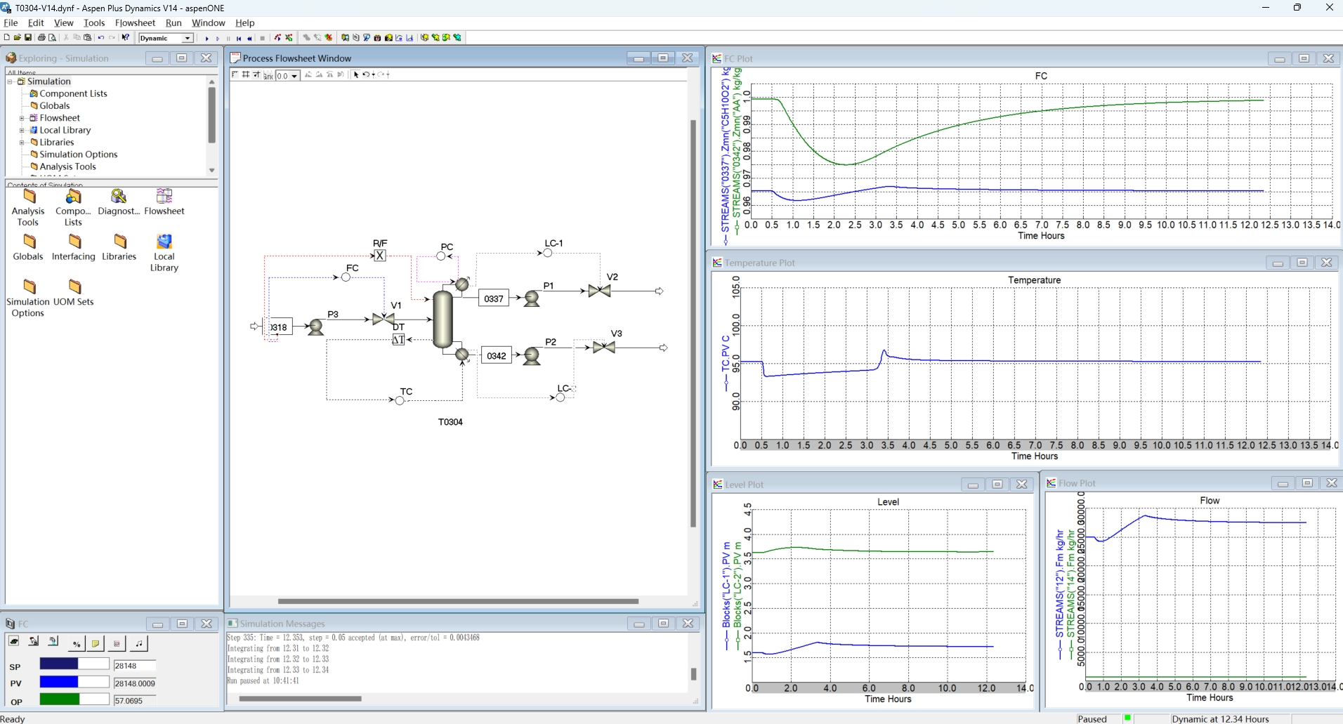
63 | 进料干扰减少10整体变化情况.png | 278.87K |
64 | 进料干扰减少10灵敏板(8th板)温度变化情况.png | 71.91K |
65 | 进料干扰增加10.mp4 | 20.51M |
66 | 进料干扰增加10塔顶回流罐和塔釜液槽液位变化情况.png | 48.04K |
67 | 进料干扰增加10塔顶塔底流股关键组分纯度变化情况.png | 100.56K |
68 | 进料干扰增加10塔顶塔釜馏出物质量流量变化情况.png | 65.33K |
69 | 进料干扰增加10整体变化情况.png | 477.72K |
70 | 进料干扰增加10灵敏板(8th板)温度变化情况.png | 65.88K |
71 | AM_SAI.appdf | 647.07K |
72 | AM_SAI.aprpdf | 339.86K |
73 | commonshellsettings.xml | 4.63K |
74 | PropsPlus.ads | 1.89K |
75 | propsplus.aprhis | 6.29K |
76 | propsplus.aprpdf | 339.86K |
77 | PropsPlus.def | 229B |
78 | PropsPlus.his | 2.30K |
79 | PropsPlus.rep | 0B |
80 | snapshot.bak | 6.21M |
81 | snpA0000.snp | 2.04M |
82 | snpA0001.snp | 2.45M |
83 | snpA0002.snp | 2.12M |
84 | snpA0003.snp | 4.65M |
85 | t0304-v14dyn.his | 987B |
86 | t0304-v14dyn.rep | 0B |
87 | tasksnap.bak | 3.85K |
88 | AM_SAI.appdf | 647.07K |
89 | AM_SAI.aprpdf | 339.86K |
90 | commonshellsettings.xml | 4.63K |
91 | PropsPlus.ads | 1.89K |
92 | propsplus.aprhis | 6.29K |
93 | propsplus.aprpdf | 339.86K |
94 | PropsPlus.def | 229B |
95 | PropsPlus.his | 2.30K |
96 | PropsPlus.rep | 0B |
97 | snapshot.bak | 5.71M |
98 | snpA0000.snp | 2.04M |
99 | snpA0001.snp | 2.45M |
100 | snpA0002.snp | 2.12M |
101 | snpA0003.snp | 4.65M |
102 | t0304-v14dyn.his | 987B |
103 | t0304-v14dyn.rep | 0B |
104 | tasksnap.bak | 3.85K |
105 | tasksnap.tsnp | 3.85K |
106 | Case1.aprbkp | 24.16K |
107 | Case1.aprop | 811.50K |
108 | Case1.apropz | 287.16K |
109 | Case1.def | 214B |
110 | 1-全流程模拟不含节能与换热.hch | 662.33K |
111 | 1.全流程模拟不含节能与换热.bkp | 2.41M |
112 | 2-全流程模拟含节能.hch | 685.36K |
113 | 2.全流程模拟含节能.bkp | 2.63M |
114 | 3-全流程模拟换热网络优化.hch | 12.91M |
115 | 3.全流程模拟含节能含换热网络.bkp | 1.15M |
116 | 4-换热网络带回全流程.hch | 760.88K |
117 | Aspen流程运行情况说明.txt | 721B |
118 | 全流程有节能有换热运行无错误无警告.mp4 | 2.51M |
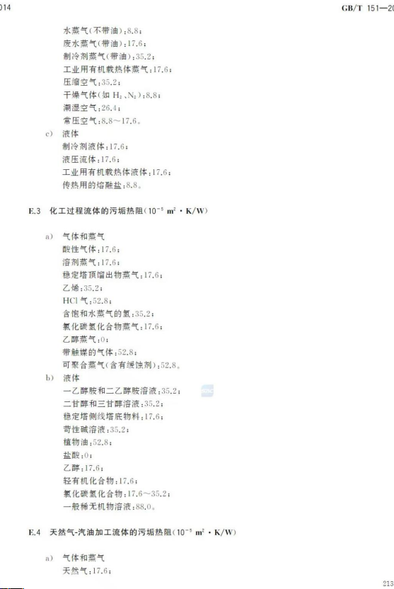
119 | E0608.EDR | 249.11K |
120 | E0609.EDR | 283.78K |
121 | 污垢热阻系数1.bmp | 1.79M |
122 | 污垢热阻系数2.bmp | 1.77M |
123 | R0501-直径与长度优化.bkp | 448.07K |
124 | R0501-设计结果.bkp | 438.56K |
125 | 反应动力学说明.docx | 1.05M |
126 | 3-羟基丙醛两段加氢制13-丙二醇催化剂的失活_唐勇.pdf | 345.76K |
127 | 3羟基丙醛加氢动力学.pdf | 521.83K |
128 | 丙烯选择性氧化制丙烯醛的动力学研究_王乐夫.pdf | 510.16K |
129 | 丙烯选择氧化制丙烯醛催化剂的研究_甘玉花.pdf | 10.85M |
130 | 丙烯醛水合加氢合成13-丙二醇工艺新技术开发研究_唐勇.pdf | 15.58M |
131 | 气体分布器和包括所述气体分布器的醋酸乙烯合成反应器_张敏华.pdf | 5.63M |
132 | 【1】DSTWU.bkp | 344.39K |
133 | 【2】T0304设计规范.bkp | 415.06K |
134 | 【3】T0304理论塔板数优化.bkp | 425.77K |
135 | 【4】T0304最佳进料位置.bkp | 198.19K |
136 | 【5】T0304回流比优化.bkp | 425.03K |
137 | 【6】T0304设计结果.bkp | 403.84K |
138 | T0304水力学校核.bkp | 511.79K |
139 | PFD2004.dwg | 1.69M |
140 | PID2004.dwg | 959.18K |
141 | 03-车间平立面布置图(2004版本).dwg | 1.25M |
142 | 平面厂区.dwg | 1.80M |
143 | R05012004.bak | 723.08K |
144 | R05012004.dwg | 723.08K |
145 | T03042004.bak | 74.06K |
146 | T03042004.dwg | 74.13K |
147 | E0608工艺条件图-2004.dwg | 72.72K |
148 | E0609工艺条件图-2004.dwg | 82.54K |
149 | 三维车间布置图.dwg | 1.74M |
150 | 三维配管布置图.dwg | 1.73M |
151 | 典型管道轴测图1.dwg | 94.77K |
152 | 典型管道轴测图2.dwg | 97.59K |
153 | 典型管道轴测图3.dwg | 103.27K |
154 | 三维厂区.skp | 192.28M |
155 | R0501.docx | 494.59K |
156 | R0501列管式固定床反应器.fx3 | 26.05K |
157 | E0608.docx | 133.16K |
158 | E0608.fx3 | 26.05K |
159 | E0609.docx | 274.56K |
160 | E0609.fe2 | 26.56K |
161 | T0304.cn2 | 32.58K |
162 | T0304.docx | 251.26K |
163 | 膜分离因子数据说明书.docx | 526.57K |
164 | 1.分离丙烯中微量水分复合膜的制备及渗透行为研究_王洪军.pdf | 3.77M |
165 | 2.一种3-羟基丙醛水溶液的提浓方法.pdf | 421.21K |
166 | HAZOP分析报告.pdf | 372.35K |
167 | 中海壳牌8万吨年13-丙二醇生产项目.opexxmh | 348.00K |
168 | PFD.pdf | 2.15M |
169 | PFD2004.dwg | 1.69M |
170 | PID.pdf | 3.28M |
171 | PID2004.dwg | 959.18K |
172 | 说明.txt | 0B |
173 | 03-车间平立面布置图(2004版本).dwg | 1.25M |
174 | 车间平立面图.pdf | 587.21K |
175 | 厂区总平面布置图.pdf | 503.77K |
176 | 平面厂区.dwg | 1.80M |
177 | E0608工艺条件图-2004-模型.pdf | 62.54K |
178 | E0609工艺条件图-2004-模型.pdf | 78.32K |
179 | R05012004-模型.pdf | 392.75K |
180 | T03042004-模型.pdf | 84.98K |
181 | 典型管道轴测图1.dwg | 94.77K |
182 | 典型管道轴测图1.pdf | 128.80K |
183 | 典型管道轴测图2.dwg | 97.59K |
184 | 典型管道轴测图2.pdf | 131.03K |
185 | 典型管道轴测图3.dwg | 103.27K |
186 | 典型管道轴测图3.pdf | 138.78K |
187 | 三维车间.dwg | 1.74M |
188 | 东北.pdf | 249.98K |
189 | 东南.pdf | 238.25K |
190 | 主视图.pdf | 17.89K |
191 | 俯视图.pdf | 17.12K |
192 | 西北.pdf | 266.93K |
193 | 西南.pdf | 228.09K |
194 | 三维厂区.skp | 192.28M |
195 | 厂区三维布置图1.pdf | 550.38K |
196 | 厂区三维布置图2.pdf | 553.78K |
197 | 厂区三维布置图3.pdf | 328.74K |
198 | 厂区三维布置图4.pdf | 464.70K |
199 | 厂区三维布置图5.pdf | 631.92K |
200 | 厂区三维布置图6.pdf | 61.97K |
201 | 三维配管.dwg | 1.73M |
202 | 三维配管东北.pdf | 126.49K |
203 | 三维配管东南.pdf | 137.21K |
204 | 三维配管俯视图.pdf | 13.89K |
205 | 三维配管正视图.pdf | 8.81K |
206 | 三维配管西北.pdf | 138.40K |
207 | 三维配管西南.pdf | 113.63K |
208 | 基于模糊故障树的中空纤维膜分离器可靠性分析_李天伦.pdf | 528.07K |
209 | 3-羟基丙醛两段加氢制13-丙二醇催化剂的失活_唐勇.pdf | 345.76K |
210 | 3羟基丙醛加氢动力学.pdf | 521.83K |
211 | 丙烯选择性氧化制丙烯醛的动力学研究_王乐夫.pdf | 510.16K |
212 | 丙烯选择氧化制丙烯醛催化剂的研究_甘玉花.pdf | 10.85M |
213 | 丙烯醛水合加氢合成13-丙二醇工艺新技术开发研究_唐勇.pdf | 15.58M |
214 | 气体分布器和包括所述气体分布器的醋酸乙烯合成反应器_张敏华.pdf | 5.63M |
此图纸下载需要520金币
立即下载
发布者
静
创作: 9855
粉丝: 6
加入时间:2025-05-27

模型信息
图纸格式:pdf,dwg,skp
文件大小:522.35M
所需金币:520
上传时间:2025-09-30 20:49:19
是否可编辑:可修改,包括参数
版本:AutoCAD 2004
标签
图纸简介
版权说明
用户在本站上传的作品如侵犯到您的权益,请与本站管理员联系删除。用户在本站下载的原创作品,只拥有作品的使用权,著作权归原作者所有,未经合法授权,用户不得以任何形式发布、传播、复制、转售该作品。
作者其它图纸 查看更多
猜你喜欢