年产3万吨异丙醇分厂设计项目6-典型设备工艺条件图CAD图纸(ID:2696150)
# | 文件名称 | 文件大小 |
---|---|---|
1 | 17593862712921.zip | 416.19K |
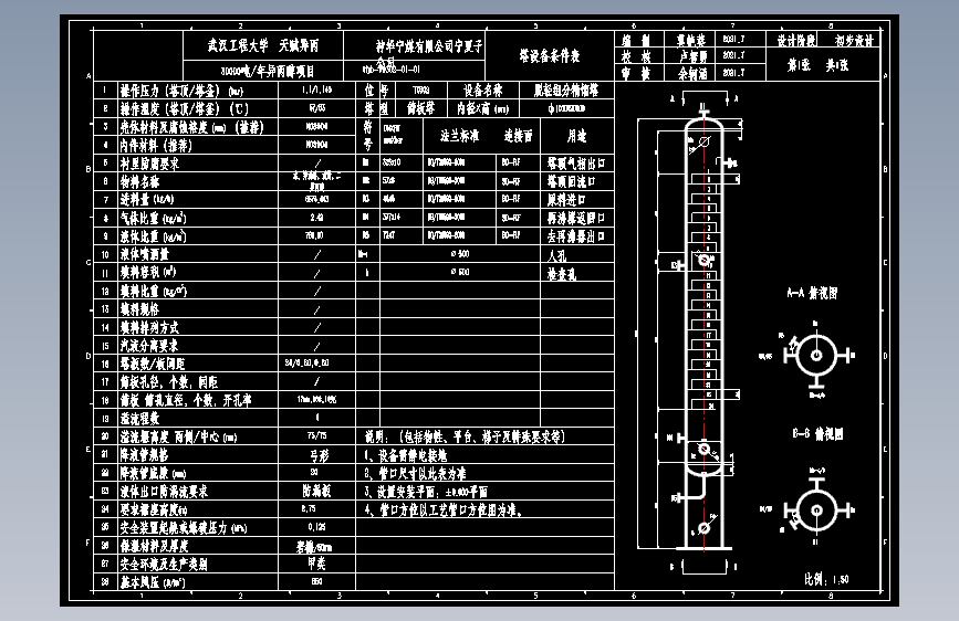
2 | 1-E0306工艺条件图.dwg | 170.10K |
3 | 2-T0302工艺条件图.dwg | 156.66K |
4 | 3-R0201工艺条件图.dwg | 184.80K |
此图纸下载需要100金币
立即下载
发布者
静
创作: 10514
粉丝: 6
加入时间:2025-05-27

模型信息
图纸格式:dwg
文件大小:426.18KB
所需金币:100
上传时间:2025-10-02 14:24:34
是否可编辑:可修改,包括参数
版本:AutoCAD 2004
标签
图纸简介
版权说明
用户在本站上传的作品如侵犯到您的权益,请与本站管理员联系删除。用户在本站下载的原创作品,只拥有作品的使用权,著作权归原作者所有,未经合法授权,用户不得以任何形式发布、传播、复制、转售该作品。
作者其它图纸 查看更多
猜你喜欢