2×350MW烟气脱硫资源化项目初步设计(ID:2709459)
查找相似图纸
截图
AI截图渲染
✨AI图片渲染
| # | 文件名称 | 文件大小 |
|---|---|---|
| 1 | 17599161565172.zip | 357.49M |
| 2 | Readme.txt | 1.07K |
| 3 | 厂区漫游.mp4 | 127.39M |
| 4 | 1.png | 22.06K |
| 5 | 2.png | 51.09K |
| 6 | 3.png | 65.01K |
| 7 | KineticModeloftheReactionofMethanolwithHydrogenSulfide.pdf | 116.83K |
| 8 | Kinetic_study_of_dimethylsulfide_and_methanethiol_synthesis1.pdf | 899.05K |
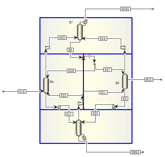
| 9 | PFD.pdf | 785.55K |
| 10 | PID.pdf | 1.53M |
| 11 | 换热器设备条件图.pdf | 167.49K |
| 12 | 甲硫醇反应器工艺条件图.pdf | 148.70K |
| 13 | 甲硫醇解吸塔工艺条件图.pdf | 326.88K |
| 14 | 甲硫醇分离车间平立面图.pdf | 355.35K |
| 15 | 厂区平面布置.pdf | 218.54K |
| 16 | 甲硫醇分离车间管道轴测图1.jpg | 321.93K |
| 17 | 甲硫醇分离车间管道轴测图2.jpg | 301.88K |
| 18 | 01-大门看车间.jpg | 767.09K |
| 19 | 02-俯视全貌.jpg | 1.05M |
| 20 | 03-南门全貌.jpg | 724.83K |
| 21 | 04-车间.jpg | 660.02K |
| 22 | 05-车间2.jpg | 933.95K |
| 23 | 06-脱硫车间.jpg | 867.50K |
| 24 | 07-原料罐区、产品仓库.jpg | 1.19M |
| 25 | 08-消防中心.jpg | 542.39K |
| 26 | 1.jpg | 359.91K |
| 27 | 2.jpg | 373.93K |
| 28 | 3.jpg | 364.64K |
| 29 | 4.jpg | 321.93K |
| 30 | 0-项目摘要.pdf | 1.46M |
| 31 | 1-可行性报告.pdf | 2.11M |
| 32 | 2-初步设计说明书.pdf | 8.15M |
| 33 | 3-创新性设计说明书.pdf | 1.38M |
| 34 | 4-典型设备设计说明书.pdf | 8.27M |
| 35 | 5-环境影响评估报告.pdf | 2.65M |
| 36 | 6-安全预评价报告.pdf | 2.10M |
| 37 | 厂区平面布置2007-模型.pdf | 8.15M |
| 38 | 附录1-物料、能量衡算一览表.pdf | 2.12M |
| 39 | 附录2-设备选型一览表.pdf | 1.20M |
| 40 | 附录3-换热网络设计设计说明书.pdf | 1.31M |
| 41 | 附录4-经济分析.pdf | 1.96M |
| 42 | 附录5-MSDS报告.pdf | 1.73M |
| 43 | readme.txt | 144B |
| 44 | 全流程不包括换热网络.bkp | 2.32M |
| 45 | 全流程加换热网络.bkp | 1.47M |
| 46 | 双塔和隔壁塔能耗对比.xls | 41.00K |
| 47 | 隔壁塔双塔能耗对比.bkp | 3.34M |
| 48 | 1.png | 22.06K |
| 49 | 2.png | 51.09K |
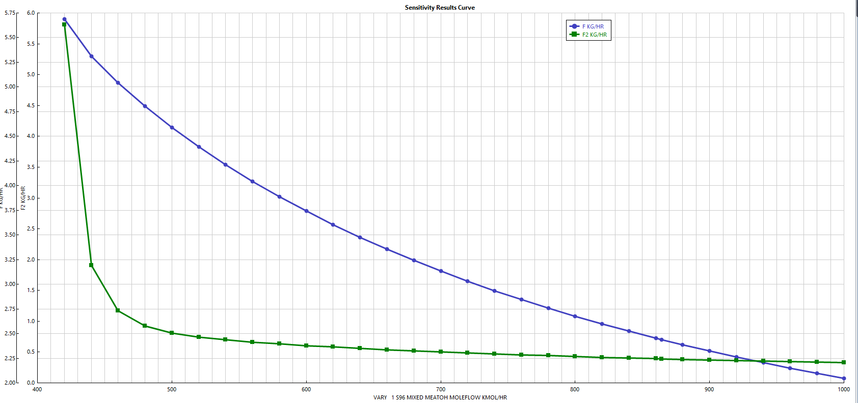
| 50 | 3.png | 65.01K |
| 51 | KineticModeloftheReactionofMethanolwithHydrogenSulfide.pdf | 116.83K |
| 52 | Kinetic_study_of_dimethylsulfide_and_methanethiol_synthesis1.pdf | 899.05K |
| 53 | 热力学可行.bkp | 2.45M |
| 54 | 低温甲醇洗.bkp | 246.52K |
| 55 | 低温甲醇洗改造优化后模拟.bkp | 1.28M |
| 56 | 低温甲醇洗甲醇量优化.bkp | 1.05M |
| 57 | 总厂改造克劳斯硫磺回收工艺.bkp | 901.01K |
| 58 | 低温甲醇洗吸收塔改造前模拟.bkp | 1.06M |
| 59 | 低温甲醇洗吸收塔改造后模拟.bkp | 1.10M |
| 60 | 有机胺RateBased吸收模型吸收可行性验.bkp | 516.50K |
| 61 | 隔壁塔双塔模拟.bkp | 862.54K |
| 62 | 高温气流床.apwz | 1.67M |
| 63 | 两段绝热式固定床传热模拟.bkp | 3.69M |
| 64 | 体积.png | 58.46K |
| 65 | 催化剂.png | 56.55K |
| 66 | 反应器传热模拟.bkp | 3.80M |
| 67 | 反应器体积优化.bkp | 3.77M |
| 68 | 反应器催化剂用量优化.bkp | 3.76M |
| 69 | 反应器等温模拟.bkp | 3.75M |
| 70 | 反应器绝热模拟.bkp | 3.75M |
| 71 | 转化关系.png | 56.80K |
| 72 | T0301吸收剂用量优化.bkp | 2.50M |
| 73 | T0301塔板数优化.bkp | 2.43M |
| 74 | T0301塔板数优化.xls | 38.00K |
| 75 | 吸收剂.png | 66.22K |
| 76 | T0401回流比优化.bkp | 2.64M |
| 77 | 回流比.png | 68.85K |
| 78 | 塔板数.png | 60.10K |
| 79 | 进料板.png | 54.98K |
| 80 | 预精馏塔T0401塔板数优化.bkp | 3.57M |
| 81 | 预精馏塔T0401进料板优化.bkp | 3.65M |
| 82 | T0302塔板数优化.bkp | 2.42M |
| 83 | T0302馏出流量优化.bkp | 2.51M |
| 84 | 塔板数.png | 73.60K |
| 85 | 馏出摩尔量.png | 57.31K |
| 86 | 主塔板数.bkp | 608.68K |
| 87 | 主塔板数.png | 23.32K |
| 88 | 侧采位置.bkp | 669.22K |
| 89 | 侧采位置.png | 38.43K |
| 90 | 侧采量.bkp | 706.72K |
| 91 | 侧采量.png | 49.95K |
| 92 | 基于经济评价回流比的优化.bkp | 591.00K |
| 93 | 经济评价回流比优化.png | 34.85K |
| 94 | 进料板位置.bkp | 713.55K |
| 95 | 隔壁塔塔板数和隔板位置优化.xls | 41.00K |
| 96 | 隔板位置.bkp | 786.71K |
| 97 | readme.txt | 554B |
| 98 | 二甲基硫醚典型泄漏事故模拟.docx | 128.86K |
| 99 | 二甲基硫醚典型泄漏事故模拟.rsm | 526B |
| 100 | 有毒有害物质在大气中的扩散预测.docx | 109.46K |
| 101 | 有毒有害物质在大气中的扩散预测.rsm | 509B |
| 102 | 二甲基硫醚池火事故模型预测.docx | 117.78K |
| 103 | 二甲基硫醚池火事故模型预测.rsm | 212B |
| 104 | 沸腾液体扩展蒸汽爆炸模型预测.docx | 125.05K |
| 105 | 沸腾液体扩展蒸汽爆炸模型预测.rsm | 221B |
| 106 | 二甲基硫醚蒸汽云爆炸模型预测.docx | 112.31K |
| 107 | 二甲基硫醚蒸汽云爆炸模型预测.rsm | 175B |
| 108 | 甲硫醇典型泄漏事故模拟.docx | 128.92K |
| 109 | 甲硫醇典型泄漏事故模拟.rsm | 513B |
| 110 | 有毒有害气体在大气中的扩散预测.docx | 111.70K |
| 111 | 有毒有害物质在大气中的扩散预测.rsm | 497B |
| 112 | 池火事故模型预测.docx | 112.15K |
| 113 | 池火事故模型预测.rsm | 204B |
| 114 | 沸腾液体扩展蒸汽爆炸模型预测.docx | 127.40K |
| 115 | 沸腾液体扩展蒸汽爆炸模型预测.rsm | 212B |
| 116 | 甲硫醇蒸汽云爆炸模型预测.docx | 109.46K |
| 117 | 甲硫醇蒸汽云爆炸模型预测.rsm | 166B |
| 118 | 甲醇典型泄漏事故模拟.docx | 128.70K |
| 119 | 甲醇典型泄漏事故模拟.rsm | 504B |
| 120 | 有毒有害物质在大气中的扩散预测.rsm | 491B |
| 121 | 甲醇储罐有毒有害气体在大气中的扩散预测.docx | 110.50K |
| 122 | 甲醇储罐池火事故模型预测.rsm | 202B |
| 123 | 甲醇储罐池火模型.docx | 116.89K |
| 124 | 沸腾液体扩展蒸汽爆炸.docx | 125.77K |
| 125 | 沸腾液体扩展蒸汽爆炸.rsm | 209B |
| 126 | 甲醇储罐蒸汽云爆炸模型.docx | 108.94K |
| 127 | 甲醇蒸汽云爆炸模型预测.rsm | 163B |
| 128 | 储罐泄露扩散分析报告.doc | 1.55M |
| 129 | 情景三:二甲基硫醚-ELEVE模拟.alo | 4.61K |
| 130 | 情景三:二甲基硫醚-ELEVE模拟.png | 17.74K |
| 131 | 情景三:二甲基硫醚-毒气模拟.alo | 4.61K |
| 132 | 情景三:二甲基硫醚-毒气模拟.png | 16.30K |
| 133 | 情景三:二甲基硫醚-池火事故模拟.alo | 4.61K |
| 134 | 情景三:二甲基硫醚-池火事故模拟.png | 18.16K |
| 135 | 情景三:二甲基硫醚-热辐射模拟.alo | 4.61K |
| 136 | 情景三:二甲基硫醚-热辐射模拟.png | 13.80K |
| 137 | 情景三:二甲基硫醚-蒸气云爆炸模拟.alo | 4.61K |
| 138 | 情景三:二甲基硫醚-蒸气云爆炸模拟.png | 15.34K |
| 139 | 情景二:甲硫醇-BLEVE模拟.alo | 4.61K |
| 140 | 情景二:甲硫醇-BLEVE模拟.png | 18.86K |
| 141 | 情景二:甲硫醇-毒气模拟.alo | 4.61K |
| 142 | 情景二:甲硫醇-毒气模拟.png | 16.43K |
| 143 | 情景二:甲硫醇-池火事故模拟.alo | 4.61K |
| 144 | 情景二:甲硫醇-池火事故模拟.png | 16.71K |
| 145 | 情景二:甲硫醇-热辐射模拟.alo | 4.61K |
| 146 | 情景二:甲硫醇-热辐射模拟.png | 13.50K |
| 147 | 情景二:甲硫醇-蒸气云爆炸模拟.alo | 4.61K |
| 148 | 情景二:甲硫醇-蒸气云爆炸模拟.png | 17.54K |
| 149 | 情景一:甲醇-BLEVE模拟.alo | 4.61K |
| 150 | 情景一:甲醇-BLEVE模拟.png | 17.57K |
| 151 | 情景一:甲醇-毒气模拟.alo | 4.61K |
| 152 | 情景一:甲醇-毒气模拟.png | 17.10K |
| 153 | 情景一:甲醇-池火事故模拟.alo | 4.61K |
| 154 | 情景一:甲醇-池火事故模拟.png | 16.08K |
| 155 | 情景一:甲醇-热辐射模拟.alo | 4.61K |
| 156 | 情景一:甲醇-热辐射模拟.png | 13.74K |
| 157 | 情景一:甲醇-蒸气云爆炸模拟.alo | 4.61K |
| 158 | 情景一:甲醇-蒸气云爆炸模拟.png | 15.15K |
| 159 | 0-项目摘要.doc | 1.77M |
| 160 | 1-可行性报告.doc | 2.80M |
| 161 | 2-初步设计说明书.doc | 4.85M |
| 162 | 3-创新性设计说明书.docx | 1.24M |
| 163 | 4-典型设备设计说明书.doc | 6.76M |
| 164 | 5-环境影响评估报告.doc | 1.73M |
| 165 | 6-安全预评价报告.doc | 1.93M |
| 166 | 典型设备设计说明书.doc | 162B |
| 167 | 初步设计说明书.doc | 162B |
| 168 | 附录1-物料、能量衡算一览表.doc | 1.14M |
| 169 | 附录2-设备选型一览表.doc | 869.00K |
| 170 | 附录3-换热网络设计设计说明书.doc | 1.25M |
| 171 | 附录4-经济分析.docx | 942.01K |
| 172 | 附录5-MSDS报告.doc | 1.72M |
| 173 | 换热器EDR源文件.bkp | 4.41M |
| 174 | 本项目污垢热阻系数经验值来源.doc | 42.00K |
| 175 | 1.png | 193.38K |
| 176 | 2.png | 141.55K |
| 177 | 3.png | 668.51K |
| 178 | 4.png | 940.67K |
| 179 | E0101.pdf | 310.86K |
| 180 | E0101换热.EDR | 307.76K |
| 181 | 1.png | 176.64K |
| 182 | 2.png | 139.11K |
| 183 | 3.png | 705.99K |
| 184 | 4.png | 1.04M |
| 185 | E0102.pdf | 311.97K |
| 186 | E0102出热泵换热.EDR | 298.86K |
| 187 | 1.png | 177.82K |
| 188 | 2.png | 135.89K |
| 189 | 3.png | 711.87K |
| 190 | 4.png | 1.33M |
| 191 | E0103.pdf | 298.82K |
| 192 | E0103再沸.EDR | 311.21K |
| 193 | 1.png | 178.32K |
| 194 | 2.png | 135.94K |
| 195 | 3.png | 710.03K |
| 196 | 4.png | 1.09M |
| 197 | E0201.pdf | 310.93K |
| 198 | E0201反应低温预热.EDR | 283.68K |
| 199 | 1.png | 182.77K |
| 200 | 2.png | 142.72K |
| 201 | 3.png | 711.92K |
| 202 | 4.png | 1.10M |
| 203 | E0202.pdf | 309.67K |
| 204 | E0202反应预热.EDR | 265.90K |
| 205 | 1.png | 203.48K |
| 206 | 2.png | 159.93K |
| 207 | 3.png | 667.32K |
| 208 | 4.png | 700.77K |
| 209 | 甲醇冷却器.pdf | 310.75K |
| 210 | 甲醇预热器.edr | 268.70K |
| 211 | 1.png | 194.83K |
| 212 | 2.png | 147.85K |
| 213 | 3.png | 639.50K |
| 214 | 4.png | 911.44K |
| 215 | E0237.EDR | 405.45K |
| 216 | E0237.pdf | 236.21K |
| 217 | 1.png | 176.62K |
| 218 | 2.png | 135.36K |
| 219 | 3.png | 677.28K |
| 220 | 4.png | 776.39K |
| 221 | E0238.pdf | 298.47K |
| 222 | E0238冷却25°.EDR | 251.92K |
| 223 | 1.png | 177.32K |
| 224 | 2.png | 134.15K |
| 225 | 3.png | 754.44K |
| 226 | 4.png | 750.62K |
| 227 | E0239.pdf | 300.29K |
| 228 | E0239隔壁塔再沸.EDR | 259.44K |
| 229 | 1.png | 179.01K |
| 230 | 2.png | 137.87K |
| 231 | 3.png | 714.21K |
| 232 | 4.png | 999.54K |
| 233 | E0241.EDR | 292.76K |
| 234 | E0241.pdf | 236.46K |
| 235 | 1.png | 193.82K |
| 236 | 2.png | 151.33K |
| 237 | 3.png | 710.12K |
| 238 | 4.png | 984.51K |
| 239 | E0245.pdf | 298.36K |
| 240 | E0245冷却25°.EDR | 257.21K |
| 241 | 1.png | 176.76K |
| 242 | 2.png | 143.68K |
| 243 | 3.png | 674.42K |
| 244 | 4.png | 867.54K |
| 245 | E0247.pdf | 299.15K |
| 246 | E0247水冷0°.EDR | 270.06K |
| 247 | 1.png | 176.56K |
| 248 | 2.png | 135.71K |
| 249 | 3.png | 688.69K |
| 250 | 4.png | 808.34K |
| 251 | E0248.pdf | 300.22K |
| 252 | E0248隔壁后水冷25°.EDR | 239.27K |
| 253 | 1.png | 176.09K |
| 254 | 2.png | 143.74K |
| 255 | 3.png | 380.68K |
| 256 | 4.png | 890.71K |
| 257 | E0249.pdf | 263.48K |
| 258 | E0249隔壁后空冷.EDR | 394.94K |
| 259 | 1.png | 176.85K |
| 260 | 2.png | 152.45K |
| 261 | 3.png | 657.65K |
| 262 | 4.png | 624.54K |
| 263 | E0251.pdf | 300.03K |
| 264 | E0251隔壁冷凝器.EDR | 246.91K |
| 265 | 1.png | 179.11K |
| 266 | 2.png | 140.45K |
| 267 | 3.png | 685.97K |
| 268 | 4.png | 852.79K |
| 269 | E0252.pdf | 310.47K |
| 270 | E0252甲醇精馏冷凝.EDR | 268.14K |
| 271 | 1.png | 182.43K |
| 272 | 2.png | 142.16K |
| 273 | 3.png | 695.05K |
| 274 | 4.png | 633.19K |
| 275 | E0254.pdf | 300.02K |
| 276 | E0254甲醇塔再沸.EDR | 280.44K |
| 277 | 1.png | 167.55K |
| 278 | 2.png | 137.66K |
| 279 | 3.png | 442.17K |
| 280 | 4.png | 1.14M |
| 281 | E0255.pdf | 264.55K |
| 282 | E0255甲醇空冷器.EDR | 425.80K |
| 283 | 1.png | 167.92K |
| 284 | 2.png | 136.87K |
| 285 | 3.png | 389.79K |
| 286 | 4.png | 721.81K |
| 287 | E0256.pdf | 263.93K |
| 288 | E0256空冷器.EDR | 378.61K |
| 289 | 1.png | 179.60K |
| 290 | 2.png | 138.29K |
| 291 | 3.png | 688.51K |
| 292 | 4.png | 665.52K |
| 293 | E0259.pdf | 311.48K |
| 294 | E0259甲醇精馏塔水冷20°.EDR | 248.30K |
| 295 | 1.png | 183.45K |
| 296 | 2.png | 143.48K |
| 297 | 3.png | 684.06K |
| 298 | 4.png | 895.86K |
| 299 | E0263.pdf | 300.36K |
| 300 | E0263解析后水冷25°.EDR | 260.25K |
| 301 | 1.png | 199.38K |
| 302 | 2.png | 161.18K |
| 303 | 3.png | 663.44K |
| 304 | 4.png | 611.17K |
| 305 | DMS冷却器.edr | 242.85K |
| 306 | DMS冷却器.pdf | 299.09K |
| 307 | 1.png | 145.94K |
| 308 | 2.png | 188.93K |
| 309 | 3.png | 669.73K |
| 310 | 4.png | 709.08K |
| 311 | MT冷却器.edr | 241.92K |
| 312 | MT冷却器.pdf | 299.04K |
| 313 | WRL1177.tmp | 1.47M |
| 314 | WRL3670.tmp | 1.47M |
| 315 | 附录3-换热网络设计设计说明书.pdf | 1009.35K |
| 316 | 优化后总费用和最小传热温差的关系.png | 19.68K |
| 317 | 全流程换热网络.hch | 1.17M |
| 318 | 全流程换热网络修改经济参数后.hch | 1.56M |
| 319 | 全流程换热网络未优化.hch | 1.93M |
| 320 | 组合曲线.png | 20.28K |
| 321 | 组合曲线1.png | 21.70K |
| 322 | 总费用和最小传热温差的关系.png | 18.45K |
| 323 | 第一工段换热网络优化前(加热泵).hch | 747.03K |
| 324 | 第一工段换热网络优化后(加热泵).hch | 230.16K |
| 325 | 组合曲线.png | 16.45K |
| 326 | 二氧化硫解吸塔T0103(V10.bkp | 4.07M |
| 327 | 第一塔段参数一.png | 70.93K |
| 328 | 第一塔段参数二.png | 102.33K |
| 329 | 第三塔段参数一.png | 73.63K |
| 330 | 第三塔段参数二.png | 93.95K |
| 331 | 第二塔段参数一.png | 117.77K |
| 332 | 第二塔段参数二.png | 106.82K |
| 333 | 负荷性能图.png | 285.26K |
| 334 | 甲硫醇吸收塔T0301.bkp | 4.43M |
| 335 | 甲硫醇吸收塔参数1.png | 88.22K |
| 336 | 甲硫醇吸收塔参数2.png | 111.48K |
| 337 | 负荷性能图.png | 179.76K |
| 338 | 甲硫醇解吸塔T0302.bkp | 3.99M |
| 339 | 甲硫醇解吸塔参数1.png | 62.38K |
| 340 | 甲硫醇解吸塔参数2.png | 95.21K |
| 341 | 负荷性能图.png | 187.04K |
| 342 | 第一塔段参数1参数2.png | 301.24K |
| 343 | 第一塔段参数3.png | 309.29K |
| 344 | 第一塔段负荷性能图.png | 281.07K |
| 345 | 第三塔段参数1参数2.png | 302.84K |
| 346 | 第三塔段参数3.png | 326.89K |
| 347 | 第三塔段负荷性能图.png | 292.14K |
| 348 | 第二塔段右侧参数1参数2.png | 277.38K |
| 349 | 第二塔段右侧参数3.png | 278.56K |
| 350 | 第二塔段右侧负荷性能图.png | 272.05K |
| 351 | 第二塔段左侧负荷性能图.png | 287.67K |
| 352 | 第二塔段隔板左侧参数.png | 211.17K |
| 353 | 隔壁塔四塔模型.png | 35.71K |
| 354 | 隔壁塔设计.bkp | 1.10M |
| 355 | 第一塔段参数截图1.png | 146.98K |
| 356 | 第一塔段参数截图2.png | 162.53K |
| 357 | 第二塔段参数截图1.png | 89.71K |
| 358 | 第二塔段参数截图2.png | 101.34K |
| 359 | 负荷性能图.png | 172.13K |
| 360 | 预精馏塔T0401.bkp | 3.67M |
| 361 | 二氧化硫解吸塔T0102.cn2 | 30.20K |
| 362 | 二氧化硫解吸塔T0102.doc | 654.00K |
| 363 | 甲硫醇吸收塔T0301.cn2 | 30.20K |
| 364 | 甲硫醇吸收塔T0301.doc | 549.50K |
| 365 | 甲硫醇解吸塔T0302.cn2 | 30.20K |
| 366 | 甲硫醇解吸塔T0302.doc | 549.50K |
| 367 | 甲醇精制塔T0401.cn2 | 30.20K |
| 368 | 甲醇精制塔T0401.doc | 596.50K |
| 369 | 隔壁塔T0402.cn2 | 30.20K |
| 370 | 隔壁塔T0402.doc | 644.50K |
| 371 | 反应器.cn2 | 30.20K |
| 372 | 反应器.doc | 549.50K |
| 373 | E0238.fx3 | 24.27K |
| 374 | E0238.fx3.doc | 2.47M |
| 375 | WRL2104.tmp | 2.23M |
| 376 | E0409.fx3 | 24.27K |
| 377 | E0409.fx3.doc | 2.45M |
| 378 | PFD.dwg | 1.73M |
| 379 | PID.dwg | 2.53M |
| 380 | 厂区平面布置.dwg | 255.69K |
| 381 | 甲硫醇分离车间平立面图.dwg | 667.80K |
| 382 | 甲硫醇反应器工艺条件图.dwg | 197.50K |
| 383 | 甲硫醇解吸塔工艺条件图.dwg | 264.42K |
| 384 | 管道轴测图.dwg | 3.84M |
| 385 | PFD.dwg | 1.73M |
| 386 | PID.dwg | 2.66M |
| 387 | 厂区平面布置.dwg | 285.91K |
| 388 | 甲硫醇分离车间平立面图.dwg | 710.94K |
| 389 | 甲硫醇反应器工艺条件图.dwg | 226.84K |
| 390 | 甲硫醇解吸塔工艺条件图.dwg | 292.41K |
| 391 | 管道轴测图.dwg | 3.58M |
| 392 | 分离车间三维图.dwg | 8.53M |
| 393 | 厂区三维设计.skb | 42.74M |
| 394 | 厂区三维设计.skp | 42.77M |
| 395 | 换热器.pdf | 540.91K |
| 396 | 泵.pdf | 546.91K |
| 397 | 解吸塔.pdf | 665.61K |
此图纸下载需要520金币
立即下载
发布者
静
创作: 19677
粉丝: 26
加入时间:2025-05-27
模型信息
图纸ID:2709459
图纸格式:pdf,dwg,skp
文件大小:366.07M
所需金币:520
上传时间:2025-10-08 17:38:12
是否可编辑:可修改,包括参数
软件版本:AutoCAD 2013
标签
图纸简介
版权说明
用户在本站上传的作品如侵犯到您的权益,请与本站管理员联系删除。用户在本站下载的原创作品,只拥有作品的使用权,著作权归原作者所有,未经合法授权,用户不得以任何形式发布、传播、复制、转售该作品。
作者其它图纸 查看更多
猜你喜欢
AI渲染-将平面图渲染为真实效果图
原图
渲染图
正在渲染中,请稍候...

0.png)





















0.png)
0.png)
0.png)
0.png)






















































