自动德国硬度测量装置(ID:2734586)
查找相似图纸
截图
AI截图渲染
✨AI图片渲染
| # | 文件名称 | 文件大小 |
|---|---|---|
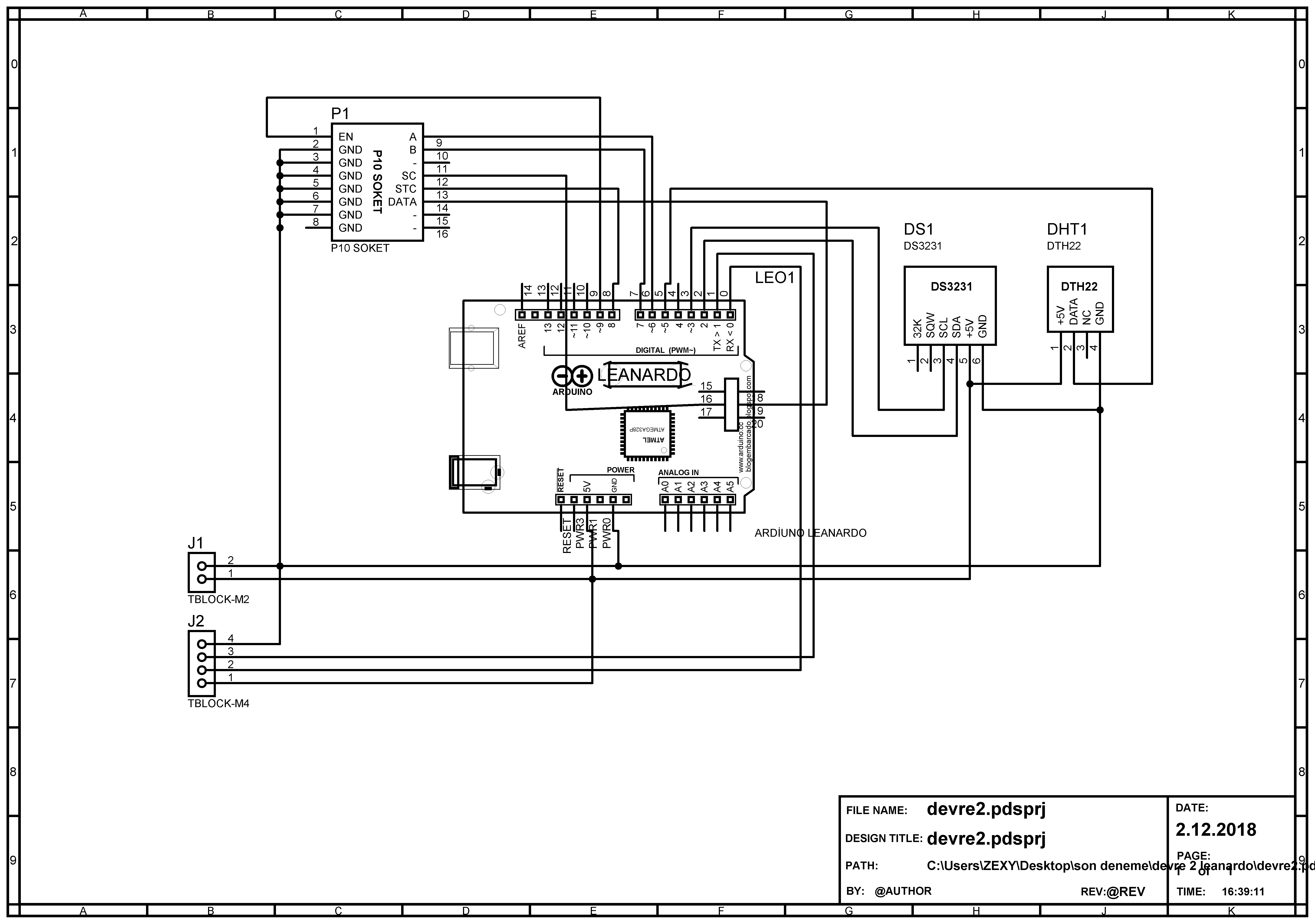
| 1 | devre.BMP | 3.09M |
| 2 | 20190220_220150_Film3.jpg | 6.11M |
| 3 | 20190220_220158_Film3.jpg | 8.13M |
| 4 | 20190224_200454_Film3.jpg | 6.20M |
| 5 | Assem1.JPG | 175.03K |
| 6 | Assem1.SLDASM | 1.79M |
| 7 | destek.sldprt | 74.68K |
| 8 | ekran.SLDPRT | 105.24K |
| 9 | kap.sldprt | 124.39K |
| 10 | pano.SLDPRT | 72.97K |
| 11 | pomba.SLDPRT | 115.89K |
| 12 | renksensör.SLDPRT | 159.70K |
| 13 | selenoid.SLDPRT | 148.83K |
| 14 | alt.STL | 105.84K |
| 15 | altlama.STL | 36.12K |
| 16 | enalt.STL | 46.76K |
| 17 | enüst.STL | 60.14K |
| 18 | gövde.STL | 18.44K |
| 19 | sensörlama.STL | 53.11K |
| 20 | titreşimblok.STL | 25.86K |
| 21 | yeniüst.STL | 299.40K |
| 22 | üstlama.STL | 34.95K |
| 23 | Arduino-Mega-PCB-2.pdf | 25.96K |
| 24 | devre.BMP | 3.09M |
| 25 | devre2.BMP | 3.09M |
| 26 | NewProject.BMP | 12.75K |
| 27 | NewProject0.BMP | 16.88K |
| 28 | PCB_SparkFun-Pro-Micro-v13a-PCB_20181202183036.pdf | 17.46K |
此图纸下载需要20金币
立即下载
发布者
任性的百合
创作: 242185
粉丝: 297
加入时间:2024-09-01
模型信息
图纸ID:2734586
图纸格式:sldasm,sldprt,stl,pdf
文件大小:34M
所需金币:20
上传时间:2025-10-16 22:51:21
是否可编辑:可修改,包括参数
软件版本:SOLIDWORKS 2015
标签
图纸简介
版权说明
用户在本站上传的作品如侵犯到您的权益,请与本站管理员联系删除。用户在本站下载的原创作品,只拥有作品的使用权,著作权归原作者所有,未经合法授权,用户不得以任何形式发布、传播、复制、转售该作品。
作者其它图纸 查看更多
AI渲染-将平面图渲染为真实效果图
原图
渲染图
正在渲染中,请稍候...

0.png)
1.png)
2.png)
3.png)
4.png)


