小型车钻铣床的钻削和铣削部件结构设计(ID:2820328)
查找相似图纸
截图
AI截图渲染
✨AI图片渲染
| # | 文件名称 | 文件大小 |
|---|---|---|
| 1 | 17629475515011.zip | 10.94M |
| 2 | A0总装图.SLDASM | 974.60K |
| 3 | GB/T5783-2000六角头螺栓全螺纹M10×25.SLDPRT | 176.68K |
| 4 | GB/T5783-2000六角头螺栓全螺纹M10×30.SLDPRT | 179.61K |
| 5 | GB/T5783-2000六角头螺栓全螺纹M8×16.SLDPRT | 166.37K |
| 6 | GB/T5783-2000六角头螺栓全螺纹M8×20.SLDPRT | 170.94K |
| 7 | GB/T5783-2000六角头螺栓全螺纹M8×35.SLDPRT | 173.48K |
| 8 | GB/T5783-2000六角头螺栓全螺纹M8×40.SLDPRT | 402.50K |
| 9 | GB/T6170-20001型六角螺母M10.SLDPRT | 121.85K |
| 10 | GB/T70.1-2000内六角圆柱头螺钉M10×20.SLDPRT | 238.50K |
| 11 | GB/T70.1-2000内六角圆柱头螺钉M10×40.SLDPRT | 248.50K |
| 12 | GB/T70.1-2000内六角圆柱头螺钉M6×16.SLDPRT | 107.31K |
| 13 | GB/T70.1-2000内六角圆柱头螺钉M8×25.SLDPRT | 107.80K |
| 14 | GB/T70.1-2000内六角圆柱头螺钉M8×35.SLDPRT | 250.50K |
| 15 | GB/T93-1987标准型弹性垫圈8.SLDPRT | 79.59K |
| 16 | GB/T97.1-2002平垫圈8.SLDPRT | 54.39K |
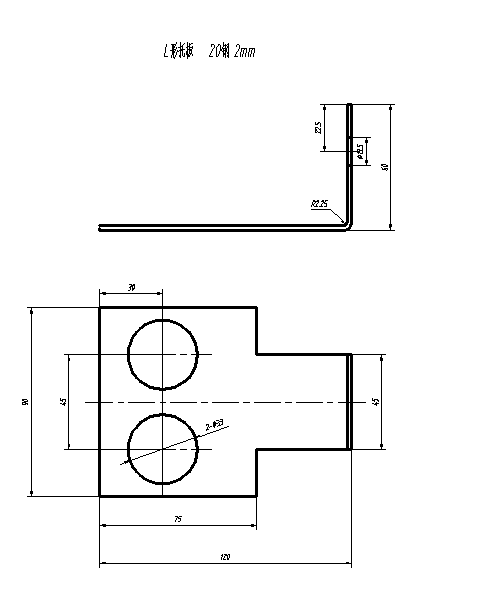
| 17 | 固定座.SLDPRT | 111.15K |
| 18 | 大溜板.SLDPRT | 228.65K |
| 19 | 安装座.SLDPRT | 148.27K |
| 20 | 安装座2.SLDPRT | 148.57K |
| 21 | 小溜板.SLDPRT | 221.47K |
| 22 | 底座.SLDPRT | 174.20K |
| 23 | 标准型弹性垫圈10.SLDPRT | 79.19K |
| 24 | 滚珠丝杠1.SLDPRT | 74.73K |
| 25 | 滚珠丝杠2-.SLDPRT | 78.45K |
| 26 | 滚珠丝杠2.SLDPRT | 95.21K |
| 27 | 滚珠丝杠螺母座.SLDPRT | 131.25K |
| 28 | 电机.SLDPRT | 616.97K |
| 29 | 电机2.SLDPRT | 616.77K |
| 30 | 直线导轨HGH30CA导轨-2.sldprt | 333.14K |
| 31 | 直线导轨HGH30CA导轨.sldprt | 354.50K |
| 32 | 直线导轨HGH30CA滑块.sldprt | 443.29K |
| 33 | 联轴器.SLDPRT | 131.00K |
| 34 | 调节脚垫.SLDPRT | 89.68K |
| 35 | 轴套1.SLDPRT | 132.31K |
| 36 | 轴套2.SLDPRT | 136.71K |
| 37 | 轴承6003.SLDPRT | 330.51K |
| 38 | 轴承座.SLDPRT | 178.60K |
| 39 | 轴承端盖.SLDPRT | 163.41K |
| 40 | A0总装图(中间格式.STEP | 6.50M |
| 41 | A0主轴箱装配图.dwg | 533.22K |
| 42 | A0总装配图.dwg | 347.92K |
| 43 | A1II轴装配图.dwg | 79.95K |
| 44 | A2VI轴.dwg | 103.31K |
| 45 | A2大溜板.dwg | 71.17K |
| 46 | A2安装座.dwg | 67.75K |
| 47 | A2导轨.dwg | 61.57K |
| 48 | A2滚珠丝杠1.dwg | 77.45K |
| 49 | A2滚珠丝杠2.dwg | 77.07K |
| 50 | A3II轴.dwg | 65.00K |
| 51 | A3VI轴.dwg | 73.85K |
| 52 | A3滚珠丝杠螺母座.dwg | 59.16K |
| 53 | A3联轴器1.DWG | 62.35K |
| 54 | A3轴套.dwg | 56.82K |
| 55 | A3轴承端盖.dwg | 61.60K |
| 56 | A3齿轮12.dwg | 65.75K |
| 57 | A3齿轮2.dwg | 61.44K |
| 58 | 设计说明书.doc | 2.40M |
此图纸下载需要300金币
立即下载
发布者
疯狂的机器猫
创作: 365
粉丝: 2
加入时间:2025-04-05
模型信息
图纸ID:2820328
图纸格式:sldasm,sldprt,step,dwg
文件大小:11.2M
所需金币:300
上传时间:2025-11-12 19:39:13
是否可编辑:可修改,包括参数
软件版本:SOLIDWORKS 2016
标签
图纸简介
版权说明
用户在本站上传的作品如侵犯到您的权益,请与本站管理员联系删除。用户在本站下载的原创作品,只拥有作品的使用权,著作权归原作者所有,未经合法授权,用户不得以任何形式发布、传播、复制、转售该作品。
作者其它图纸 查看更多
AI渲染-将平面图渲染为真实效果图
原图
渲染图
正在渲染中,请稍候...








0.png)
1.png)
2.png)
3.png)
4.png)