蜗轮壳铣80端面夹具设计(ID:2820369)
查找相似图纸
截图
AI截图渲染
✨AI图片渲染
| # | 文件名称 | 文件大小 |
|---|---|---|
| 1 | 17629509571634.zip | 460.39K |
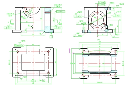
| 2 | 夹具体.dwg | 105.60K |
| 3 | 夹具设计说明书.doc | 479.25K |
| 4 | 机械加工工艺过程卡片改.doc | 89.27K |
| 5 | 蜗轮壳-毛坯图.dwg | 97.06K |
| 6 | 蜗轮壳-零件图.dwg | 174.89K |
| 7 | 铣80端面工序卡片.doc | 46.50K |
| 8 | 铣80端面装配图.dwg | 142.03K |
此图纸下载需要100金币
立即下载
发布者
疯狂的机器猫
创作: 365
粉丝: 2
加入时间:2025-04-05
模型信息
图纸ID:2820369
图纸格式:dwg
文件大小:471.44KB
所需金币:100
上传时间:2025-11-12 20:35:58
是否可编辑:可修改,包括参数
软件版本:AutoCAD 2004
标签
图纸简介
版权说明
用户在本站上传的作品如侵犯到您的权益,请与本站管理员联系删除。用户在本站下载的原创作品,只拥有作品的使用权,著作权归原作者所有,未经合法授权,用户不得以任何形式发布、传播、复制、转售该作品。
作者其它图纸 查看更多
AI渲染-将平面图渲染为真实效果图
原图
渲染图
正在渲染中,请稍候...




0.png)
0.png)
0.png)
0.png)