YE237-蜗轮减速器箱体工艺规程及夹具设计【镗左右通孔版本1】朝右【含CAD高清图纸和说明书】(ID:2849071)
查找相似图纸
截图
AI截图渲染
✨AI图片渲染
| # | 文件名称 | 文件大小 |
|---|---|---|
| 1 | 17640678659323.zip | 11.07M |
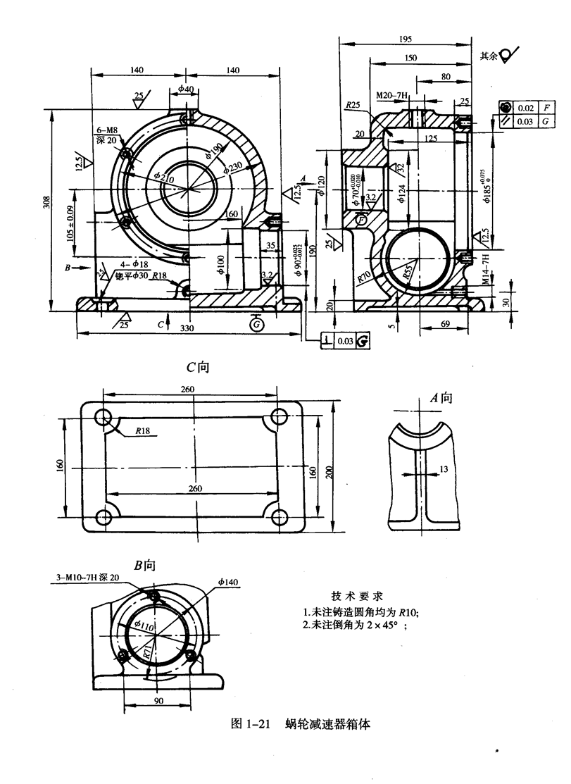
| 2 | 工件图.png | 229.29K |
| 3 | 蜗轮减速箱体毛坯图.dwg | 225.69K |
| 4 | 蜗轮蜗杆减速器壳体工艺卡片.doc | 111.50K |
| 5 | 蜗轮蜗杆减速器壳体说明书.doc | 1.86M |
| 6 | 蜗轮蜗杆减速器箱体.rtf | 4.34M |
| 7 | 蜗轮蜗杆减速器箱体机械加工工序卡.doc | 1.12M |
| 8 | 赵峰毕业设计任务书.doc | 56.50K |
| 9 | 镗套支架.png | 9.14K |
| 10 | 镗孔∅185-70的镗床夹具体.png | 8.84K |
| 11 | 镗孔∅185-70的镗床夹具装配图.png | 17.55K |
| 12 | 镗左右通孔所有图集合.dwg | 2.17M |
| 13 | 镗支承板.png | 4.56K |
| 14 | 零件图.dwg | 942.75K |
此图纸下载需要200金币
立即下载
发布者
体贴的酸奶
创作: 669
粉丝: 8
加入时间:2022-11-17
模型信息
图纸ID:2849071
图纸格式:dwg
文件大小:11.33M
所需金币:200
上传时间:2025-11-25 18:51:08
是否可编辑:可修改,包括参数
软件版本:AutoCAD
标签
图纸简介
版权说明
用户在本站上传的作品如侵犯到您的权益,请与本站管理员联系删除。用户在本站下载的原创作品,只拥有作品的使用权,著作权归原作者所有,未经合法授权,用户不得以任何形式发布、传播、复制、转售该作品。
作者其它图纸 查看更多
猜你喜欢
转向臂加工工艺及钻φ16孔夹具设计[版本2][含CAD图纸和说明书]
减速器箱体加工工艺及镗φ35孔夹具设计CAD图纸+说明书+工序卡
转向臂加工工艺及钻Φ9.3孔夹具设计[含CAD图纸和说明书]
减速器箱体加工工艺及镗φ35孔夹具设计80
左支座机械加工工艺规程及钻25孔夹具设计-版本1(含CAD图纸+工序卡+说明书)
蜗轮减速器箱体机械加工工艺规程及夹具设计
左摆动杠杆加工工艺及钻φ12H8通孔夹具设计 [版本2][含CAD图纸和说明书]
杠杆(二)加工工艺及钻φ10孔夹具设计[版本2】[含CAD图纸和说明书]
AI渲染-将平面图渲染为真实效果图
原图
渲染图
正在渲染中,请稍候...





0.png)

0.png)
0.png)