圆形垫板的冲压成形工艺与模具设计252979(ID:2895296)
截图
AI截图渲染
✨AI图片渲染
| # | 文件名称 | 文件大小 |
|---|---|---|
| 1 | 17665921887354.zip | 992.63K |
| 2 | 01冲孔凸模.dwg | 42.94K |
| 3 | 02导正销.dwg | 39.06K |
| 4 | 03固定导料销.dwg | 38.19K |
| 5 | 06下模座.dwg | 46.90K |
| 6 | 07凹模板.dwg | 58.51K |
| 7 | 08卸料板.dwg | 46.37K |
| 8 | 09落料凸模.dwg | 37.36K |
| 9 | 10凸模固定板.dwg | 51.76K |
| 10 | 11凸模垫板.dwg | 44.87K |
| 11 | 12上模座.dwg | 60.41K |
| 12 | 14模柄.dwg | 49.49K |
| 13 | 16导套.dwg | 43.45K |
| 14 | 18导柱.dwg | 52.28K |
| 15 | 19始用挡料销.dwg | 40.80K |
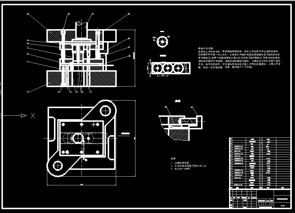
| 16 | 20导料板.dwg | 42.32K |
| 17 | 下模座.png | 12.58K |
| 18 | 中英摘要.doc | 25.50K |
| 19 | 冲孔凸模.png | 13.17K |
| 20 | 垫板.png | 21.80K |
| 21 | 垫板冲孔落料级进模装配图.png | 37.47K |
| 22 | 打包文件.png | 137.47K |
| 23 | 插图清单.doc | 20.50K |
| 24 | 机械工艺卡.doc | 51.00K |
| 25 | 目录.doc | 43.50K |
| 26 | 目录.png | 51.07K |
| 27 | 落料凸模.png | 12.76K |
| 28 | 装配图.dwg | 84.44K |
| 29 | 说明书.doc | 415.92K |
| 30 | 说明书.png | 239.37K |
此图纸下载需要175金币
立即下载
发布者
咨询设计 QQ加3278627871
创作: 28256
粉丝: 758
加入时间:2023-06-16
模型信息
图纸ID:2895296
图纸格式:dwg
文件大小:1016.45KB
所需金币:175
上传时间:2025-12-25 00:03:08
是否可编辑:可修改,包括参数
软件版本:AutoCAD 2007
标签
图纸简介
版权说明
用户在本站上传的作品如侵犯到您的权益,请与本站管理员联系删除。用户在本站下载的原创作品,只拥有作品的使用权,著作权归原作者所有,未经合法授权,用户不得以任何形式发布、传播、复制、转售该作品。
AI渲染-将平面图渲染为真实效果图
原图
渲染图
正在渲染中,请稍候...








0.png)

0.png)
0.png)
0.png)
0.png)