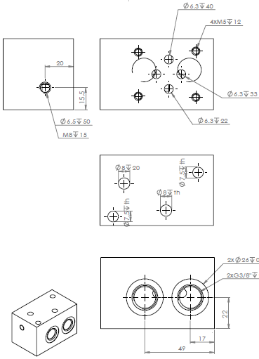
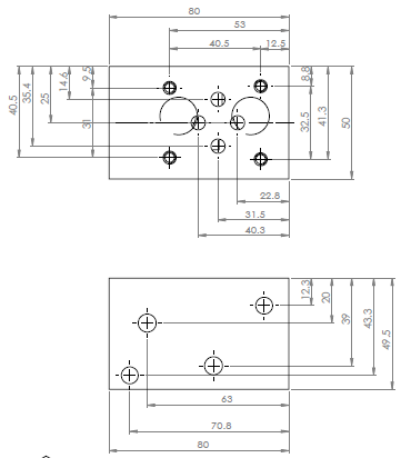
A0006830-标准液压歧管块,带NG-6电磁换向阀(ID:3182025)
截图
AI截图渲染
✨AI图片渲染
| # | 文件名称 | 文件大小 |
|---|---|---|
| 1 | 17767325545914.zip | 2.53M |
| 2 | 142736.png | 90.30K |
| 3 | 142853.png | 115.25K |
| 4 | 142943.png | 52.72K |
| 5 | 143053.png | 19.81K |
| 6 | 143128.png | 31.88K |
| 7 | 143234.png | 81.45K |
| 8 | 143257.png | 35.79K |
| 9 | 4WE_6_J6X-EG24N9K4.SLDPRT | 1.42M |
| 10 | Assemblyofblock.SLDASM | 709.95K |
此图纸下载需要49金币
立即下载
发布者
任性的百合
创作: 239092
粉丝: 279
加入时间:2024-09-01
模型信息
图纸ID:3182025
图纸格式:sldprt,sldasm
文件大小:2.59M
所需金币:49
上传时间:2026-04-21 08:49:16
是否可编辑:可修改,包括参数
软件版本:SOLIDWORKS 2018
标签
图纸简介
版权说明
用户在本站上传的作品如侵犯到您的权益,请与本站管理员联系删除。用户在本站下载的原创作品,只拥有作品的使用权,著作权归原作者所有,未经合法授权,用户不得以任何形式发布、传播、复制、转售该作品。
AI渲染-将平面图渲染为真实效果图
原图
渲染图
正在渲染中,请稍候...

0.png)
1.png)
2.png)
3.png)
4.png)






