圆轴外圈自动贴胶带装置(ID:398429)
| # | 文件名称 | 文件大小 |
|---|---|---|
| 1 | 16693955952999.zip | 4.39M |
| 2 | 360截图20220418210707507.jpg | 131.40K |
| 3 | 360截图20220418210711291.jpg | 118.40K |
| 4 | 360截图20220418210714714.jpg | 81.49K |
| 5 | 360截图20220418210720674.jpg | 82.30K |
| 6 | 圆轴外圈自动贴胶带装置.stp | 23.89M |
此图纸下载需要50金币
立即下载
发布者
落后的皮皮虾
创作: 80573
粉丝: 403
加入时间:2022-09-02
模型信息
图纸格式:stp
文件大小:4.49M
所需金币:50
上传时间:2022-11-26 00:59:57
是否可编辑:可修改,不包括参数
版本:STEP
标签
圆轴
外圈
贴胶带
夹持
圆轴外圈自动贴胶带装置
图纸简介
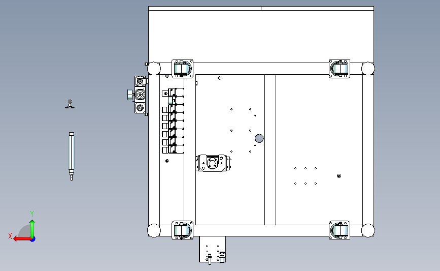
圆轴外圈自动贴胶带装置:通过夹持机构进行拿取圆轴,上部的贴胶装置进行整圈的贴胶,图纸带有实体,图纸带有实体,结构新颖,内部结构明确,感谢下载。
版权说明
用户在本站上传的作品如侵犯到您的权益,请与本站管理员联系删除。用户在本站下载的原创作品,只拥有作品的使用权,著作权归原作者所有,未经合法授权,用户不得以任何形式发布、传播、复制、转售该作品。
作者其它图纸 查看更多

0.png)
1.png)
2.png)
3.png)
4.png)



