粗镗活塞销孔组合机床专用夹具设计(含CAD图纸)(ID:771361)
查找相似图纸
截图
AI截图渲染
✨AI图片渲染
| # | 文件名称 | 文件大小 |
|---|---|---|
| 1 | 16991163724731.zip | 1.29M |
| 2 | 削边销A4.dwg | 57.05K |
| 3 | 压块A4.dwg | 40.66K |
| 4 | 压板A3.dwg | 47.87K |
| 5 | 夹具体0.dwg | 58.32K |
| 6 | 封面.doc | 45.00K |
| 7 | 尾部套筒A4.dwg | 58.46K |
| 8 | 开口垫圈A4.dwg | 43.77K |
| 9 | 支撑板A4.dwg | 45.82K |
| 10 | 毕业设计论文任务书新.doc | 17.50K |
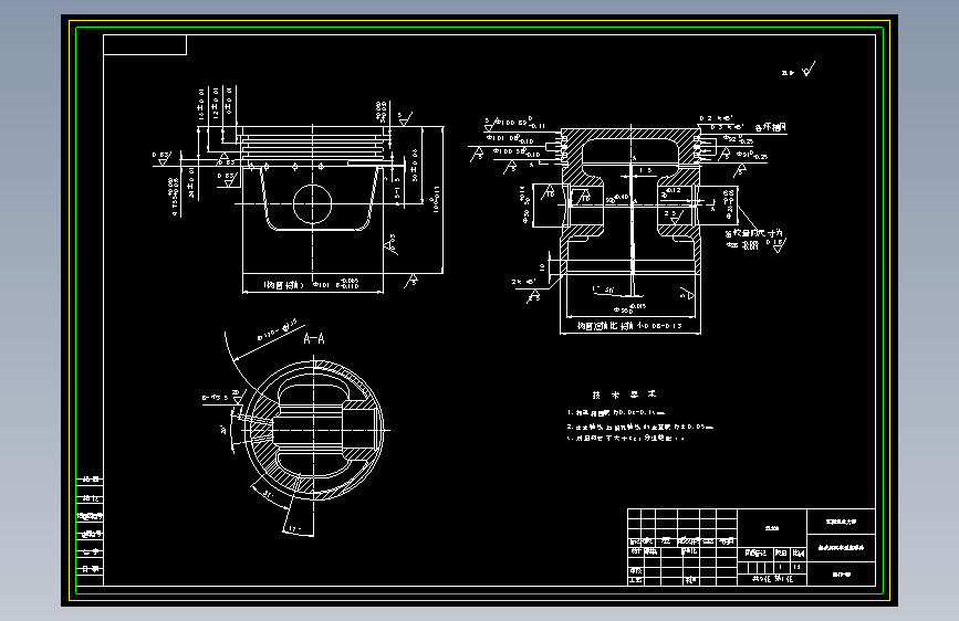
| 11 | 活塞零件图.dwg | 121.26K |
| 12 | 活塞零件夹具图.dwg | 130.10K |
| 13 | 答辩PPT.ppt | 1011.00K |
| 14 | 粗镗活塞销孔组合机床专用夹具设计.doc | 335.83K |
此图纸下载需要190金币
立即下载
发布者
咨询设计 QQ加3278627871
创作: 28885
粉丝: 802
加入时间:2023-06-16
模型信息
图纸ID:771361
图纸格式:dwg
文件大小:1.32M
所需金币:190
上传时间:2023-11-05 00:46:16
是否可编辑:可修改,包括参数
软件版本:AutoCAD 2004
标签
图纸简介
版权说明
用户在本站上传的作品如侵犯到您的权益,请与本站管理员联系删除。用户在本站下载的原创作品,只拥有作品的使用权,著作权归原作者所有,未经合法授权,用户不得以任何形式发布、传播、复制、转售该作品。
作者其它图纸 查看更多
AI渲染-将平面图渲染为真实效果图
原图
渲染图
正在渲染中,请稍候...

0.png)
0.png)
0.png)
0.png)
0.png)