0.1t普通座式焊接变位机设计【100kg,V倾=0.3~1rmin,V回=0.5~3.15rmin】【说明书+CAD】(ID:787028)
截图
AI截图渲染
✨AI图片渲染
| # | 文件名称 | 文件大小 |
|---|---|---|
| 1 | 1700032780873.rar | 3.65M |
| 2 | 0.1t普通座式焊接变位设计说明书.doc | 1.94M |
| 3 | A0-回转机构.dwg | 327.24K |
| 4 | A0-总装图.dwg | 306.57K |
| 5 | A1-机架.dwg | 78.38K |
| 6 | A3-回转机构箱体.dwg | 87.95K |
| 7 | A3-扇形齿轮.dwg | 48.46K |
| 8 | A4-传递齿轮.dwg | 59.41K |
| 9 | A4-传递齿轮轴.dwg | 42.46K |
| 10 | A4-倾斜轴.dwg | 51.34K |
| 11 | A4-小齿轮.dwg | 35.71K |
| 12 | A4-小齿轮轴.dwg | 63.90K |
| 13 | A4-工作台.dwg | 49.02K |
| 14 | A4-左转轴.dwg | 57.57K |
| 15 | A4-第一级蜗杆.dwg | 65.35K |
| 16 | A4-第一级蜗轮.dwg | 63.42K |
| 17 | A4-第二级蜗杆.dwg | 61.53K |
| 18 | A4-第二级蜗轮.dwg | 58.61K |
| 19 | A4-第二级蜗轮轴.dwg | 55.77K |
| 20 | A4-轴套.dwg | 42.79K |
| 21 | A4-轴套1.dwg | 36.51K |
| 22 | A4-轴承座.dwg | 69.80K |
| 23 | A4-轴承座2.dwg | 49.94K |
| 24 | A4-轴承盖.dwg | 84.00K |
| 25 | A4-轴承盖1.dwg | 46.78K |
| 26 | A4-轴承盖3.dwg | 60.87K |
| 27 | A4-轴承盖4.dwg | 50.34K |
| 28 | PPT.ppt | 478.00K |
| 29 | 任务书.doc | 34.00K |
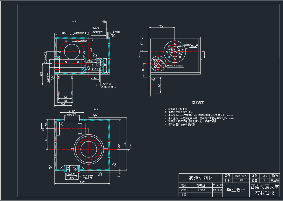
| 30 | 减速器箱体.png | 101.22K |
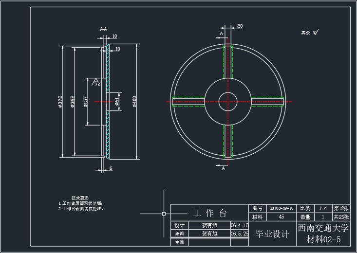
| 31 | 工作台.png | 44.19K |
| 32 | 总装.png | 101.48K |
| 33 | 所有文件.png | 41.36K |
| 34 | 机架.png | 38.97K |
| 35 | 蜗杆.png | 75.88K |
| 36 | 蜗杆轴.png | 48.25K |
| 37 | 说明书.png | 53.79K |
| 38 | 齿轮.png | 84.95K |
| 39 | 使用语音识别技术控制的焊接机器人工作单元.doc | 280.00K |
| 40 | 自动焊接操作系统.doc | 852.00K |
此图纸下载需要250金币
立即下载
发布者
科弈设计 代做毕设 kczx-3127350473
创作: 218
粉丝: 21
加入时间:2023-11-11
模型信息
图纸格式:dwg
文件大小:3.74M
所需金币:250
上传时间:2023-11-15 15:20:03
是否可编辑:可修改,包括参数
版本:AutoCAD 2004
标签
焊接变位机
CAD
毕业设计
图纸简介
本设计分析了解国内外焊接变位机的发展状况、以及焊接变位机在焊接机器人中的应用,设计了一种0.1吨小型座式焊接变位机。该变位机具有两个自由度,有两套独立的驱动和传动装置。可以方便实现工件的旋转和倾斜翻转,从而能使焊缝变化到平焊位置或“船形”位置。文中对驱动力的计算、机架的设计进行了说明,尤其是对传动装置的设计进行了重点说明。
本焊接变位机采用直流电机—减速机驱动工作台回转并倾斜,具有运动精度高、惯量小、制动性和稳定性好,可实现无级调速,方便实现正反转等优点。批量生产可获得比较高的经济效益。
版权说明
用户在本站上传的作品如侵犯到您的权益,请与本站管理员联系删除。用户在本站下载的原创作品,只拥有作品的使用权,著作权归原作者所有,未经合法授权,用户不得以任何形式发布、传播、复制、转售该作品。
AI渲染-将平面图渲染为真实效果图
原图
渲染图
正在渲染中,请稍候...









0.png)

0.png)
0.png)
0.png)
0.png)