400公斤手动台式焊接变位机设计(ID:787117)
            
            | # | 文件名称 | 文件大小 | 
|---|---|---|
| 1 | 17000375435367.rar | 2.00M | 
| 2 | -400公斤手动焊接变位机总体及倾斜机构.doc | 877.50K | 
| 3 | 1.png | 60.80K | 
| 4 | 任务书.doc | 15.50K | 
| 5 | 倾斜机构装配图A0.dwg | 101.76K | 
| 6 | 工作台-a1.dwg | 34.08K | 
| 7 | 工作台.png | 114.14K | 
| 8 | 总装-a0.dwg | 61.62K | 
| 9 | 总装.png | 127.55K | 
| 10 | 所有.png | 49.04K | 
| 11 | 手柄-A4.dwg | 48.62K | 
| 12 | 手柄.png | 58.15K | 
| 13 | 旋转端盖-A4.dwg | 116.18K | 
| 14 | 曲柄-A4.dwg | 46.50K | 
| 15 | 毕业论文.doc | 1.36M | 
| 16 | 说明书.png | 231.02K | 
| 17 | 轴-A3.dwg | 44.93K | 
| 18 | 轴.png | 70.71K | 
| 19 | 轴套-A4.dwg | 44.15K | 
| 20 | 轴套.png | 65.62K | 
| 21 | 轴套2-A4.dwg | 45.40K | 
| 22 | 轴套2.png | 112.64K | 
| 23 | 轴承盖.png | 110.86K | 
| 24 | 轴承盖2-A4.dwg | 65.08K | 
| 25 | 轴承盖3-A4.dwg | 58.13K | 
| 26 | 零件1.SLDPRT | 167.50K | 
此图纸下载需要200金币
                            立即下载
                                    
            发布者
				科弈设计 代做毕设 kczx-3127350473
					        创作: 211
					            粉丝: 20
					        加入时间:2023-11-11
					    模型信息
                图纸格式:dwg,sldprt
                    文件大小:2.05M
                    所需金币:200
                    上传时间:2023-11-15 16:39:11
                    是否可编辑:可修改,包括参数
                    版本:SOLIDWORKS 2014
                标签
                手动台式焊接变位机
                                                CAD
                                                毕业设计
                                        图纸简介
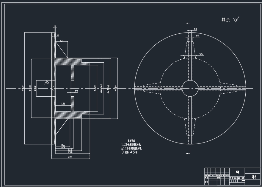
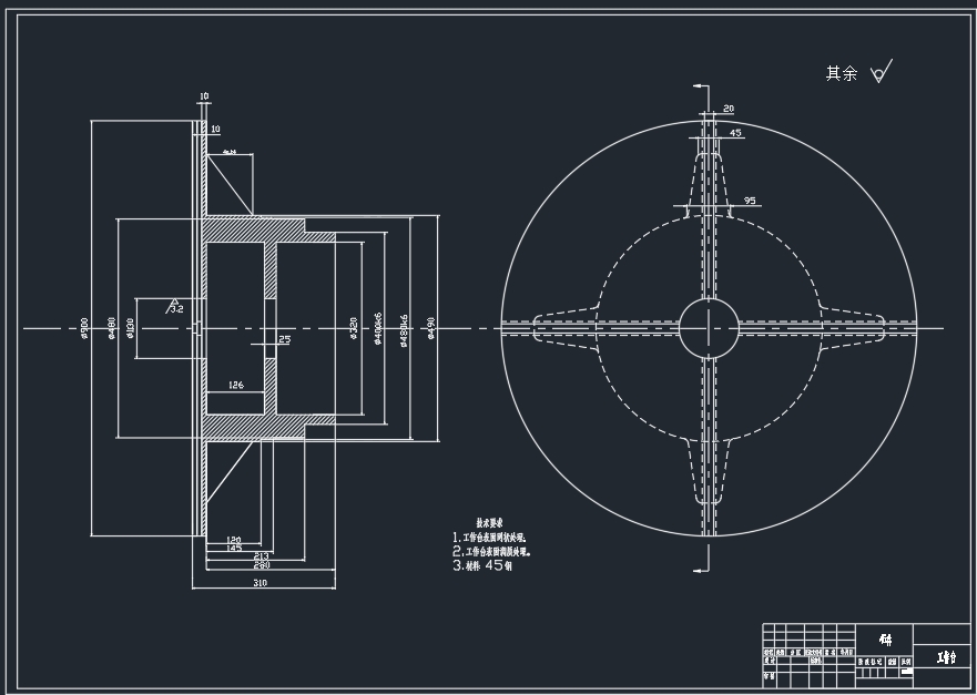
			    400公斤手动焊接变位机正是当前众多焊接机械产品的一种,它通过一些机械传动机构,用来实现焊接工件的回转、倾斜,使得焊工操作的更加方便快捷,提高工作效率。在本次设计中,参照设计数据和相关资料,首先选择机构和传动方式,确定机构各个部分的传动功率、转矩和进行强度计算和校核,保证机构的合理性,使得设计出的装备能在给定年限内正常工作;然后对各个机构进行连接设计,画出结构简图;最后设计细节问题,画出总装图,保证产品的可生产性,便于规模化生产。
本次设计的主要内容是一个倾斜机构,采用了蜗轮蜗杆机构,用来减小尺寸和实现传动机构的自锁。整个机构简单可靠,操作方便。
			版权说明
                用户在本站上传的作品如侵犯到您的权益,请与本站管理员联系删除。用户在本站下载的原创作品,只拥有作品的使用权,著作权归原作者所有,未经合法授权,用户不得以任何形式发布、传播、复制、转售该作品。
            作者其它图纸 查看更多
                
            


















0.png)


3.png)
4.png)
1.png)
2.png)