18吨桥式起重机设计—机械部分【4张CAD图纸+说明书】(ID:830636)
查找相似图纸
截图
AI截图渲染
✨AI图片渲染
| # | 文件名称 | 文件大小 |
|---|---|---|
| 1 | 17019209031699.zip | 806.47K |
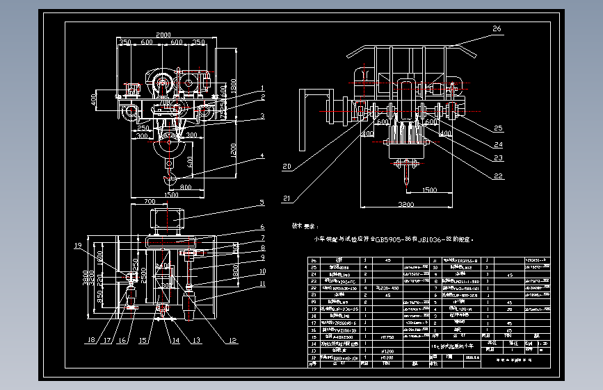
| 2 | 18t桥式起重机装配图.dwg | 424.71K |
| 3 | 18t桥式起重机装配图.png | 24.45K |
| 4 | 中期检查表.doc | 36.50K |
| 5 | 卷筒零件图.dwg | 295.69K |
| 6 | 卷筒零件图.png | 17.96K |
| 7 | 小车架结构图.dwg | 292.72K |
| 8 | 小车架结构图.png | 17.35K |
| 9 | 小车装配图.dwg | 354.40K |
| 10 | 小车装配图.png | 24.85K |
| 11 | 毕业设计鉴定意见.doc | 34.00K |
| 12 | 目录及字数统计.png | 47.77K |
| 13 | 设计说明书.doc | 1.31M |
此图纸下载需要200金币
立即下载
发布者
咨询设计 QQ加3278627871
创作: 28885
粉丝: 802
加入时间:2023-06-16
模型信息
图纸ID:830636
图纸格式:dwg
文件大小:825.82KB
所需金币:200
上传时间:2023-12-07 11:48:23
是否可编辑:可修改,包括参数
软件版本:AutoCAD 2004
标签
图纸简介
版权说明
用户在本站上传的作品如侵犯到您的权益,请与本站管理员联系删除。用户在本站下载的原创作品,只拥有作品的使用权,著作权归原作者所有,未经合法授权,用户不得以任何形式发布、传播、复制、转售该作品。
作者其它图纸 查看更多
AI渲染-将平面图渲染为真实效果图
原图
渲染图
正在渲染中,请稍候...









