离合器齿轮五槽铣夹具设计(三维+二维工程图+说明书)(ID:941143)
查找相似图纸
截图
AI截图渲染
✨AI图片渲染
| # | 文件名称 | 文件大小 |
|---|---|---|
| 1 | 17069551803775.zip | 13.14M |
| 2 | (设计说明书)离合齿轮五槽铣夹具.docx | 1.89M |
| 3 | GB119圆柱销5X27.SLDPRT | 84.81K |
| 4 | GB/T41-20001型六角螺母C级M121.SLDPRT | 109.10K |
| 5 | GB/T67-2000开槽盘头螺钉M5×12.SLDPRT | 130.60K |
| 6 | GB/T67-2000开槽盘头螺钉M8×25.SLDPRT | 130.69K |
| 7 | GB/T70.1-2000内六角圆柱头螺钉M3×10.SLDPRT | 124.38K |
| 8 | GB/T70.1-2000内六角圆柱头螺钉M6×18.SLDPRT | 123.74K |
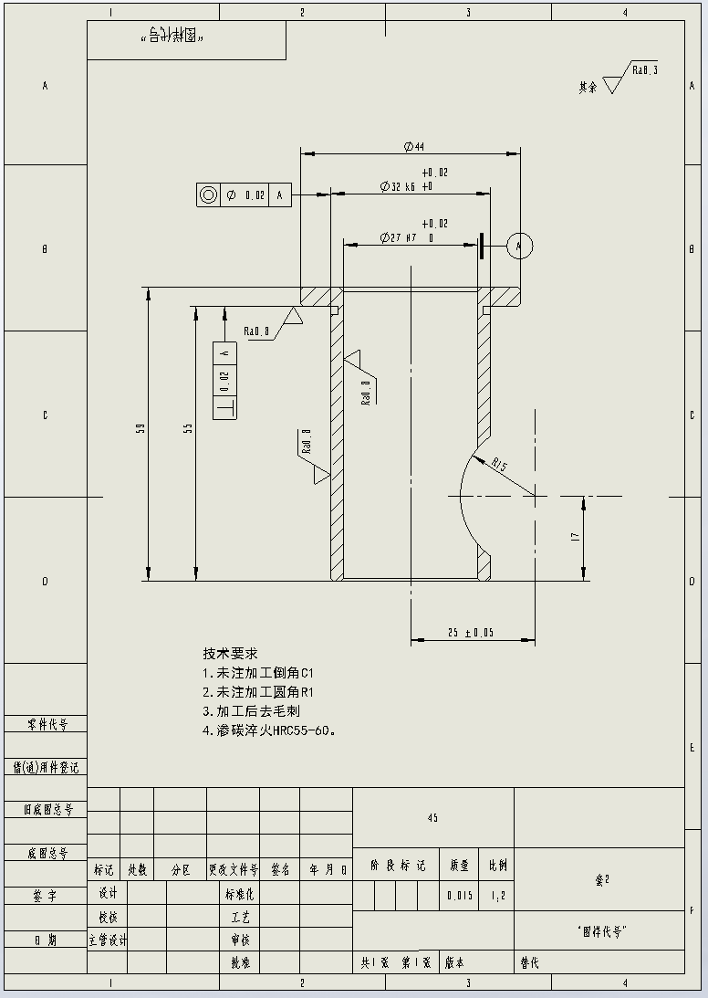
| 9 | GB/T70.1-2000内六角圆柱头螺钉M8×35.SLDPRT | 113.40K |
| 10 | GB/T70.1-2000内六角圆柱头螺钉M8×40.SLDPRT | 113.21K |
| 11 | GB/T97.2-1985平垫圈倒角型A级12×2.5.SLDPRT | 71.11K |
| 12 | 压板.SLDDRW | 130.67K |
| 13 | 压板.SLDPRT | 99.76K |
| 14 | 复位弹簧.SLDPRT | 1.20M |
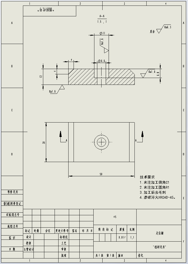
| 15 | 套.SLDDRW | 121.79K |
| 16 | 套.SLDPRT | 96.43K |
| 17 | 套2.SLDDRW | 130.63K |
| 18 | 套2.SLDPRT | 114.94K |
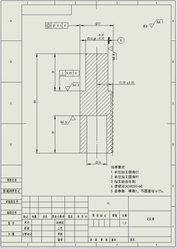
| 19 | 定位销.SLDDRW | 148.91K |
| 20 | 定位销.SLDPRT | 208.41K |
| 21 | 定位键.SLDDRW | 120.45K |
| 22 | 定位键.SLDPRT | 79.01K |
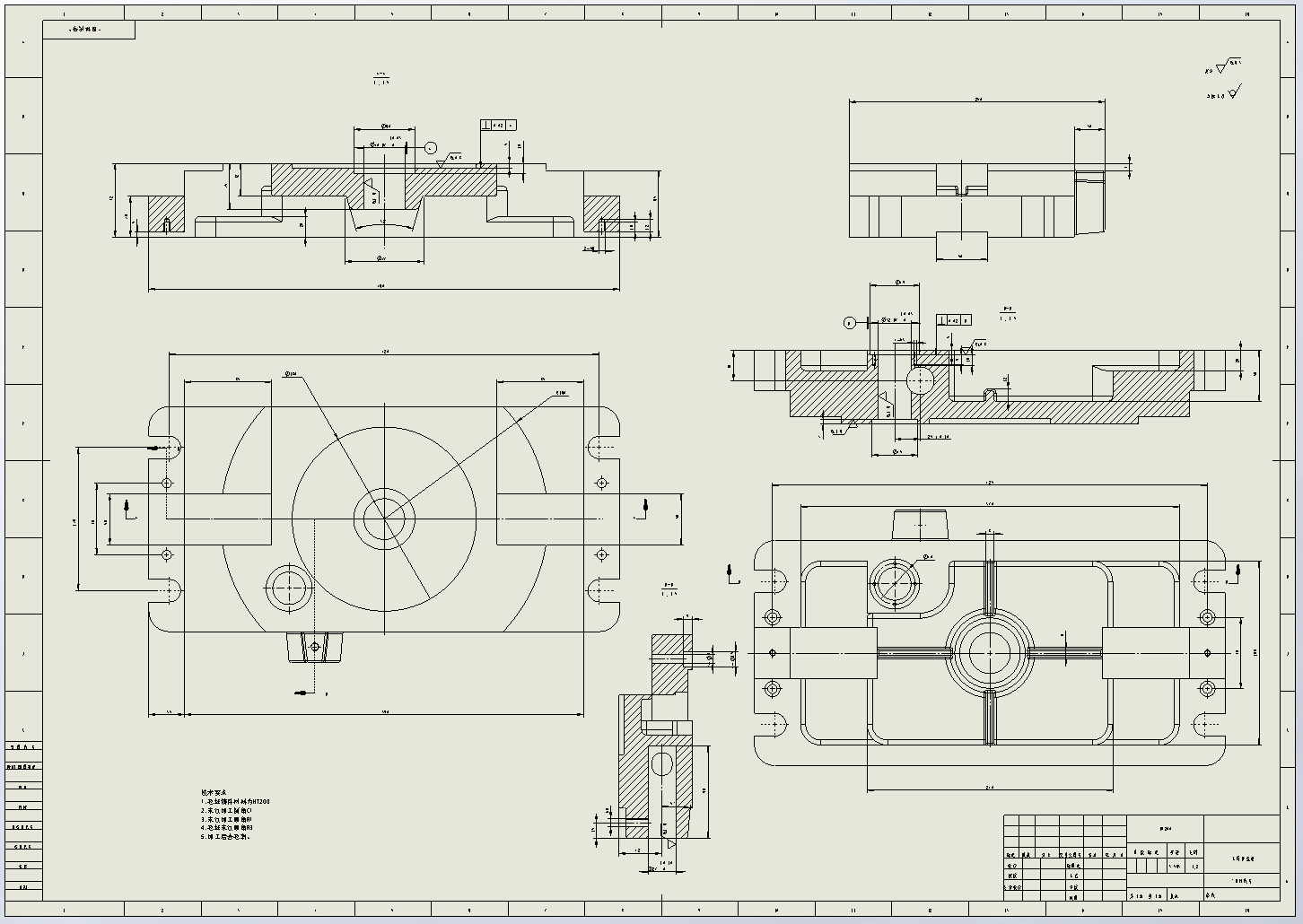
| 23 | 工作台底座.SLDDRW | 421.35K |
| 24 | 工作台底座.SLDPRT | 660.31K |
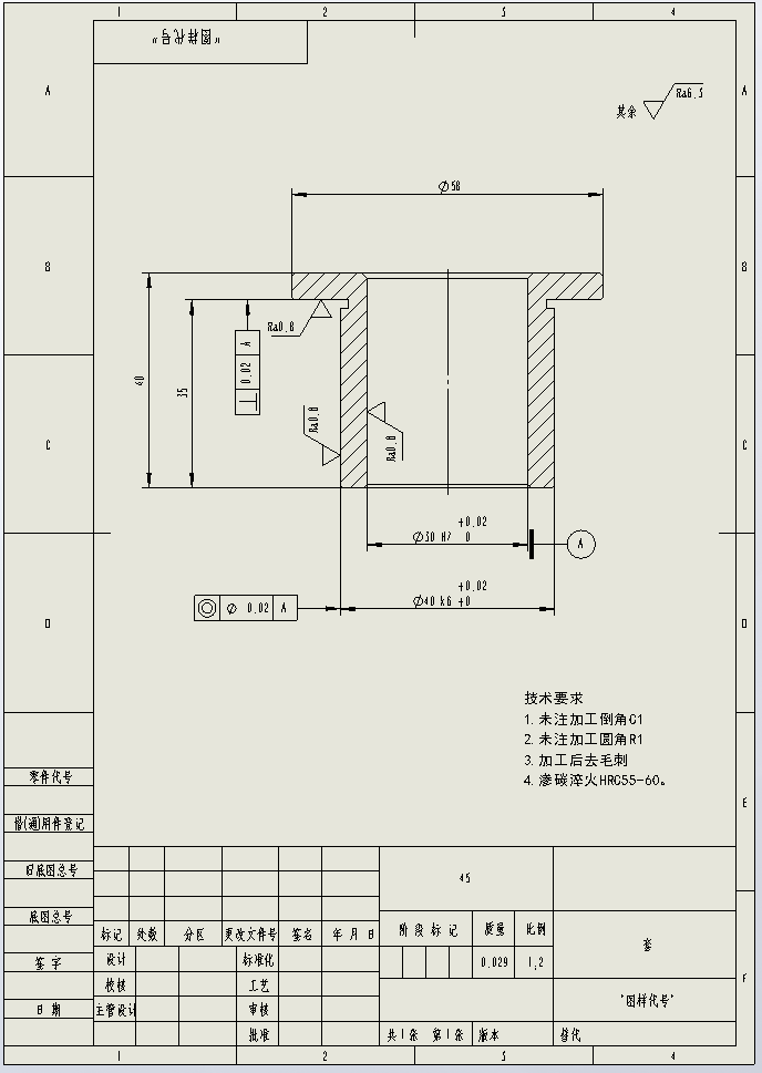
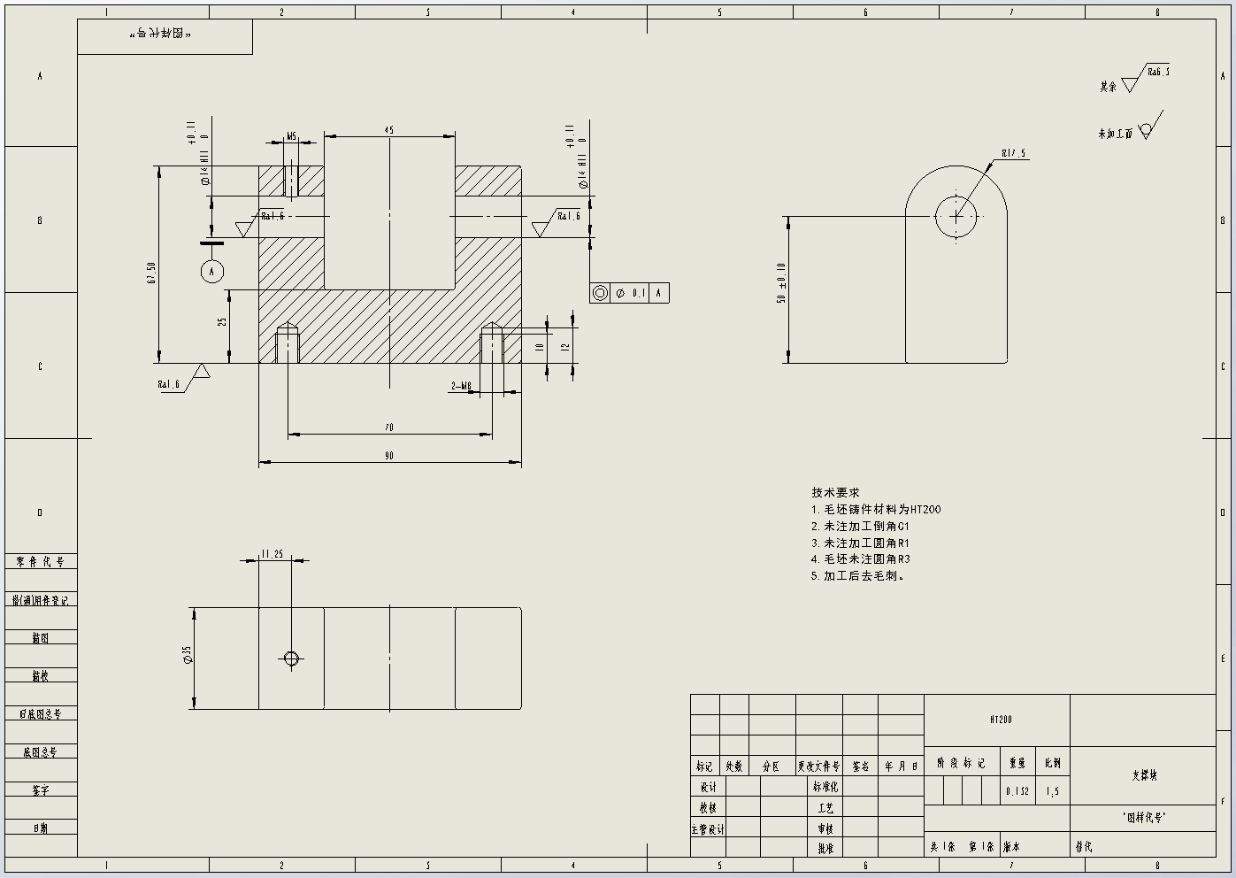
| 25 | 弹簧底盖.SLDPRT | 101.72K |
| 26 | 手柄.SLDPRT | 114.90K |
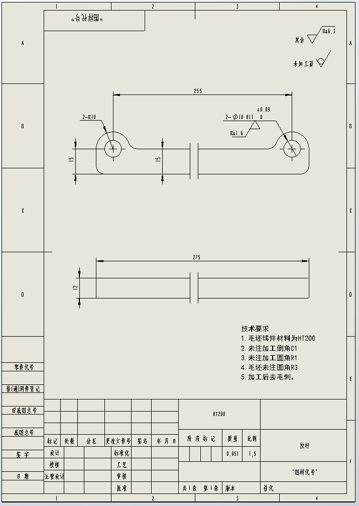
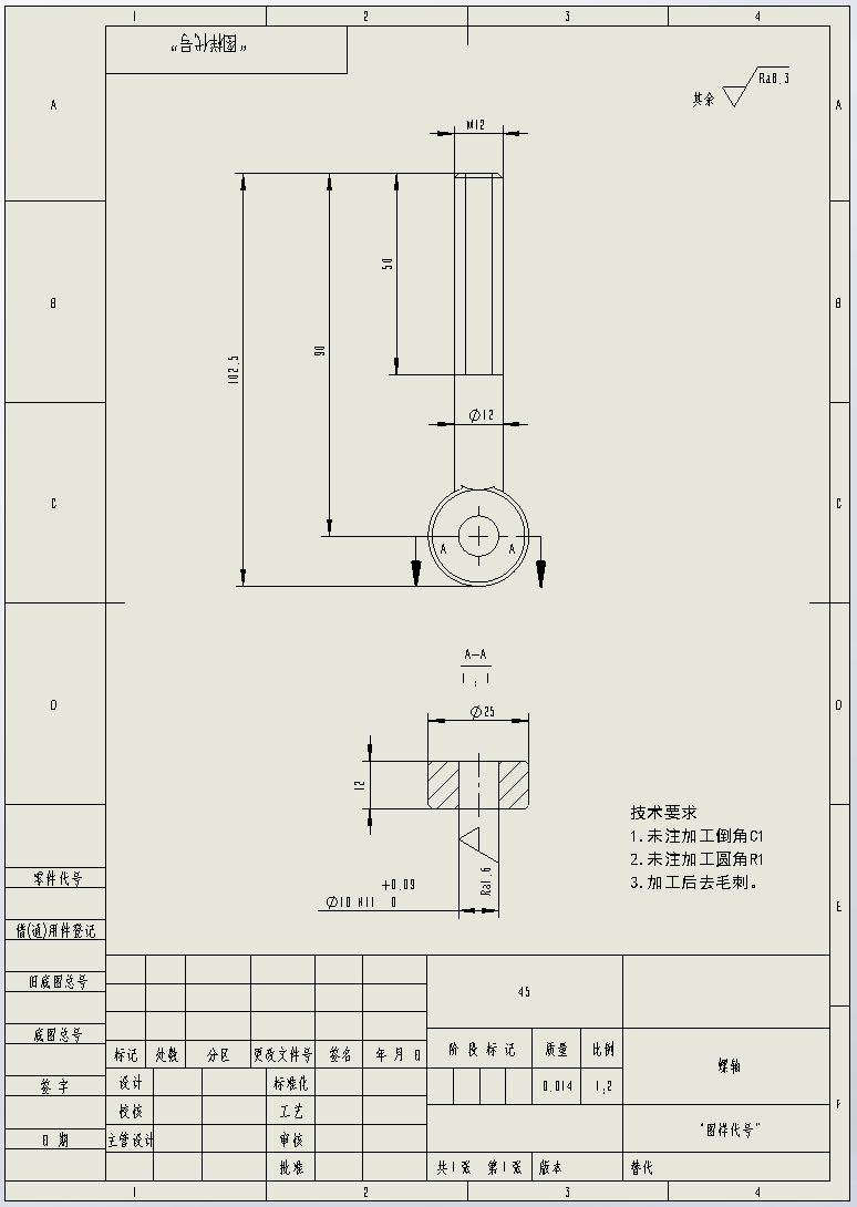
| 27 | 拉杆.SLDDRW | 115.72K |
| 28 | 拉杆.SLDPRT | 118.33K |
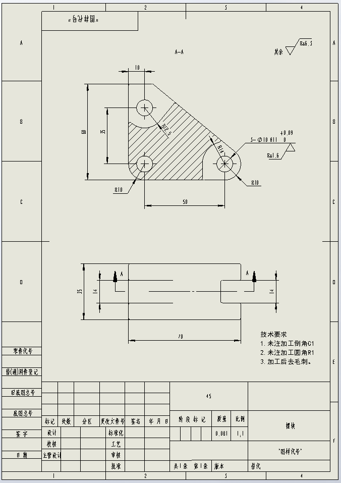
| 29 | 摆块.SLDDRW | 148.26K |
| 30 | 摆块.SLDPRT | 226.89K |
| 31 | 支撑块.SLDDRW | 149.65K |
| 32 | 支撑块.SLDPRT | 174.38K |
| 33 | 离合齿轮五槽铣夹具.SLDASM | 1.81M |
| 34 | 离合齿轮五槽铣夹具.SLDDRW | 3.34M |
| 35 | 螺轴.SLDDRW | 119.72K |
| 36 | 螺轴.SLDPRT | 174.53K |
| 37 | 销轴1.SLDPRT | 95.13K |
| 38 | 销轴2.SLDPRT | 99.65K |
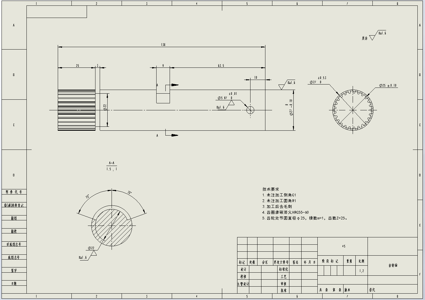
| 39 | 齿轮轴25×1.SLDDRW | 142.11K |
| 40 | 齿轮轴25×1.SLDPRT | 275.30K |
此图纸下载需要750金币
立即下载
发布者
机械与液压(原创) +V:13122291832
创作: 682
粉丝: 79
加入时间:2023-10-23
模型信息
图纸ID:941143
图纸格式:sldprt,slddrw,sldasm
文件大小:13.46M
所需金币:750
上传时间:2024-02-03 18:13:50
是否可编辑:可修改,包括参数
软件版本:SOLIDWORKS 2016
标签
离合器齿轮五槽铣夹具设计
图纸简介
本次设计的是离合器齿轮五槽铣夹具设计,包括整体三维SW2016设计,整体零部件以及装配体二维工程图设计,设计计算,加工工艺分析,加工工序分析等
版权说明
用户在本站上传的作品如侵犯到您的权益,请与本站管理员联系删除。用户在本站下载的原创作品,只拥有作品的使用权,著作权归原作者所有,未经合法授权,用户不得以任何形式发布、传播、复制、转售该作品。
作者其它图纸 查看更多
AI渲染-将平面图渲染为真实效果图
原图
渲染图
正在渲染中,请稍候...















0.png)
1.png)
2.png)
3.png)
4.png)