DN8-10MPa 直动式溢流阀(ID:941152)
截图
AI截图渲染
✨AI图片渲染
| # | 文件名称 | 文件大小 |
|---|---|---|
| 1 | 17069574144692.zip | 8.64M |
| 2 | 计算.docx | 169.29K |
| 3 | 阀芯弹簧.DWG | 90.19K |
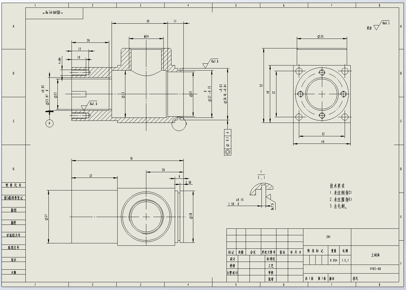
| 4 | DN8上阀体.SLDDRW | 179.38K |
| 5 | DN8上阀体.SLDPRT | 193.11K |
| 6 | DN8下弹簧座.SLDDRW | 122.58K |
| 7 | DN8下弹簧座.SLDPRT | 117.61K |
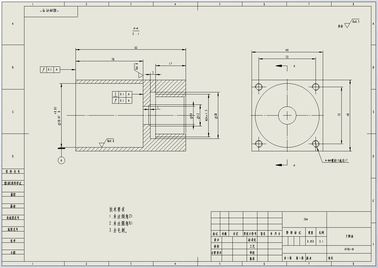
| 8 | DN8下阀体.SLDDRW | 133.60K |
| 9 | DN8下阀体.SLDPRT | 124.41K |
| 10 | DN8压板.SLDDRW | 127.86K |
| 11 | DN8压板.SLDPRT | 107.67K |
| 12 | DN8密封件1.SLDPRT | 141.53K |
| 13 | DN8密封件2.SLDPRT | 119.50K |
| 14 | DN8密封件3.SLDPRT | 131.47K |
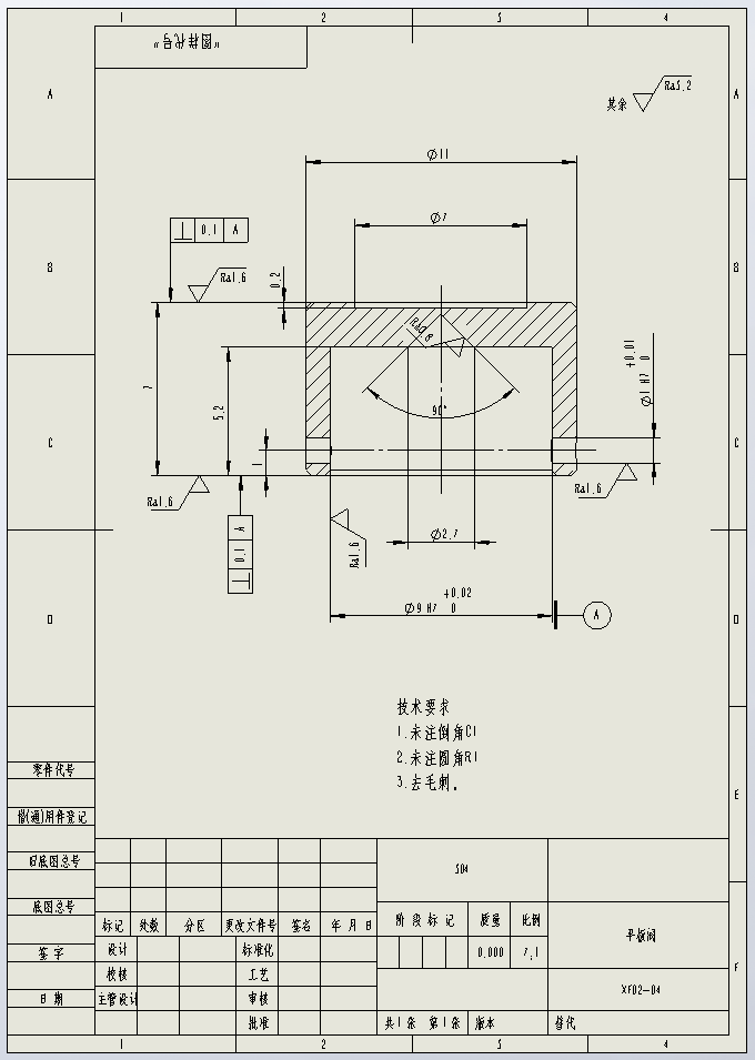
| 15 | DN8平板阀.SLDDRW | 133.15K |
| 16 | DN8平板阀.SLDPRT | 139.17K |
| 17 | DN8弹簧座.SLDPRT | 120.06K |
| 18 | DN8弹簧(10MPa,压缩状态).SLDPRT | 1.14M |
| 19 | DN8水压式溢流阀-装配体.SLDASM | 1.43M |
| 20 | DN8水压式溢流阀-装配体.SLDDRW | 1.66M |
| 21 | DN8调压螺杆.SLDDRW | 118.52K |
| 22 | DN8调压螺杆.SLDPRT | 229.66K |
| 23 | DN8阀座.SLDDRW | 131.72K |
| 24 | DN8阀座.SLDPRT | 115.04K |
| 25 | DN8阀盖.SLDDRW | 140.83K |
| 26 | DN8阀盖.SLDPRT | 140.13K |
| 27 | DN8阀芯.SLDDRW | 148.80K |
| 28 | DN8阀芯.SLDPRT | 150.78K |
| 29 | DN8陶瓷球3mm.SLDPRT | 155.37K |
| 30 | GB/T119-2000圆柱销A型1×11.SLDPRT | 72.32K |
| 31 | GB/T41-20001型六角螺母C级-M141.SLDPRT | 112.31K |
| 32 | GB/T6172.1-2000六角薄螺母A级和B级M12.SLDPRT | 119.50K |
| 33 | GB/T6172.1-2000六角薄螺母A级和B级M51.SLDPRT | 122.04K |
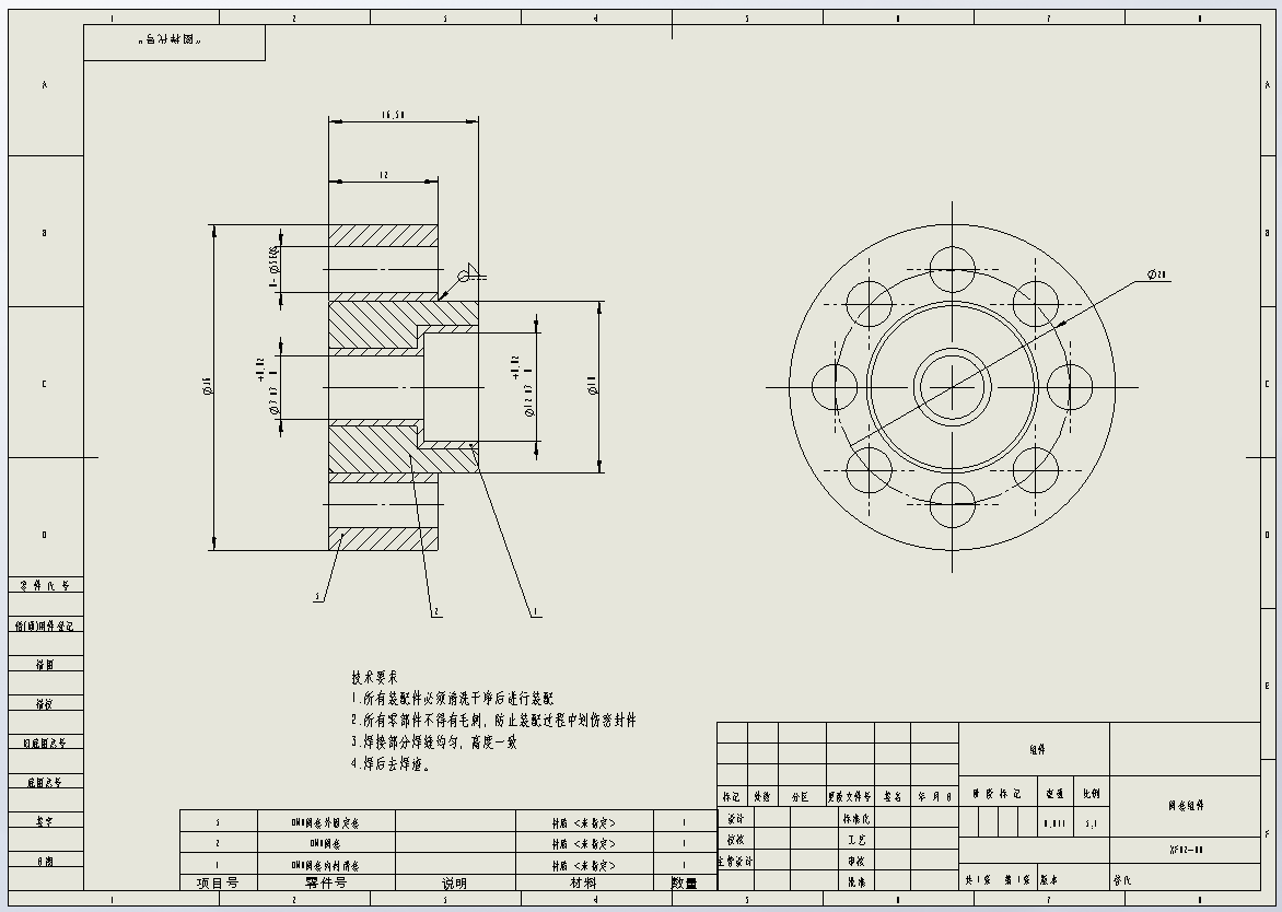
| 34 | GB/T70.1-2000内六角圆柱头螺钉M4×151.SLDPRT | 127.07K |
| 35 | GB/T70.1-2000内六角圆柱头螺钉M4×55.SLDPRT | 116.00K |
| 36 | DN8阀套.SLDPRT | 98.57K |
| 37 | DN8阀套内衬滑套.SLDPRT | 99.01K |
| 38 | DN8阀套外固定套.SLDPRT | 112.72K |
| 39 | DN8阀套组件.SLDASM | 132.91K |
| 40 | DN8阀套组件.SLDDRW | 162.69K |
此图纸下载需要500金币
立即下载
发布者
机械与液压(原创) +V:13122291832
创作: 684
粉丝: 74
加入时间:2023-10-23
模型信息
图纸ID:941152
图纸格式:dwg,slddrw,sldprt,sldasm
文件大小:8.85M
所需金币:500
上传时间:2024-02-03 18:51:02
是否可编辑:可修改,包括参数
软件版本:SOLIDWORKS 2016
标签
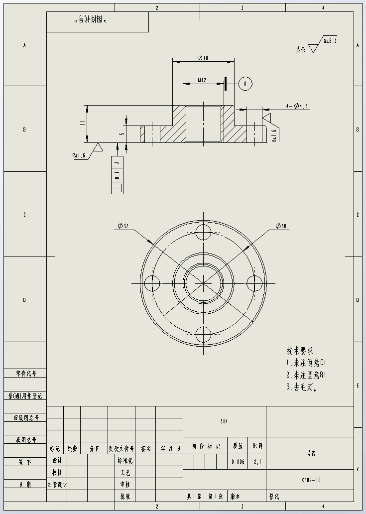
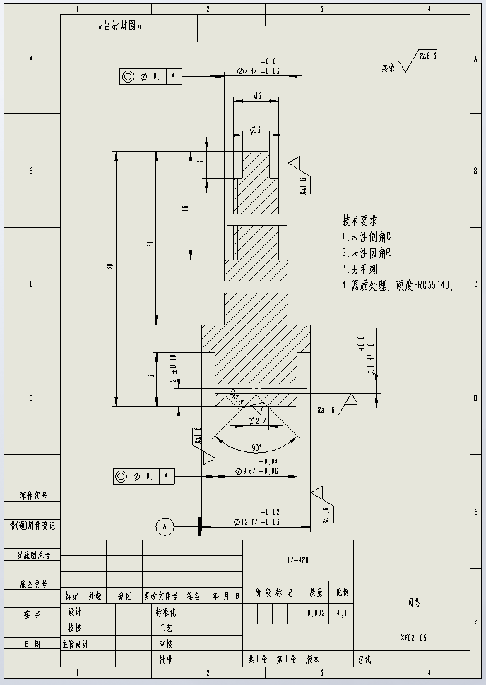
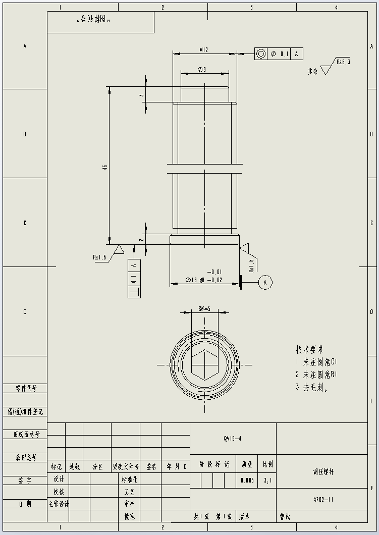
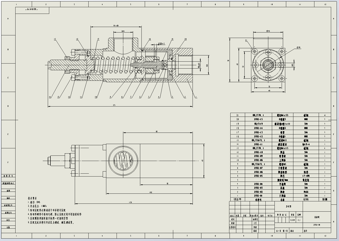
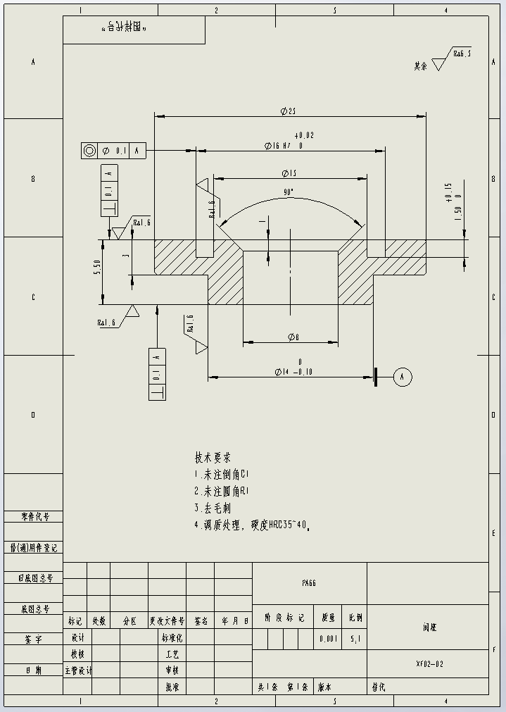
直动式溢流阀
图纸简介
本设计为8通径,开启压力为10MPa的直动式溢流阀设计,包含全部零部件SW2016三维设计,包含整体零部件的二维工程图设计,包含弹簧设计,包含开启压力以及弹簧参数计算。
版权说明
用户在本站上传的作品如侵犯到您的权益,请与本站管理员联系删除。用户在本站下载的原创作品,只拥有作品的使用权,著作权归原作者所有,未经合法授权,用户不得以任何形式发布、传播、复制、转售该作品。
AI渲染-将平面图渲染为真实效果图
原图
渲染图
正在渲染中,请稍候...
















0.png)
1.png)
2.png)
3.png)
4.png)