2×25MW发电厂电气一次系统设计CAD+说明(ID:989582)
| # | 文件名称 | 文件大小 |
|---|---|---|
| 1 | 17094712925756.zip | 3.63M |
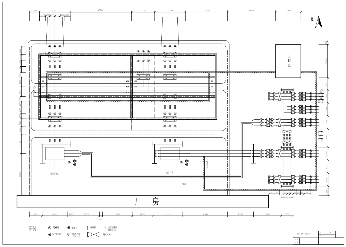
| 2 | 110kv侧断面图.png | 74.83K |
| 3 | A-总平面布置图.png | 156.71K |
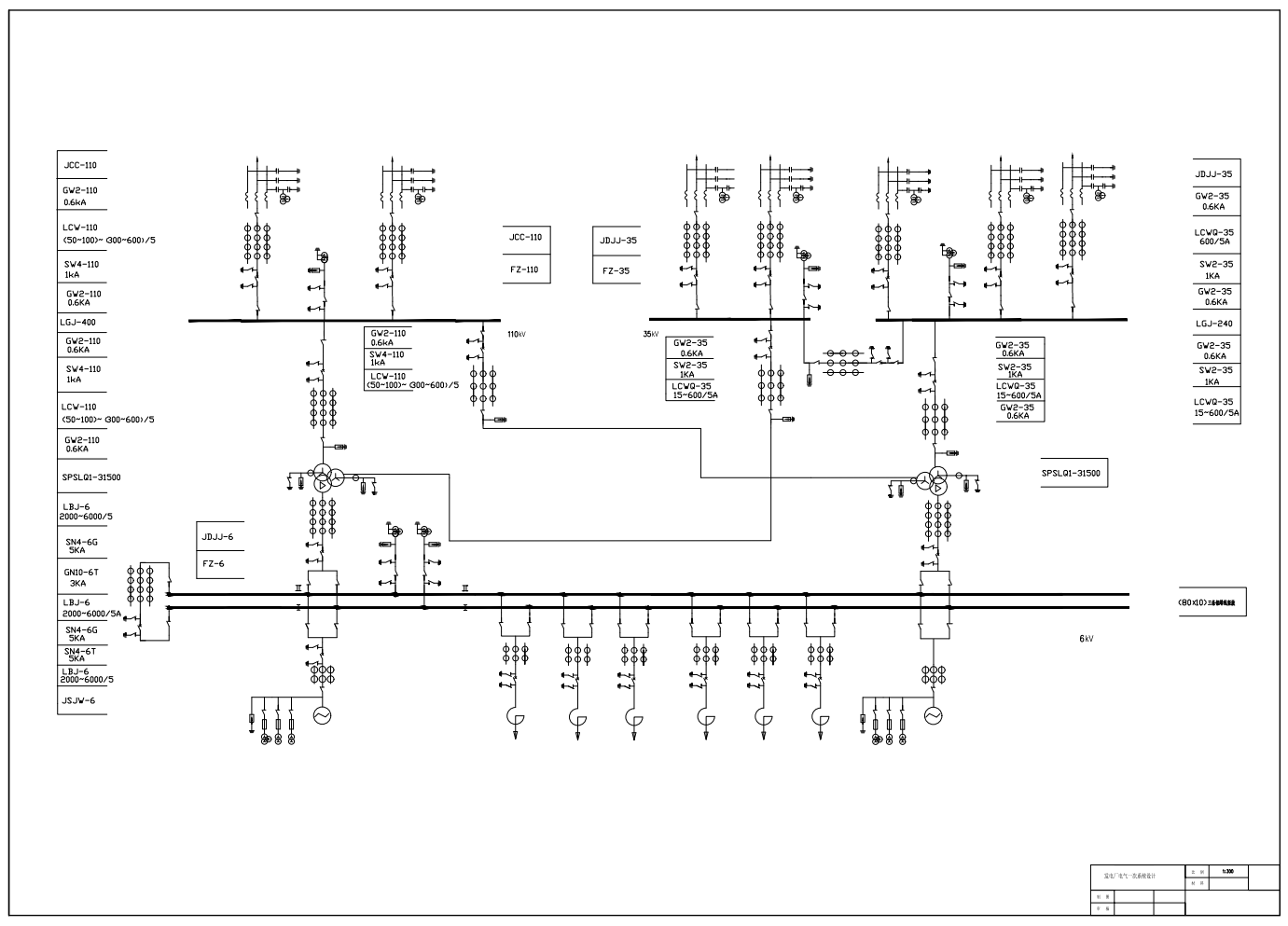
| 4 | A-电气主接线.png | 139.32K |
| 5 | 微信截图_20230717124935.png | 21.23K |
| 6 | 说明书目录.png | 340.11K |
| 7 | 110kv侧断面图.dwg | 80.88K |
| 8 | 35kv断面.dwg | 85.15K |
| 9 | 任务书.doc | 37.00K |
| 10 | 外文文献.pdf | 1.81M |
| 11 | 开题报告.doc | 32.50K |
| 12 | 总平面布置图.dwg | 161.91K |
| 13 | 文献综述.doc | 54.00K |
| 14 | 文献翻译.doc | 575.50K |
| 15 | 电气主接线.dwg | 140.02K |
| 16 | 说明书.doc | 1.43M |
此图纸下载需要45金币
立即下载
发布者
傲娇的康乃馨
创作: 6985
粉丝: 383
加入时间:2023-10-21
模型信息
图纸格式:dwg,pdf
文件大小:3.71M
所需金币:45
上传时间:2024-03-03 21:08:14
是否可编辑:可修改,包括参数
版本:AutoCAD 2004
标签
图纸简介
版权说明
用户在本站上传的作品如侵犯到您的权益,请与本站管理员联系删除。用户在本站下载的原创作品,只拥有作品的使用权,著作权归原作者所有,未经合法授权,用户不得以任何形式发布、传播、复制、转售该作品。
作者其它图纸 查看更多

0.png)




0.png)
0.png)
0.png)
