纯电动客车转向系统设计CAD+说明书(ID:993269)
截图
AI截图渲染
✨AI图片渲染
| # | 文件名称 | 文件大小 |
|---|---|---|
| 1 | 17094804421940.zip | 2.04M |
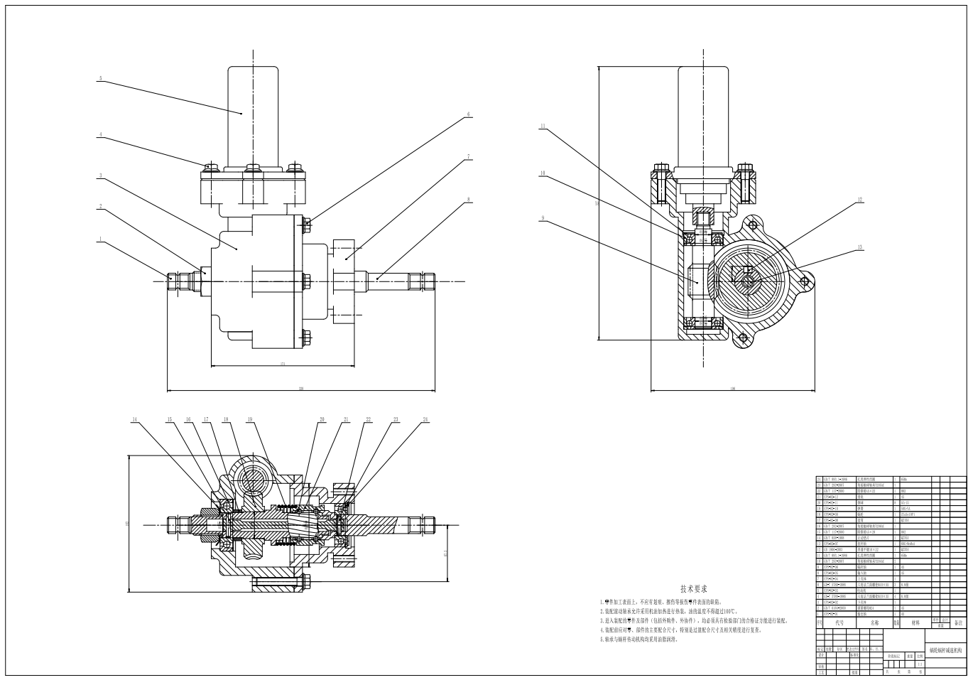
| 2 | A-减速机构.png | 155.65K |
| 3 | A-总装图.png | 146.52K |
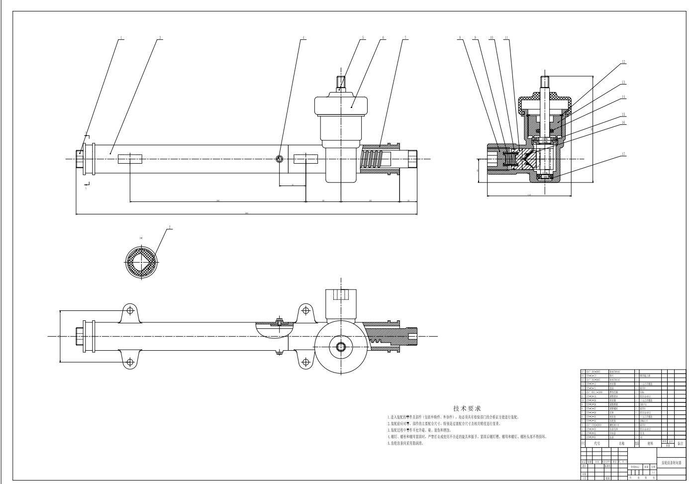
| 4 | A-转向器.png | 134.29K |
| 5 | 微信截图_20230806150628.png | 12.66K |
| 6 | 说明书目录.png | 227.87K |
| 7 | 任务书.docx | 162B |
| 8 | 减速机构.dwg | 186.56K |
| 9 | 总装图.dwg | 285.61K |
| 10 | 说明书.doc | 2.42M |
| 11 | 转向器.dwg | 149.28K |
| 12 | 齿条.dwg | 95.16K |
| 13 | 齿轮轴.dwg | 124.60K |
此图纸下载需要215金币
立即下载
发布者
漂亮的大雁
创作: 6982
粉丝: 399
加入时间:2023-10-21
模型信息
图纸格式:dwg
文件大小:2.09M
所需金币:215
上传时间:2024-03-03 23:40:43
是否可编辑:可修改,包括参数
版本:AutoCAD 2010
标签
图纸简介
版权说明
用户在本站上传的作品如侵犯到您的权益,请与本站管理员联系删除。用户在本站下载的原创作品,只拥有作品的使用权,著作权归原作者所有,未经合法授权,用户不得以任何形式发布、传播、复制、转售该作品。
AI渲染-将平面图渲染为真实效果图
原图
渲染图
正在渲染中,请稍候...

0.png)





0.png)
0.png)
0.png)
0.png)