激光器切割机控制接线图CAD(ID:993509)
# | 文件名称 | 文件大小 |
---|---|---|
1 | 17094810166359.zip | 1.01M |
2 | 微信截图_20231029160625.png | 133.23K |
3 | 微信截图_20231029160630.png | 124.08K |
4 | 微信截图_20231029160638.png | 143.39K |
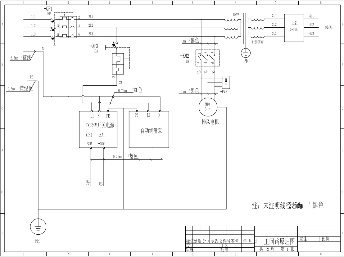
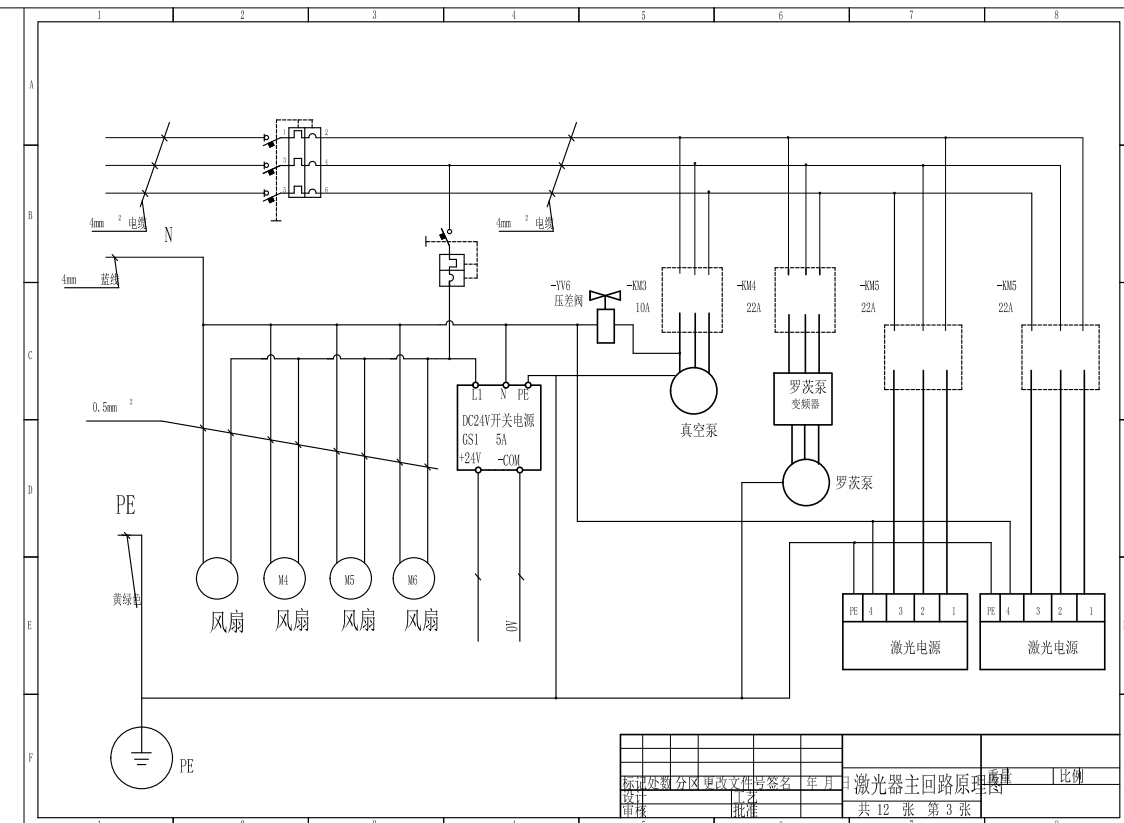
5 | 激光切割机主控制原理总图.png | 362.82K |
6 | 激光切割机主控制原理总图.dwg | 433.44K |
此图纸下载需要33金币
立即下载
发布者
傲娇的康乃馨
创作: 6985
粉丝: 376
加入时间:2023-10-21

模型信息
图纸格式:dwg
文件大小:1.04M
所需金币:33
上传时间:2024-03-03 23:50:17
是否可编辑:可修改,包括参数
版本:AutoCAD 2010
标签
图纸简介
版权说明
用户在本站上传的作品如侵犯到您的权益,请与本站管理员联系删除。用户在本站下载的原创作品,只拥有作品的使用权,著作权归原作者所有,未经合法授权,用户不得以任何形式发布、传播、复制、转售该作品。