轴流压缩机的PID控制

11
0
0
任性的百合
20
STEP
2025-08-10 17:45

全量化树脂系统-PID11.22

5
0
0
设计代做加V(eew5220)
500
AutoCAD 2010
2025-09-03 16:18

化工制甲醇PID流程图

10
0
0
任性的百合
8
版本号未知
2024-09-11 21:01

超滤装置管口方位及PID图

5
0
2
酷炫的钢笔
85
AutoCAD 2007
2026-03-06 17:05

石灰石浆液制备输送pid图

79
0
18
江南烟雨
0
AutoCAD
2021-09-26 11:09

全量化预处理PID图-3 12.09

4
0
0
设计代做加V(eew5220)
500
AutoCAD 2010
2025-09-03 16:18

盘子上的球 PID 控制器

6
0
0
任性的百合
20
SOLIDWORKS 2016
2025-08-31 12:16

固体制剂车间工段PID图 76

38
0
1
鲜艳的时光
7
AutoCAD
2024-12-13 23:14

M2394-煤制甲醇PID图

23
0
1
活力的皮带
9
AutoCAD
2024-09-10 13:44

双重PID控制温度控制器TZN4S

43
0
1
落后的皮皮虾
10
STEP
2024-03-20 09:38

SL_ST 弯曲 PID 演示 站-00

7
0
0
任性的百合
20
STEP
2025-08-07 15:54

A0004965-无刷电机pid控制器

4
0
0
任性的百合
29
STEP
2026-03-23 07:12

SL_ST 弯曲 PID 演示 站-00

3
0
0
任性的百合
20
STEP
2025-10-17 06:35

雁群全量化催化氧化PID图最新

6
0
0
设计代做加V(eew5220)
500
AutoCAD 2010
2025-09-03 16:18

桨叶干燥机工艺PID图(1)

22
0
2
疯狂的秀发
40
AutoCAD 2007
2025-05-16 10:41

单效强制循环PID图=671568=50

0
0
0
精明的飞机
9999
AutoCAD 2007
2026-03-31 17:32

ZDH-PID-013 循环回流旋转倍速链线 3D模型

46
0
0
代做毕设 qq 563982924
88
SOLIDWORKS 2014
2024-03-07 14:55

纯水系统的一套PID图

8
0
0
静
50
AutoCAD 2000
2025-09-25 15:20

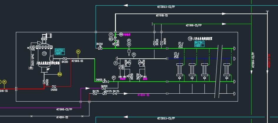
船舶脱硫废水PID图-7-5(2)

5
0
0
设计代做加V(eew5220)
1000
AutoCAD 2013
2025-09-02 15:44

LPG离心喷雾干燥机PID图

13
1
0
疯狂的秀发
38
AutoCAD 2007
2024-08-03 15:47

污水处理装置生化池工段PID图

30
1
0
随风飞舞
20
AutoCAD 2018
2022-09-14 16:32

桨叶干燥机设备PID流程图

56
1
0
疯狂的秀发
50
AutoCAD 2007
2024-09-27 13:01

純水系統的一套PID圖

7
0
0
代做毕设 qq 563982924
90
AutoCAD
2024-12-13 20:54

甲醇四塔精馏PID图--807916-15

26
0
0
细腻的钻石
75
AutoCAD 2013
2025-01-07 22:04

5T过滤+软化--RO设备PID图

201
1
0
飘逸的樱桃
8
AutoCAD 2007
2024-01-12 20:53

环氧乙烷分离单元工艺流程PID

6
0
1
小蔡工作室
5
AutoCAD 2007
2025-12-14 14:52

环氧乙烷精制单元工艺流程PID

9
0
0
小蔡工作室
5
AutoCAD 2007
2025-12-14 14:52

浙江车头制药5T中水回用PID图

32
0
0
江南烟雨
5
AutoCAD 2004
2023-04-16 03:09

氮气闭路循环生产线PID图

10
0
0
疯狂的秀发
45
AutoCAD 2007
2025-07-13 09:32

M3414-针剂-新冠疫苗pid-

37
0
0
活力的皮带
249
AutoCAD
2024-09-17 14:56

青霉素发酵车间工艺控制图(PID)

349
2
8
飘逸的樱桃
39
AutoCAD 2007
2024-03-04 00:25

洁净行业超纯水系统流程PID图

269
3
3
飘逸的樱桃
8
AutoCAD 2004
2024-01-12 20:53

中药提取车间带控制点流程图PID图

128
3
2
咨询设计 QQ加3278627871
50
AutoCAD 2013
2024-02-05 23:00

年产10万吨乙二醇PID 492085

5
0
0
咨询设计 QQ加3278627871
50
AutoCAD 2013
2025-11-30 01:15

乙二醇精制单元工艺流程PID

6
0
0
小蔡工作室
500
AutoCAD 2007
2025-12-14 14:48

青霉素发酵车间工艺控制图(PID)MF

16
0
0
细腻的钻石
40
SOLIDWORKS 2012
2025-06-26 21:55

G06124-PID平衡机器人3

9
0
0
任性的百合
5
STEP
2025-03-14 17:39

焦炉烟气CFB半干法脱硫工程工艺PID图

12
0
0
137****1692
20
AutoCAD 2000
2025-05-13 21:46

M1975-苯-氯苯分离精馏工段PID图

19
0
1
活力的皮带
9
AutoCAD
2024-09-10 12:32

制药PID片剂胶囊车间工艺流程图

9
0
0
小蔡工作室
15
AutoCAD 2010
2025-09-21 11:11