液压螺栓拉伸器设计(SW+CAD+说明书)(ID:2535358)
            
            | # | 文件名称 | 文件大小 | 
|---|---|---|
| 1 | 17553094649622.zip | 9.91M | 
| 2 | (论文)液压螺栓拉伸器毕业设计.doc | 333.62K | 
| 3 | LSQ-00二级螺栓拉伸器.bak | 248.47K | 
| 4 | LSQ-00二级螺栓拉伸器.DWG | 249.19K | 
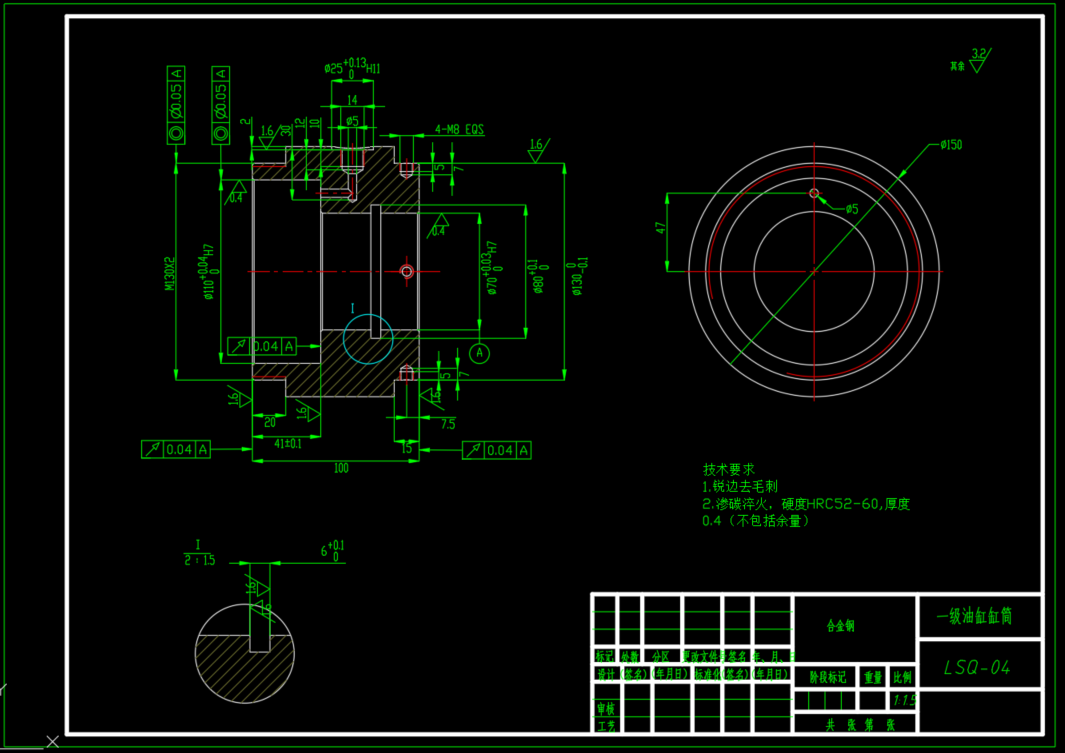
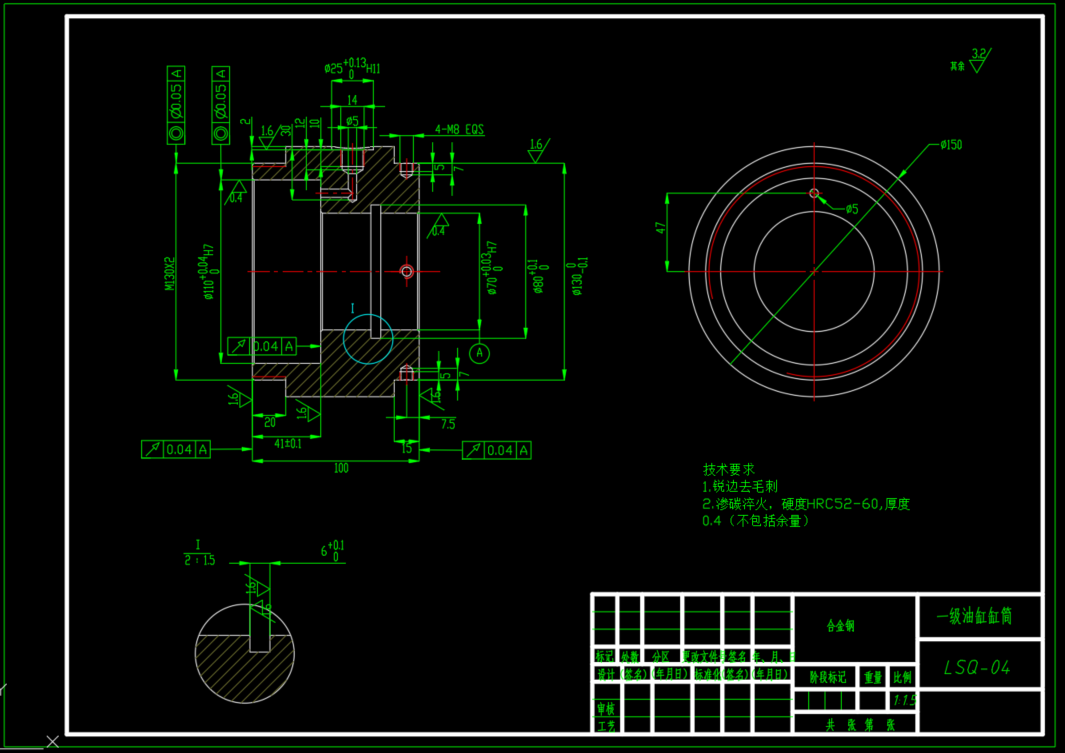
| 5 | LSQ-04一级油缸缸筒.DWG | 94.45K | 
| 6 | LSQ-08拉伸杆.DWG | 62.89K | 
| 7 | 一级油缸缸筒1-A2.DWG | 65.76K | 
| 8 | 二级油缸活塞-A2.DWG | 49.81K | 
| 9 | 拉伸杆1-A2.DWG | 46.59K | 
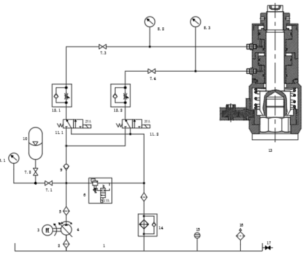
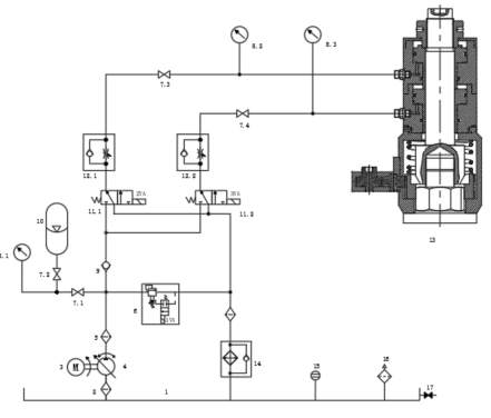
| 10 | 液压螺栓拉伸器液压系统原理图.dwg | 206.11K | 
| 11 | 1CM-16-14WD公制螺纹胶垫密封柱端1.SLDPRT | 186.06K | 
| 12 | GB/T41-20001型六角螺母C级M60-1.SLDPRT | 108.95K | 
| 13 | GB/T70.1-2000内六角圆柱头螺钉M5×16-1.SLDPRT | 118.08K | 
| 14 | GB/T70.1-2000内六角圆柱头螺钉M5×25-1.SLDPRT | 112.99K | 
| 15 | GB/T77-2000内六角平端紧定螺钉M8×15-1.SLDPRT | 106.08K | 
| 16 | 一级油缸活塞1.SLDPRT | 106.40K | 
| 17 | 一级油缸缸筒1.SLDDRW | 195.15K | 
| 18 | 一级油缸缸筒1.SLDPRT | 174.97K | 
| 19 | 二级油缸活塞1.SLDDRW | 145.33K | 
| 20 | 二级油缸活塞1.SLDPRT | 143.73K | 
| 21 | 二级油缸缸筒1.SLDPRT | 151.90K | 
| 22 | 二级螺栓拉伸器1.SLDASM | 1.24M | 
| 23 | 二级螺栓拉伸器1.SLDDRW | 1019.83K | 
| 24 | 大圆柱齿轮70×2.SLDPRT | 480.28K | 
| 25 | 密封件1.SLDPRT | 78.26K | 
| 26 | 密封件2.SLDPRT | 80.43K | 
| 27 | 小圆柱齿轮1-25×2.SLDPRT | 242.51K | 
| 28 | 小圆柱齿轮2-25×2.SLDPRT | 252.79K | 
| 29 | 底座1.SLDPRT | 186.50K | 
| 30 | 弹簧1.SLDPRT | 838.26K | 
| 31 | 拉伸杆1.SLDDRW | 163.71K | 
| 32 | 拉伸杆1.SLDPRT | 125.94K | 
| 33 | 拉杆调节螺母1.SLDPRT | 175.44K | 
| 34 | 目标螺栓1.SLDPRT | 113.73K | 
| 35 | 防尘盖1.SLDPRT | 71.18K | 
| 36 | 齿轮转动底座1.SLDPRT | 134.81K | 
| 37 | 齿轮转动底座2.SLDPRT | 177.52K | 
| 38 | 1.png | 88.40K | 
| 39 | 2.png | 38.21K | 
| 40 | 企业微信截图_20230818003423.png | 213.87K | 
| 41 | 企业微信截图_20230818003504.png | 145.05K | 
| 42 | 企业微信截图_20230818003523.png | 89.41K | 
| 43 | 企业微信截图_20230818003547.png | 88.85K | 
| 44 | 企业微信截图_20230818003606.png | 103.30K | 
| 45 | 企业微信截图_20230818003631.png | 411.71K | 
| 46 | 企业微信截图_20230818003640.png | 34.59K | 
| 47 | 企业微信截图_20230818003820.png | 181.50K | 
| 48 | 企业微信截图_20230818003833.png | 536.39K | 
| 49 | 企业微信截图_20230818003846.png | 468.84K | 
此图纸下载需要1500金币
                            立即下载
                                    
            发布者
				机械与液压(原创) +V:o627951491
					        创作: 684
					            粉丝: 69
					        加入时间:2023-10-23
					    
					模型信息
                图纸格式:dwg,sldprt,slddrw,sldasm
                    文件大小:10.14M
                    所需金币:1500
                    上传时间:2025-08-16 09:58:04
                    是否可编辑:可修改,包括参数
                    版本:SOLIDWORKS 2016
                标签
                图纸简介
			    
			版权说明
                用户在本站上传的作品如侵犯到您的权益,请与本站管理员联系删除。用户在本站下载的原创作品,只拥有作品的使用权,著作权归原作者所有,未经合法授权,用户不得以任何形式发布、传播、复制、转售该作品。
            作者其它图纸 查看更多
                
            猜你喜欢
            












0.png)
1.png)
2.png)
3.png)
4.png)











