2×350MW机组烟气深度脱硫及硫资源再利用项目初步设计(ID:2709513)
# | 文件名称 | 文件大小 |
---|---|---|
1 | 17599166575842.zip | 190.62M |
2 | 作品文档明细对应表.docx | 692.75K |
3 | PFD工艺流程图.dwg | 349.35K |
4 | PID管道及仪表流程图.dwg | 347.24K |
5 | 1-烟气预处理及吸收工段平立面布置图.dwg | 159.49K |
6 | 2-电渗析反应工段平立面布置.dwg | 107.49K |
7 | 3-MVR双效蒸发及中和反应工段平立面布置图.dwg | 142.57K |
8 | 150-150_MM.dwg | 64.33K |
9 | 反应器R0201.dwg | 149.41K |
10 | 吸收塔T0102.dwg | 383.08K |
11 | 换热器E0305.dwg | 188.09K |
12 | 脱硫车间总平面布置图.dwg | 141.49K |
13 | 0-吸收工段三维配管说明.txt | 277B |
14 | 1-烟气吸收工段三维配管(2004).dwg | 540.28K |
15 | 吸收塔件.dwg | 30.39K |
16 | 吸收塔泵.dwg | 63.97K |
17 | 吸收塔罐.dwg | 1.14M |
18 | 吸收液储罐.dwg | 43.44K |
19 | 吸收液储罐泵.dwg | 62.47K |
20 | 喷淋塔.dwg | 452.35K |
21 | 喷淋塔储罐.dwg | 69.44K |
22 | 喷淋塔泵.dwg | 88.45K |
23 | 电除尘.dwg | 788.75K |
24 | 管道.dwg | 1.48M |
25 | 风机.dwg | 64.76K |
26 | 风机喷淋塔.dwg | 1.47M |
27 | 1.png | 3.84M |
28 | 2.png | 4.33M |
29 | 3.png | 4.12M |
30 | 4.png | 4.32M |
31 | 5.png | 4.35M |
32 | 6.png | 4.30M |
33 | 7.png | 3.12M |
34 | 作品文档明细对应表.docx | 692.75K |
35 | 1-可行性研究报告.docx | 2.18M |
36 | 10-附表四:HOZAP分析.docx | 794.77K |
37 | 11-反应器设计说明书.docx | 2.21M |
38 | 2-初步设计报告.docx | 9.91M |
39 | 3-典型设备设计.docx | 8.44M |
40 | 4-创新性说明.docx | 3.43M |
41 | 5-安全评价.docx | 1.49M |
42 | 6-环境评价.docx | 1.37M |
43 | 7-附表一:物料衡算计算书.docx | 1017.81K |
44 | 8-附表二-能量平衡计算书.docx | 1.07M |
45 | 9-附表三:设备选型一览表.docx | 885.75K |
46 | 典型设备设计.docx | 162B |
47 | T0102初值模拟.bkp | 102.03K |
48 | 工艺全流程模拟-含换热网络.bkp | 635.37K |
49 | 运行说明.txt | 946B |
50 | Readme.txt | 768B |
51 | T0102Rate-Based优化塔板数.bkp | 633.67K |
52 | T0102Rate-Based优化结果效果图.png | 25.53K |
53 | T0102Rate-Based模拟数据.xlsx | 14.00K |
54 | 吸收塔塔板优化结果.png | 30.49K |
55 | Readme.txt | 1.01K |
56 | T0102初值模拟.bkp | 109.67K |
57 | T0102吸收剂用量Aspen优化数据.xlsx | 34.49K |
58 | T0102吸收剂用量优化.bkp | 37.53K |
59 | 吸收剂用量优化分析.docx | 1003.47K |
60 | 吸收剂用量优化效果图.png | 181.69K |
61 | MVR技术与并级预热的二效蒸发450.bkp | 181.70K |
62 | 运行说明.txt | 729B |
63 | 1-单效蒸发.bkp | 69.66K |
64 | 2-二效蒸发.bkp | 128.84K |
65 | 3-采用热量回收的二效蒸发.bkp | 123.72K |
66 | 4-MVR技术与串级预热的二效蒸发.bkp | 163.10K |
67 | 5-MVR技术与并级预热的二效蒸发.bkp | 170.65K |
68 | 优化结果表.png | 14.18K |
69 | 蒸发工段设计优化结果报告.docx | 1.75M |
70 | 反应比与费用的关系.jpg | 554.63K |
71 | 反应比与费用的关系.opj | 25.57K |
72 | 电流密度与费用的关系.jpg | 851.57K |
73 | 电流密度与费用的关系.opj | 52.33K |
74 | A组浓度分布.jpg | 630.85K |
75 | A组浓度分布.opj | 31.92K |
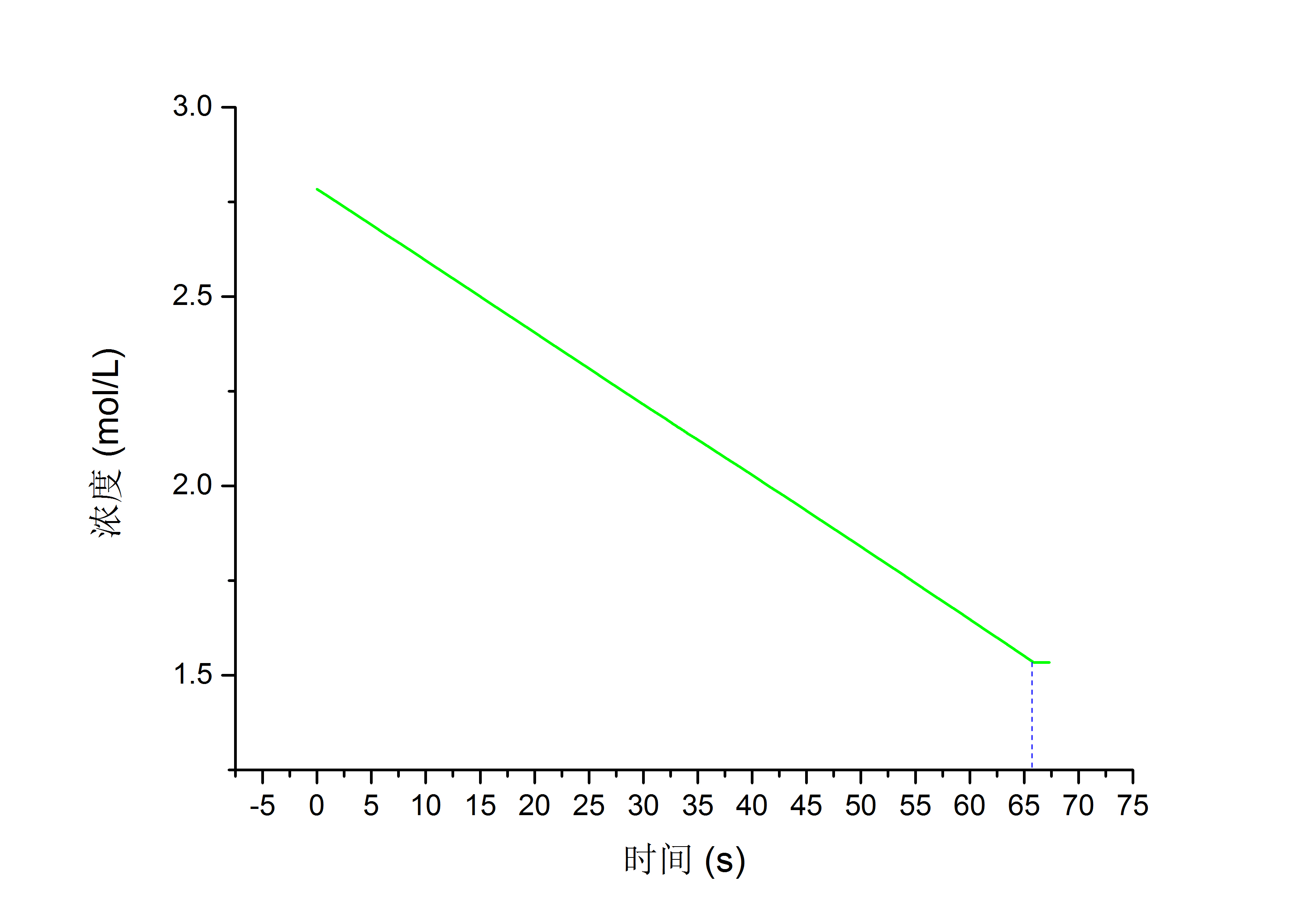
76 | 反应器停留时间.jpg | 580.75K |
77 | 反应器停留时间.opj | 26.83K |
78 | 溶液浓度随时间的关系.jpg | 747.92K |
79 | 溶液浓度随时间的关系.opj | 33.25K |
80 | T0102AspenDynamicV8.4动态模拟-1.png | 25.27K |
81 | T0102AspenDynamicV8.4动态模拟-2.png | 17.39K |
82 | T0102AspenDynamicV8.4动态模拟.appdf | 312.58K |
83 | T0102AspenDynamicV8.4动态模拟.bkp | 282.04K |
84 | T0102AspenDynamicV8.4动态模拟.dynf | 518.02K |
85 | 电渗析1.png | 127.84K |
86 | 电渗析2.png | 155.80K |
87 | 电渗析3.png | 155.64K |
88 | 电渗析4.png | 128.10K |
89 | 风险矩阵选取.png | 167.49K |
90 | 换热器1.png | 129.48K |
91 | 泵1.png | 251.34K |
92 | 管道1.png | 103.08K |
93 | 1.bmp | 5.93M |
94 | 2.bmp | 5.93M |
95 | 3.bmp | 5.93M |
96 | 4.bmp | 5.93M |
97 | 5.bmp | 5.93M |
98 | 6.bmp | 5.93M |
99 | 7.png | 3.12M |
100 | 车间三维设计总图.tm | 519.07M |
101 | 1-总成本与最小传热温差关系图.png | 27.96K |
102 | 2-工艺流程优化设计前温焓图.png | 19.69K |
103 | 2-工艺流程优化设计后温焓图.png | 21.12K |
104 | 3-工艺流程优化设计后总组合曲线.png | 22.65K |
105 | 3-工艺流程设计前总组合曲线.png | 20.20K |
106 | 换热网络.hch | 2.37M |
107 | 设计说明.txt | 848B |
108 | 换热器设计.docx | 162B |
109 | 设计说明.txt | 714B |
110 | 1.png | 161.43K |
111 | 2.png | 39.63K |
112 | E0201.EDR | 376.81K |
113 | E0201.fx2 | 24.00K |
114 | E0201SW6-2011机械校核.docx | 473.88K |
115 | E0201换热器数据表.xls | 601.00K |
116 | 1.png | 158.57K |
117 | 2.png | 39.76K |
118 | E0301.EDR | 438.51K |
119 | E0301换热器数据表.xls | 602.50K |
120 | 1.png | 226.98K |
121 | 2.png | 43.66K |
122 | E0302.EDR | 374.67K |
123 | E0302换热器数据表.xls | 607.00K |
124 | 1.png | 208.24K |
125 | 2.png | 31.34K |
126 | E0303.EDR | 579.62K |
127 | E0303换热器数据表.xls | 610.50K |
128 | 1.png | 176.93K |
129 | 2.png | 32.31K |
130 | E0304.EDR | 577.76K |
131 | E0304换热器数据表.xls | 610.50K |
132 | 1.png | 173.13K |
133 | 2.png | 37.61K |
134 | E0305.EDR | 1.43M |
135 | E0305SW6-2011机械校核.docx | 502.43K |
136 | E0305SW6-2011机械校核.fx2 | 24.00K |
137 | E0305换热器数据表.xls | 598.00K |
138 | T0102水力学数据.xlsx | 10.78K |
139 | 运行说明.txt | 585B |
140 | 1-T0102设计初值.bkp | 632.59K |
141 | 2-T0102Rate-Based优化塔板数.bkp | 635.67K |
142 | 3-T0102吸收剂用量优化.bkp | 37.53K |
143 | 1.png | 43.58K |
144 | 100负荷图-1.png | 65.49K |
145 | 2.png | 17.40K |
146 | 3.png | 17.54K |
147 | 80负荷图-2.png | 65.62K |
148 | Sulcol运行结果-1.png | 57.48K |
149 | Sulcol运行结果-2.png | 97.17K |
150 | Sulcol运行结果-3.png | 47.56K |
151 | T0102.sulcol | 56.92K |
152 | T0102Sulzer文件.docx | 172.10K |
153 | 吸收塔水力学校核示意图.png | 44.67K |
154 | 1.png | 8.81K |
155 | 10.png | 24.87K |
156 | 2.png | 14.29K |
157 | 3.png | 13.99K |
158 | 4.png | 14.74K |
159 | 5.png | 13.95K |
160 | 6.png | 14.82K |
161 | 7.png | 20.37K |
162 | 8.png | 16.47K |
163 | 9.png | 26.97K |
164 | T0102.cn2 | 30.20K |
165 | T0102设计文件.docx | 152.34K |
166 | E0201.docx | 473.88K |
167 | E0201.fx2 | 24.00K |
168 | E0305.docx | 502.43K |
169 | E0305.fx2 | 24.00K |
170 | T0102塔机械设计校核.cn2 | 30.20K |
171 | T0102塔机械设计校核.docx | 153.52K |
172 | PFD工艺流程图.dwg | 349.35K |
173 | PID管道及仪表流程图.dwg | 347.24K |
174 | 1-烟气预处理及吸收工段平立面布置图.dwg | 159.49K |
175 | 2-电渗析反应工段平立面布置.dwg | 107.49K |
176 | 3-MVR双效蒸发及中和反应工段平立面布置图.dwg | 142.57K |
177 | 150-150_MM.dwg | 64.33K |
178 | 反应器R0201.dwg | 149.41K |
179 | 吸收塔T0102.dwg | 383.08K |
180 | 换热器E0305.dwg | 188.09K |
181 | 脱硫车间平面布置图.dwg | 141.49K |
182 | 0-吸收工段三维配管说明.txt | 277B |
183 | 1-烟气吸收工段三维配管(2004).dwg | 540.28K |
184 | 吸收塔件.dwg | 30.39K |
185 | 吸收塔泵.dwg | 63.97K |
186 | 吸收塔罐.dwg | 1.14M |
187 | 吸收液储罐.dwg | 43.44K |
188 | 吸收液储罐泵.dwg | 62.47K |
189 | 喷淋塔.dwg | 452.35K |
190 | 喷淋塔储罐.dwg | 69.44K |
191 | 喷淋塔泵.dwg | 88.45K |
192 | 电除尘.dwg | 788.75K |
193 | 管道.dwg | 1.48M |
194 | 风机.dwg | 64.76K |
195 | 风机喷淋塔.dwg | 1.47M |
196 | 1.bmp | 5.93M |
197 | 2.bmp | 5.93M |
198 | 3.bmp | 5.93M |
199 | 4.bmp | 5.93M |
200 | 5.bmp | 5.93M |
201 | 6.bmp | 5.93M |
202 | 7.png | 3.12M |
203 | 1.png | 106.91K |
204 | 2.png | 29.90K |
205 | 3.png | 56.01K |
206 | 1.png | 88.15K |
207 | 2.png | 28.66K |
208 | 3.png | 52.10K |
209 | 1.png | 112.55K |
210 | 2.png | 30.81K |
211 | 3.png | 41.02K |
212 | 1.png | 82.65K |
213 | 2.png | 29.76K |
214 | 3.png | 45.98K |
215 | 1.png | 88.46K |
216 | 2.png | 29.27K |
217 | 3.png | 53.50K |
218 | 1.png | 88.15K |
219 | 2.png | 28.66K |
220 | 3.png | 52.10K |
221 | 1.png | 88.15K |
222 | 2.png | 28.66K |
223 | 3.png | 52.10K |
224 | 1.png | 88.15K |
225 | 2.png | 28.66K |
226 | 3.png | 52.10K |
227 | 1.png | 107.07K |
228 | 2.png | 29.76K |
229 | 3.png | 55.97K |
230 | 1.png | 82.64K |
231 | 2.png | 29.69K |
232 | 3.png | 46.01K |
233 | 1.png | 82.99K |
234 | 2.png | 29.90K |
235 | 3.png | 46.08K |
236 | BP0.m | 2.05K |
237 | Code.m | 439B |
238 | Cross.m | 1.52K |
239 | data.m | 40.88K |
240 | data.mat | 90.34K |
241 | data1.mat | 90.37K |
242 | fun.m | 390B |
243 | Genetic.m | 2.61K |
244 | Mutation.m | 1.51K |
245 | net.mat | 535B |
246 | Select.m | 953B |
247 | test.m | 278B |
248 | 神经网络遗传算法值寻优.docx | 1.38M |
249 | 神经网络预测-1.png | 44.65K |
250 | 神经网络预测-2.png | 64.14K |
251 | 神经网络预测-3.png | 21.50K |
252 | 神经网络预测-4.png | 20.70K |
253 | 遗传算法优化结果-5.png | 135.34K |
254 | shenjingwangluoyichuansuanfa.m | 46.32K |
255 | 吸收塔吸收液用量的预测结果.png | 187.60K |
256 | 吸收液验证样本预测值与实际值对比.jpg | 72.71K |
257 | 吸收液验证样本预测结果.jpg | 68.24K |
258 | 吸收液验证样本预测误差.jpg | 30.33K |
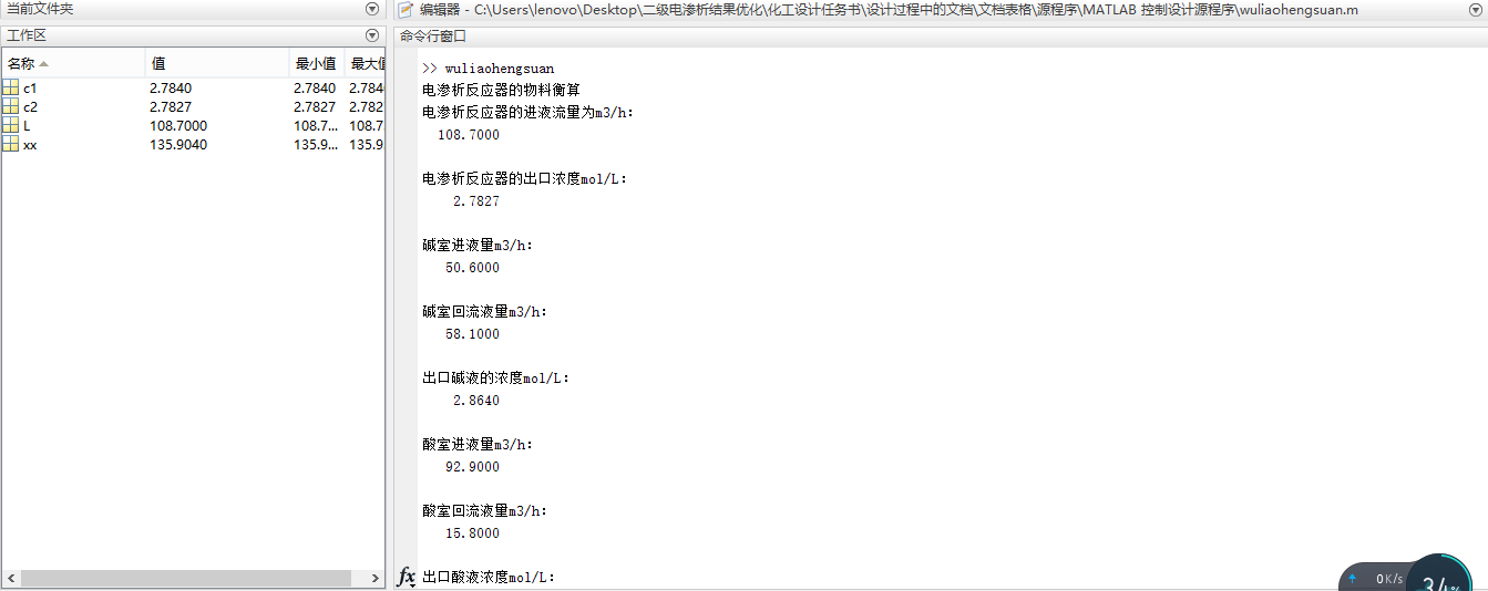
259 | 吸收液验证样本预测误差百分比.jpg | 31.67K |
260 | 神经网络预测模型.png | 45.82K |
261 | 1wuliaohengsuan.m | 1.03K |
262 | 1物料衡算运行结果截图.png | 41.89K |
263 | 2zaozuodianya.m | 1.20K |
264 | 2操作电压运行结果截图.png | 33.03K |
265 | 3kongzhi.m | 1.68K |
266 | 3控制程序运行结果.png | 58.19K |
267 | PID运行结果一览表.docx | 149.30K |
268 | draw.m | 5.56K |
269 | fun.m | 4.97K |
270 | MPIDDLX.m | 5.93K |
271 | 增加动量项-1.png | 26.57K |
272 | 增加动量项-2.png | 22.53K |
273 | 增加动量项-3.png | 14.72K |
274 | draw.m | 5.56K |
275 | fun.m | 4.97K |
276 | MPIDCS.m | 5.44K |
277 | PID-增加系数项运行结果-1.png | 24.49K |
278 | PID-增加系数项运行结果-2.png | 21.02K |
279 | PID-增加系数项运行结果-3.png | 16.10K |
280 | PID-增加系数项运行结果分析.docx | 45.37K |
281 | draw.m | 5.56K |
282 | fun.m | 4.97K |
283 | MPID.m | 5.48K |
284 | PID-梯度学习法运行结果-1.png | 26.69K |
285 | PID-梯度学习法运行结果-2.png | 23.17K |
286 | PID-梯度学习法运行结果-3.png | 14.75K |
287 | 梯度学习法运行结果.docx | 48.45K |
288 | draw.m | 5.56K |
289 | fun.m | 4.97K |
290 | PID-粒子群算法-1.png | 24.76K |
291 | PID-粒子群算法-2.png | 18.33K |
292 | PID-粒子群算法-3.png | 17.75K |
293 | PID-粒子群算法-4.png | 24.65K |
294 | pso.m | 6.88K |
295 | tingliushijianfanzhen.slx | 23.98K |
296 | 停留时间图.jpg | 631.02K |
297 | 停留时间的仿真建模.png | 78.16K |
298 | 停留时间的仿真结果.png | 39.69K |
299 | 1tongchijinyefangzhen.slx | 19.86K |
300 | 1同池进液建模截图.png | 76.17K |
301 | 1同池进液模拟结果.png | 23.18K |
302 | 2yichijinyefangzhen.slx | 24.08K |
303 | 2异池进液建模截图.png | 78.16K |
304 | 2异池进液模拟结果.png | 35.20K |
305 | 双极膜技术手册1-50.pdf | 3.63M |
306 | 双极膜技术手册145-194.pdf | 5.31M |
此图纸下载需要520金币
立即下载
发布者
静
创作: 15687
粉丝: 6
加入时间:2025-05-27

模型信息
图纸格式:dwg,pdf
文件大小:195.19M
所需金币:520
上传时间:2025-10-08 17:48:15
是否可编辑:可修改,包括参数
版本:AutoCAD 2013
标签
图纸简介
版权说明
用户在本站上传的作品如侵犯到您的权益,请与本站管理员联系删除。用户在本站下载的原创作品,只拥有作品的使用权,著作权归原作者所有,未经合法授权,用户不得以任何形式发布、传播、复制、转售该作品。
作者其它图纸 查看更多
猜你喜欢