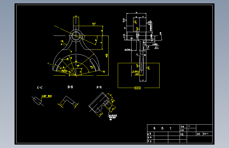
换挡叉加工工艺及钻φ16H8孔夹具设计(ID:1241850)
# | 文件名称 | 文件大小 |
---|---|---|
1 | 17128007526879.zip | 369.04K |
2 | 2毛坯图.dwg | 76.84K |
3 | A3夹具零件图.dwg | 72.78K |
4 | 制定换挡叉的加工工艺,设计钻Φ16H8孔的钻床夹具说明书.doc | 155.50K |
5 | 复件复件工艺过程卡文档.doc | 43.50K |
6 | 换挡叉.dwg | 76.25K |
7 | 换挡叉工序卡全套.doc | 203.50K |
8 | !!换挡叉的钻Φ16H8孔的钻床夹具A1.dwg | 166.88K |
此图纸下载需要75金币
立即下载
发布者
拼搏的高山
创作: 6433
粉丝: 78
加入时间:2023-12-13

模型信息
图纸格式:dwg
文件大小:377.9KB
所需金币:75
上传时间:2024-04-11 09:59:13
是否可编辑:可修改,包括参数
版本:AutoCAD 2007
标签
图纸简介
版权说明
用户在本站上传的作品如侵犯到您的权益,请与本站管理员联系删除。用户在本站下载的原创作品,只拥有作品的使用权,著作权归原作者所有,未经合法授权,用户不得以任何形式发布、传播、复制、转售该作品。
作者其它图纸 查看更多